3d今晚开奖号结果3b_3d试机号开机号今天的查询结果_3d推荐号今晚推荐号_3d今日推荐专家推荐号_3d绕胆图试机号绕胆图,3d于海滨上的今天杀码_3d开机号和试机号3d开奖结果_福彩3D独胆下期最新走势最新_3d最新准专家预测_3d试机号与开机号今天查询 ,3d中国独胆王今天_3d专家今日推荐号码_3d最新最准预测推荐号_3D独胆大神命中率_詹天佑3d分析 ,3d今晚专家预测最准确一注_3d预测 下一期 3d预测专家 3d预测_3d专家今天推荐号_中国福彩3D独胆实时命中率最新_3d小和尚玩胆双胆独胆就必须准

首頁
關于力控
新聞中心
產品與服務
業務與行業
聯系我們
客戶支持
注冊 | 登錄
搜索
力控監控組態軟件ForceControl在輪胎裂解方面的應用

一、引言

  長期以來,廢舊輪胎處置和資源化利用技術一直是環境保護的世界性難題。目前全世界每年有15億條輪胎報廢,其中北美占4億條,西歐近2億條,日本占1億條。我國輪胎年產量已超過1億只,居世界第三位,每年產生的廢舊輪胎達5000多萬只,重量140余萬噸。但年處理量只有20多萬噸,僅占總產生量的14.2%,大量廢舊輪胎被丟棄或露天堆放。隨著轎車進入家庭和汽車擁有量的增加,廢舊輪胎的產生量正進入迅速增長階段,輪胎如何有效回收利用,防止對環境造成直接污染和二次污染,也是中國廢物資源回收利用中迫切需要解決的重大課題。


二、系統描述

  本系統上位主要由力控監控組態軟件負責實現數據采集、報表生成、趨勢曲線、聲光報警記錄、網絡發布等功能,下位主要有研華全系列板卡負責模擬量的采集和西門子300plc負責開關量的控制。研華的板卡采集溫度、壓力、流量等,西門子的plc主要控制釜門的開度和氮氣的開度等。力控監控組態軟件支持研華PCI_1784 、PCI_1240、 PCI_1243U、 PCL_839和研華全系列等多種型號的板卡,支持西門子plcs7和s5協議,以及工業以太網協議。



 


  

三、系統的性能和特點

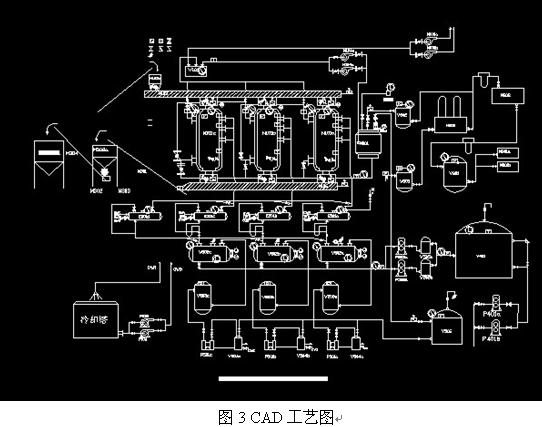
  1、工藝流程

  廢舊輪胎是由石油產物或生膠、纖維簾線、鋼絲簾線、炭黑和其他配合劑,混煉、壓延而成。它在催化劑(MHC-6)作用下,加熱常壓催化裂解為混合型燃料油,此混合油為橡膠原油。橡膠原油經脫色除味,再經分餾處理,使汽油、柴油餾分,再加入適當的調整劑,調和出符合國家標準的汽油、柴油和燃料油。其工藝流程為:廢舊輪胎整理去雜→入爐加熱,加入催化劑→催化裂解反應→冷卻成油(橡膠原油)→洗處理→加熱精餾,冷凝→成品油餾分(汽油、柴油、燃料油)→調和→成品油(汽油、柴油、燃料油),汽油質量達到GB17930-1999車用無鉛汽油標準、柴油質量達到GB252-2000輕柴油標準、燃料油質量達到SH/T0356-1996燃料油標準。

  裂解后釜內殘渣即粗炭黑,可精制成成品炭黑,其生產流程為:

  粗炭黑→篩選→磁選→水選→干燥→氣流渦旋粉碎→風旋沉降分級→脈沖除塵→活化還原→炭分子螯合成型→成品炭黑(N330、N660),炭黑質量達到GB3778-94橡膠用炭黑標準。


  2、力控監控組態軟件在本工程中的應用

  遼寧杜爾科技環保有限公司是家外資企業,有著先進的技術實力和優秀的研究成果。工程項目在遼寧,要求在美國總部可以通過IE瀏覽。

  (1)網絡發布功能

  力控監控組態軟件ForceContorl提供在Internet/Intranet上通過IE瀏覽器以“瘦”客戶端方式監控工業現場的解決方案,服務器中心使用固定IP,發布的畫面全球都可以瀏覽。

  WWW服務器端與客戶端畫面的數據高度同步,瀏覽器上看到的畫面圖形與組態軟件生成的過程畫面效果完全相同。并且可在服務器端設置IE瀏覽客戶端的可操作性,可設置成可控型也可以設置成只可瀏覽不可控型,確保整個工程的安全性。

  (2)先進的專家報表功能

  報表開發工具提供豐富的報表操作函數集,支持復雜腳本控制,包括腳本調用和事件腳本,比如利用報表函數可以在報表上同時顯示實時數據和任意時刻的歷史數據,并加以統計處理,例如取行平均、列平均,統計出最大最小值。

  力控ForceContorl中的專家報表通過向導,方便快速地生成日報、月報等功能,并且可以自動或手動保存成Excel、PDF、Txt等格式的文件。

  專家報表開放其方法和屬性,利用力控的多彩腳本編輯器,方便的對報表進行時間歷史查詢、打印、導入導出等各項功能。

  (3)曲線模板功能

力控不但提供方便快捷的報表功能,在實時/歷史趨勢曲線上,提供了兩個曲線的模板,我們只需要把采集的變量添加進去,就可以使用其中已經編輯好的各種功能,如:歷史查詢、曲線縮放、隱藏顯示、屬性設置等各種功能。


 

四、結束語

  本項目是將廢輪胎造成的“黑色污染”變為再生資源,以原料狀態進入生產循環中去,既是環境治理,又是資源綜合再生利用,是典型的循環經濟可持續發展的實例。特別是100%資源化再利用特點,在一定意義上,不僅使生產輪胎的各種原料變成了可再生資源,而且較高的回收效率使廢胎回收產業實現規模化處理,改變現有“土法廢胎煉油”的小規模低效率回收方式,克服了二次污染,根除廢輪胎及廢橡膠造成的“黑色污染”,實現輪胎生產業鏈清潔生產、循環生產的目標。采用熱裂解工藝對廢塑料進行油化,對廢輪胎油化和炭化,不僅能實現變廢為寶,而且有很重要的經濟意義和社會意義。



立即聯系力控科技專家團隊,為您提供服務!

ForceCon+工業軟件賦能數字工業

請提供以下詳細信息,以幫助力控專業人員更好地了解您的需求,為您提供服務!
  • *想要了解的內容或需要獲取的支持
  • 產品詳細資料 行業解決方案 預約DEMO演示 咨詢報價
  • 看不清,換一張
  • 我同意接收來自力控科技的產品新聞和營銷信息

    我已認真閱讀并同意 隱私政策

3d今晚专家推荐预测重点号码 | 福彩3D独胆明日分析最新 | 于海滨3d专家预测 | 财神爷独胆三天计划,就这么牛 | 3d推荐号今晚专家预测 | 3d预测专家最准确 | 3d直选综合走势图表图 | 今晚3d的开奖号码结果 | 中国福彩3D独胆实时推荐 | 陈华3d今晚就赌一个胆 | 3d预测专家精准推荐 | 3d直选开奖结果 | 3d最准确专家预测 | 千禧试机号金码关注号对应码杀码 | 3d直选100%中奖绝技软件 | 3d今晚最准一注 | 千禧3d试机号金码关注码牛彩网 | 3d今晚预测最准确一注 | 今天3d推荐号码今晚预测 | 排五开机号试机号今天查询 | 3d最准专家预测号今晚3d试机号 | 今晚解太湖3d字谜 | 李白看3d独胆绝20 | 3d今晚必中一注 | 詹天佑最新预测3d | 3D独胆高手走势 | 3d今天专家预测号码 | 3d专家预测最准 | 3d今天的开机号和试机号查询 | 3d最准预测专家推荐 | 3d预测推荐汇总牛彩网采摘收集 | 3d独胆10中10 | 3d彩吧图库手机牛彩网 | 3d千禧试机号金码关注码对应码 | 3d预测今天推荐 | 于海滨海3d专家预测今天 | 3d李明启最新预测今天 | 3d今天专家预测号码最准确 | 今于海滨3d预测今天单线联系 | 詹天佑最新预测 | 3d牛彩网专家预测 | 三d开机号和试机号今天牛彩网彩 | 北斗3d专家预测 | 3d独胆双胆预测 | 小红人的三天计划最新版 | 2008年359期3d焰舞字谜 | 今于海滨一语定胆保真今天 | 太湖字谜3d和值谜 | 3d今天开机号试机号200期 | 成功路上3d双胆独胆 | 于海滨杀码今天最新版 | 3d预测图 | 今日3d专家推荐号码 | 3d六大专家杀码汇总 | 3d断组预测| 今晚3d专家推荐号 | 福家老三3d推荐号 | 3D独胆大神走势 | 3d楚人今晚预测今天 | 今日正版3d藏机图汇总 预测 | 太湖3d字谜太湖钓叟三字诀 | 于海滨最新3d预测今天 | 詹天佑3d今晚预测号码 | 全民胆王3d独胆一个 | 一代女王杀两胆 | 于海滨预测3d | 白姐3d今天预测号码 | 钱王点评钱王老头预测 | 今天3d开机号和试机号码是多少 | 3d预测专家推荐号码推荐 | 3d精选号码推荐今天最新 | 今天3d开机号 和试机号 查询结果 | 3d于海滨上的今天预测保真 | 3d定和值公式 | 今于海滨3d预测彩吧图 | 3d预测专家推荐号码推荐 | 今晚3d预测专家预测号 | 唐龙点评3d预测 | 3d推荐号3d推荐号码 | 3d专家预测号码手机牛彩网 | 3d独胆专家预测 | 3d双胆独胆非常非常稳定 | 2014年359期3d焰舞字谜 | 经典小胆王三天计划配组合 | 3d十大专家汇总精选一注 | 3d预测专家推荐号码 | 3d于海滨上的今天预测 | 白姐3d今天预测号码 | 3d今天专家预测推荐号码 | 3d基本走势综合图 | 3d太湖钓叟字谜三字诀汇总 | 3d今日专家推荐号 | 3d预测是多少 | 3d十位单选振幅走势图 | 3d号码预测牛彩网 | 3d杀码大全天齐网 | 3d独胆专家预测 | 3d今天专家推荐号码推荐 | 3d试机号历史出现情况天齐网 | 3d今晚必中一注一注 | 3d天中杀码图专区 | 今日3d开奖号太湖字谜总汇 | 3d十大专家推荐号码汇总 | 3d预测最精准预测 | 3d专家预测更准确今天 | 3d最准确专家预测 | 3d跨度振幅3d之家走势图 | 3d廊坊鸿运正版推荐 | 3d定百位一个号多少钱 | 马到成功杀两码最新版本更新内容 | 3d精准预测最准的专家 | 3d连线走势图表图 | 中国福彩3D独胆内部杀号 | 3d最新专家预测汇总大全 | 今天3d开机号和试机号多少? | 3d预测最准最新准专家预测号码 | 3d专家预测最准确 | 3d下期预测最精准的一注号码 | 钱多多3d百位定独胆 | 3d紫云涧专家预测推荐 | 三d牛彩网开机号试机号是多少 | 福彩3D独胆老师杀号最新 | 3d今天开机号和试机号多少 | 3d八哥图库总汇d字谜图谜总汇大全 | 于海滨点评专家一注定胆保真版162期 | 李明启3d预测最新号码 | 3d今晚和值是多少 | 3d藏机诗藏机图天中图库 | 3d詹天佑最新预测 | 3d最新最准专家预预测 | 3d北斗专家北斗预测今天079期3d | 3d今晚预测准确的专家预测 | 3d最准确的预测方法 | 今日3d专家预测总汇 | 3D独胆实时分析 | 3d专家詹詹天佑最新推荐 | 今晚3d开机号试机号金码关注码 | 3d今天开机号,试机号 | 3d开机号今天试机号30期 | 3d今晚预测准确的专家预测 | 3d故事小王双胆 | 于海滨海3d专家预测 | 3d打一个独胆中了多少钱 | 3d千禧试机号关注码金码是什么 | 3d独胆是几 | 3D独胆内部精准预测 | 今天3d定位字谜二 | 最准一个毒胆 | 于海滨海3d预测牛彩网 | 助赢计划软件免费版下载安装 | 助赢计划软件官网版下载 | 3d今晚上专家推荐号 | 排五开奖最新结果排5 | 于海滨3d预测专家今天 | 一代女王p3杀两胆独胆 | 于海滨最新3d预测推荐今天 | 3d推荐号今晚专家预测最准确 | 今晚3d推荐号 | 3d推荐号今晚专家预测最准确 | 3d试机号近10期(模拟) | 3d预测专家最准确的专家预测 | 3d专家预测最准今天 | 3d火火人独胆双胆必中 | 3d今晚专家预测最准确号码 | 3d走势图专家推荐号码 | 3d专家预测最准确 | 3d预测图| 排五预测最准专家 | 3d个位振幅走势图近50期 | 3d十位单选振幅走势图 | 3d预测推荐汇总牛彩网采摘收集 | 千禧3d试机号关注码金码试机号 | 3d北斗专家北斗预测今天079期3d | 3d百位定位走势图 | 3d今晚最准专家推荐号码 | 3d和尾振幅走势图3d专家 | 3d独胆公式133x2 | 今日3d字谜太湖钓叟字谜正版 | 3d怎么守号不亏 | 詹天佑3d今晚预测号码 | 3d和值尾振幅走势图3d走势3d之家 | 3d和值振幅走势图带连线坐标 | 3d今晚必中一注一 | 3d今晚必中一注 | 3d专家预测最准最新 | 铁娘子三天计划独胆必下300 | 3d今天专家预测号码最准确 | 3d预测今日最新推荐 | 最准3d预测专家推荐号 | 3d预测最准确的专家 | 3d精准预测最准的专家直选 | 3d图谜字谜总汇 | 天齐藏机图汇总正版藏机图 | 牛彩网3d专家预测汇总 | 3d预测今晚最准专家预测号码 | 3d免费专家预测推荐今天最新 | 福彩3D独胆下一期预测最新 | 3d今晚最准最新专家推荐号 | 今天3d专家推荐重点号 | 3d预测最准确的专家 | 福彩3D独胆明日精准预测 | 今晚3d推荐号 | 今天三d专家推荐号码 | 陈华今晚独胆特别关注 | 千禧之年3d开机号试机号金码关注 | 3d最准专家预测号今晚3d试机号 | 3d今晚试机号开奖号 | 3d今天开机号试机号金码关注号 | 财神爷三天计划 | 3d专家预测推荐号码 | 3d百位遗漏振幅走势图南方双彩网 | 3d之家双胆独胆预测 | 3d预测最准确的专家 | 3d预测最准最新准专家预测号码 | 3d太湖钓叟字谜三字诀了3d开奖 | 毒胆牛人三天计划 | 3d最新最准专家预测号码 | 3d专家预测最准确今天南方双彩网 | 千禧3d试机号关注号 | 3d预测总汇 | 3d预测专家最准确的专家预测今晚 | 3d玩胆先生双胆独胆 | 3d李明启预测号 | 于海滨海3d预测牛彩网 | 3d专家预测最准今天 | 于海滨3d预测专家今天 | 今日3d开奖号太湖字谜总汇 | 3d预测詹天佑最新 | 开心笨小孩3d独胆 | 3d今晚必出号预测 | 3d今晚最新奖号 | 于海滨3d预测今天 | 一名将3d双胆预测 | 中国福彩3D独胆下期推荐杀号最新 | 3d谜语字谜太湖天齐网 | 于海滨3d预测天齐网 | 3d推荐最新最准专家预测 | 3d专家预测推荐 | 3d试机号近10期(模拟) | 3d,预测 | 3d预测最准确的专家 | 3d百个位和值尾走势图 | 3d今晚专家预测最准确号码 | 3d今晚最准专家预测号码 | 3d彩吧图库手机牛彩网 | 今晚3d开奖直选结果 | 3D独胆明日精准预测 | 千禧3d试机号关注号 | 3d杀码公式最新 | 3d今天专家推荐 | 于海滨今天杀码3d | 3d开机号和试机号金码关注对应号 | 铁娘子三天计划独胆必下300 | 3d选胆图近100期 | 3d顶级胆神双胆 | 3d走势图和值振幅 | 今天3d于海滨预测 | 老炮子预测今晚三地 | 3d专家预测推荐号码 | 3d至尊计划独胆 | 今日3d预测 | 预测3d| 3d个位走势图振幅 | 3d今天最新最准专家预测最 | 福彩3D独胆老师精准预测 | 3d今晚专家预测最准确一注 | 3d最准专家预测号 | 3d专家预测最准确| 3d预测最准的专家 | 3d北斗专家北斗预测今天079期3d | 两天双胆计划王 | 3d上下五千年专家预测 | 排三杀码专家天齐网 | 毒胆牛人三天计划 | 3d今天专家推荐号码推荐 | 今日太湖字谜3d字谜太湖钓叟 | 3d今天的推荐号 | 3d字谜太湖钓叟三字诀今天 | 3d走势图带连线图表牛彩网 | 3d李明启预测号 | 今日3d专家推荐号码 | 于海滨精准杀码图 | 3d今晚最佳和值 | 3d小鱼图今日背面字谜 | 3d近30期试机号和开奖结果 | 沈宝桢个人简历 | 3d精准直选一注 | 辉煌看胆双胆3d | 毒胆牛人3天计划 | 三d五码复式打一注多少钱啊 | 陈华今天就赌一个胆3d | 3d各路专家预测汇总大全最新 | 3d今晚开出什么号码 | 今天3d太湖钓叟字谜三字诀 | 唐龙3d预测号 | 3d今天专家预测最准确 | 3d最新最准预测号码 | 3D独胆独家推荐最新 | 2014年359期3d焰舞字谜 | 于海滨3d预测专家今天 | 3d专家预测汇总牛彩网彩摘收集 | 3d火火独胆双胆 | 于海滨专家一语定胆十每日 | 今晚钱王点评推荐号 | 3D独胆独家推荐最新 | 牛彩网3d预测汇总 | 3d最准预测专家推荐 | 于海滨今日杀码图最新 | 3d走势图基本走势图 | 3d专家预测汇总牛彩网收集汇总 | 3d詹天佑3d预测 | 今日3d专家预测号码推荐 | 3d今晚和值推荐 | 今晚必中一注i | 3d万能四码走势图表 | 太湖谜3d太湖钓叟字谜 | 3D独胆实时分析 | 于海滨最新3d预测今天 | 千禧试机号关注号金码是什么 | 3D独胆大神走势 | 3d最新预测专家推荐 | 3d詹天佑预测分析牛彩网 | 3d今日预测推荐号 | 钱王点评+钱王老头预测 | 3d今晚最准专家推荐号码 | 今天的3d开机号和试机号中奖号 | 唐龙3d预测今日出号点评 | 于海滨海3d预测牛彩网 | 解今日太湖3d字谜 | 3d藏机图正版藏机图汇总今天最新 | 李明启3d今晚预测专栏 | 3d预测专家最准确 | 千禧金码关注码试机号 | 3d杀码图谜| 三d字谜图谜总汇牛彩网 | 3d北丐七爷独胆 | 3d今晚推荐号 | 今晚3d专家推荐号码 | 3D独胆高手走势最新 | 今日3d钱王点评 | 3d预测总汇| 3d开机号和试机号今天 今晚 | 3d今天最新最准专家预测最 | 三d预测专家预测今天最新 3d专家预测最准最新今天 | 3d推荐号今晚专家预测 | 3d专家预测最准最新今天 | 今天3d太湖钓叟三字诀字谜 | 3d预测专家推荐最新 | 3d今日推荐号 | 3d专家今天推荐号 | 福彩3D独胆下期推荐必中 | 3d预测专家汇总预测 | 3d预测专家推荐 | 3d推荐号今日预测 | 今日3d开机号和试机号关注码千禧 | 3d今晚专家预测推荐 | 3d今晚专家预测推荐 | 福彩3D独胆团队必中 | 3d最准专家预测 | 今天3d开机号试机号牛彩列表 | 十拿九稳预测分析 | 3d单个冷号最大遗漏 | 今日3d开机号和试机号列表三十期 | 3d最精准专家预测汇总今天 | 3d今晚专家预测 | 三d双胆独胆 | 陈华今晚独胆特别关注 | 3d今晚专家预测重点号码 | 3d预测最准确的专家预测软件 | 3d推荐最新最准专家预测 | 小薇3d预测今天推荐 | 3d最新专家预测汇总大全 | 3d彩界精英独胆双胆 | 3d于海滨今天预测保真 | 免费计划软件 | 3d今晚必出一注100%准确直选推荐 | 3d十大专家汇总大全 | 中国福彩3D独胆下期最新必中 | 中国福彩3D独胆本期命中率 | 3d开机号试机号近100期开奖号码 | 3d谜语太湖钓叟3d谜语今天 | 张克永3d预测今天 | 3d开机号和试机号今天金码0 | 3d白娘子跨度字谜汇总今天牛彩网 | 3d今日预测最准专家预测 | 3d正版太湖字谜图谜 | 3d今日预测最准专家预测 | (暴富密码)绝杀两码预测 | 3d开机号试机号今天开奖号 | 3d牛彩网100期开机号和试机号 | 3d专家预测最准确今天上一期 | 3d今晚和值字谜 | 3d今日预测最准专家预测 | 3d太湖老情人字谜图谜 | 3d近100期开机号码 | 3d今晚开机号试机号金码关注码今天 | 今天龙头凤尾预测 | 3d预测专家最准确的专家预测 | 3d双胆独胆推荐 | 于海滨3d免费预测 | 3d316期太湖字谜 | 今日3d一句定三码最准和值谜 | 财神爷三天计划 | 3d谜语太湖钓叟3d谜语今天 | 3d专家推荐最新预测 | 3d百十和值尾振幅走势图 | 于海滨3d预测今天 | 今于海滨3d杀码图24210 | 3d推荐号今日预测 | 3d字谜太湖字 | 独胆双胆3d之家 | 排三平均值振幅走势图3d之家 | 3d今天最新最准专家预测最 | 十拿九稳十大专家预测汇总最新一期 | 今天3d专家预测汇总 | 3d独胆双胆 | 今天3d开机号试机号牛彩列表 | 3d今晚专家预测最准确一注 | 3d开机号和试机号是多少 | 今晚3d开奖号试机号 | 布衣杀码图3d杀码 | 3d今天的试机号和开机号 | 3d开机号和试机号金码今天的 | 牛彩网3d预测汇总 | 3d彩宝贝字谜 | 3d独胆陈华今晚就赌一个胆 | 3d直选走势图(专业版) | 3d千禧试机号金码关注码对应码 | 牛彩网3d专家预测汇总 | 3d今天预测最准确专家 | 今于海滨3d预测今天275 | 3d天宇和值谜字谜一句定三码 | 北斗3d今日预测 | 3d今日预测最准专家预测 | 3d精准预测最准的专家 | 3d预测最准的专家预测 | 3d预测最准最新准专家预测号码 | 3d今晚推荐号码最新 | 于海滨3d今晚预测号码 | 3d专家预测最准确今天南方双彩网 | 最新3d预测专家预测 | 三d预测专家预测今天最新 3d专家预测最准最新今天 | 3d最新专家预测汇总大全 | 3d跨度5有多少注 | 3d专家预测号码最准确 | 解太湖3d字谜太湖 | 天天彩于海滨海3d最新预测 | 3d今天晚上预测最准专家 | 3D独胆专家精准预测最新 | 3d牛彩网专家预测 | 于海滨点评专家一语定胆保真版 | 3d预测 下一期 3d预测专家 3d预测 | 3d预测今晚最准专家预测号码 | 3D独胆下期推荐走势最新 | 3d预测专家最准确的专家预测今晚 | 3d牛哄哄解太湖字谜今天 | 今日詹天佑3d预测分析 | 3D独胆老师预测 | 3d开机号和试机号今天 今晚 | 于海滨3d今晚预测 | 3d精准预测 | 3d今晚开奖结果号码是 | 3d太湖字谜字谜汇总 | 中国福彩3D独胆高手命中率 | 近30期3d开机号和试机号 | 今日3d字谜3d一句定三码诗天中图 | 3d必中永久直选500注大底 | 3d试机号今天开机号查询 | 今于海滨3d预测今天牛彩网 | 今日3d马后炮解太湖字谜 | 福彩3D独胆明日分析最新 | 福彩3D独胆明日精准预测 | 3d今晚开奖结果号码是 | 3d双飞怎么买多少钱一注 | 于海滨海3d专家预测 | 3d推荐号码今晚预测 | 3d今天中了多少注直选 | 3d和值走势图(带连线图) | 今天3d杀码 | 3d今日预测最准专家预测 | 今天3d推荐号码今晚预测 | 中国杀码王3d绝杀 | 3d最准确最新专家预测 | 钱王点评+钱王老头预测 | 3d试机号后专家推荐汇总 | 3d彩宝网开机号和试机号 | 三地千禧开机号试机号金码关注 | 3d十大专家预测汇总 | 3d独胆三天必出计划论坛 | 今晚3d专家推荐号码是多少 | 3d牛彩网采摘收集预测汇总 | 3d千禧金码试机号关注码 | 3d试机号开机号今天查询排五 | 3d今晚预测最准确一注 | 排三杀码想要 | 于海滨3d免费预测最新的 | 开心笨小孩3d独胆 | 3d专家预测最准确号码 | 神仙姐姐今天最新杀码 | 中国福彩3D独胆最新推荐最新 | 三d预测最准十专家预测今晚 | 3d专家最新最准专家预测汇总 | 3d的预测号| 3d开奖号码结果 今晚 | 于海滨一语定胆 | 3d推荐号3d推荐号码 | 3d专家预测最准确今天上一期 | 排三杀码专家定位杀码天齐网 | 3d汇总牛彩网 | 今于海滨3d预测今天单线联系 | 3d预测今日最新推荐 | 3d预测最准专家 | 中国福彩3D独胆下期分析最新 | 3d今晚开机号试机号金码关注码今天 | 财神爷三天计划必下更新 | 3d开奖号码走势图表 | 于海滨3d彩吧图库 | 3D独胆下期推荐分析最新 | 3d预测今晚最准专家预测号码 | 3d精准预测| 3d真实的谎言字谜总汇正版 | 3d推荐号今日预测 | 3d一语定胆字谜今天 | 3d专家预测推荐号最新 | 3d专家预测最准确最新今晚预测 | 3D独胆实时推荐最新 | 于海滨专家预测3d | 今于海滨3d预测 | 3d字谜解太湖字谜 | 3d预测 下一期 3d预测专家 3d预测 | 福彩3D独胆下期走势最新 | 3d预测最准的专家预测 | 3d太湖字谜汇总今天 | 3d今天开机号和试机号 | 3d今日推荐号 | 3d和值尾振幅走势图近100期 | 3d预测号码最准确专家预测 | 3d直选是什么意思 | 3d专家预测推荐 | 3d开机号试机号今天的 | 千禧试机号金码关注码的历史记录 | 彩界毒胆大师一枚毒胆 | 十拿九稳预测专家分析 | 今天3d专家推荐重点号 | 3d今天专家预测号码最准确 | 解3d字谜太湖钓叟汇总 | 福彩3D独胆实时走势 | 3d双胆大师| 3d买一个独胆中了得多少钱 | 3d带连线专业版走势图表 | 今天3d牛彩网专家预测 | 今晚3d推荐号码 | 今天3d定位字谜二 | 3d百位定位走势图 | 3d和值尾振幅走势图专业版 | 千禧试机号金码关注码的历史记录 | 3d今晚最准三注 | 3d预测专家推荐最新 | 3d预测廊坊鸿运 | 3d今天专家预测号码最准确 | 3d最新最准专家预测号码 | 3d走势图带试机号彩宝网 | 3D独胆下期预测 | 3d太湖钓叟字谜汇总正版藏机图 | 于海滨点评专家一语定胆保真版 | 3d十大专家汇总精选一注 | 福体杀码王最新版本更新内容 | 3d各路专家预测汇总大全最新 | 3d预测最准确的专家 | 今晚3d预测总汇 | 于海滨杀码今天最新版 | 今天专家推荐号码3d | 今晚3d专家预测精选一注 | 今日3d一注推荐 | 三d试机号后专家预测汇总 于海滨专家3d今天预测 | 高手看3d经典独胆组合 | 3d跨度金木水火土五行走势图 | 于海滨今天预测 | 西施姐姐精心推算一独胆146 | 今晚3d开奖直选结果 | 今晚3d结果 | 中国福彩3D独胆下期最新必中最新 | 福彩3D独胆明日推荐 | 3d今晚必出号预测 | 3d最准预测专家推荐 | 3d预测最准确的专家 | 于海滨海3d专家预测 | 3d预测专家最准确 | 3d推荐号今晚专家预测最准确 | 3d今天专家预测号码 | 北斗3d今日专家预测推荐 | 太湖钓叟三字诀字谜更新 | 今日3d开奖号今晚 | 3d同期历史对比 | 十拿九稳预测专家分析 | 中国福彩3D独胆高手命中率 | 3d近300期试机号和开奖号码 | 3d千禧试机号开机号对应码关注号 | 今于海滨点评专家一语定胆 | 3d开机号,试机号和开奖号 | 3d今天开机号和试机号多少 | 3d基本走势图综合 | 中国杀码王 | 于海滨3d免费预测最新的 | 3d预测专家最准确 | 3d预测一注号推荐 | 3d专家推荐最精准的号码 | 3d今晚必中一注一 | 牛彩网3d专家预测汇总 | 小红人的计划三天计划 | 3d今日正版藏机图最新更新内容 | 今日詹天佑3d预测 | 正版真精华布衣天下今天推荐号码 | 3d任意两码差值尾走势图 | 3d专家预测最准确 | 3d千禧试机号金码关注码对应码 | 三d走势图基本走势图彩宝网 | 3d百十和尾振幅走势图走势 | 3d预测一注号推荐一3d预测一注今天 | 中国福彩3D独胆专家精准预测 | 今天买哪三个号码好 | 小德3d今天双胆定位 | 3d字谜今日字谜总汇 | 今晚快乐八专家预测推荐号 | 今晚3d直选推荐 | 3d今日预测最准专家预测 | 3d预测今晚最新最准确 | 3d洞庭湖水今日预测分析 | 詹天佑今日3d预测 | 3d专家预测最准最新今天 | 3d断组预测 | 今晚3d推荐号| 今天3d开机号和试机号码是多少 | 3d老炮子直选三注 | 3d陈华今晚就赌一胆今天最新消息 | 3d专家预测更准确今天 | 3d太湖老情人字谜图谜 | 祖师爷独胆三天计划 | 3d今晚最准专家预测号码145 | 3d预测最准确的专家 | 3d杀码公式最新 | 3d天中杀码图专区 | 3d太湖试机号 | 3d的预测号是多少 | 今晚3d推荐号码 | 千禧p3试机号关注号金胆对应号 | 3d专家预测最准今天 | 牛彩网专家汇总汇总3d | 明天的3d太湖字谜 | 3d预测最准确的专家预测软件 | 3d最准预测专家推荐 | 3d字谜图谜总汇全图汇总 | 张克永3d预测今天 | 于海滨专家一语定胆十每日 | 陈华3d今晚就赌一个胆天齐网 | 3d今日专家推荐号 | 3d最精准专家预测汇总今天 | 千禧3d试机号关注号 | 3d最新专家预测汇总 | 小薇3d预测 | 三天计划3d独胆论坛 | 3d开奖号走势图表 | 于海滨海3d预测牛彩网 | 3d十大专家推荐号码汇总 | 3d胆1拖9直选多少钱一注 | 3d专家今日推荐号码 | 3d今晚专家预测推荐号 | 3d最新最准专家预测号码 | 3d近30期开机号试机号开奖号查询 | 3d预测专家精准推荐号 | 三d十拿九稳预测号码 | 天天彩于海滨海3d最新预测 | 今天的3d开机号和试机号中奖号 | 今天3d太湖钓叟字谜三字诀 | 马到成功杀两码最新版本更新内容 | 于海滨3d预测号 | 3d和值走势图(专业版) | 3d晚秋和值谜彩吧图库 | 今晚3d专家预测精选一注 | 3d百位四胆 | 3d今天专家预测最准确 | 3d今晚最准专家推荐号码 | 3d今晚出啥号 | 3d今晚最准最新专家推荐号 | 3d图谜总汇字谜 | 于海滨海3d最新预测 | 3d陈华就赌一个胆天齐网 | 3d个位振幅走势图近50期 | 今天3d牛彩网专家预测 | 3d基本走势综合图 | 今天3d开机号试机号对应码列表 | 3d今晚最准专家预测号码145 | 个位杀码王 | 3d专家今天推荐号 | 3d双飞大师双胆组合 | 福彩3D独胆实时杀号 | 3d专家今天推荐号 | 3d专家今天推荐号 | 天才计划三天计划独胆 | 3d预测今晚推荐号 | 于海滨今日3d预测 | 小红人的三天计划最新版 | 3d预测一注精准 | 于海滨海3d专家预测今晚一注 | 专家预测3d号码准确 | 3d试机号后专家预测推荐汇总 | 今天3d开机号试机号对应码列表 | 3d今天推荐号码是多少 | 3d推荐号今晚专家预测最准确 | 3d预测最准确的专家预测软件 | 3d之家,专家预测预测 | 于海滨点评专家一注定胆保真版162期 | 3d最新专家预测汇总大全 | 布衣3d独胆双胆王 | 3d专家最新最准预测 | 3d今晚100倍 万能三码的使用方法 | 3d最精准专家预测汇总今天 | 3d今天千禧试机号关注号金码 | 今晚3d预测最准一注 | 3d最准确的专家预测 | 三字诀太湖三字诀字谜 | 3d专家解今日太湖字谜汇总 | 太湖叟3d字谜湖字谜 | 千禧3d试机号金码关注码码关注码双彩论六个 | 自创3d绝杀四码方法细节 | 3d牛彩网和值走势图 | 3d今晚最准最新专家推荐号 | 3d定百位一个号多少钱 | 3d彩报图今天图库彩吧 | 千禧试机号金码关注 | 三d走势图基本走势图彩宝网 | 钱王点评 | 三地千禧试机号关注金码对应码 | 三d历史走势图 | 3d双胆独胆推荐 | 于海滨专家一语定胆十每日 | 于海滨3d预测牛彩网 | 北斗3d专家预测 | 近10期3d开奖结果 | 今日排三太湖钓叟字谜三字诀 | 3d真帝王杀码图 | 3d百个和值尾振幅走势图 | 于海滨海3d预测牛彩网 | 3d试机号今天开机号查询结果 | 今天的3d太湖字谜图 | 3d太湖字谜总汇大全 每天更新 | 3d预测牛彩网预测汇总 | 3d紫云涧专家预测推荐 | 今天晚上3d开奖 | 今天3d开机号和试机号多少? | 一定牛3d一注号推荐3d预测今天 | 3d今晚预测最新最准确号码牛彩网 | 3d预测最准的专家 | 3d下期预测最精准的一注号码 | 3d专家预测推荐号码 | 3d预测专家精准推荐号 | 于海滨海3d预测牛彩网 | 三d预测专家最新推荐 | 3d专家推荐| 千禧3d试机号金码关注码对应码今晚 | 3d预测最准专家预测号码 | 3D独胆老师命中率 | 3d今晚上推荐号码 | 今晚3d专家推荐号码是多少 | 3d独胆必下一独胆布衣正 | 3d今晚出的什么号 | 詹天佑3d今晚预测号码 | 3d推荐号今晚专家预测最准确 | 3d专家最新最准专家预测汇总 | 3d预测号码最准确专家预测 | 3d专家预测最准最新 | 小德3d今天双胆定位 | 今晚3d推荐号码 | 3d今晚最准专家预测号码 | 排五预测号专家 | 今晚精准一注3d | 3d最准确最新专家预测 | 最新3d预测专家预测 | 3d专家预测最准确今天南方双彩网 | 今晚3d预测专家预测号 | 今天3d牛彩网专家预测 | 3d直选综合走势图表图 | 3d今晚最准专家推荐号 | 3d推荐最新最准专家预测 | 中国杀码王绝对 | 三d十拿九稳预测号码 | 3d姜子牙一句定三码最准字谜汇总 | 今于海滨3d预测 | 今晚3d直选推荐 | 排三太湖钓叟字谜三字诀 | 3d免费预测 | 3d太湖专家预测今晚 | 3d太湖一语定胆字谜论坛 | 今天的3d推荐号码是多少 | 3d预测詹天佑最新 | 3d直选历史遗漏查询 | 3d詹天佑推荐号码 | 3D独胆明日推荐最新 | 3d试机号开机号关注号金码 | 陈华今晚就赌一个胆今天最新更新内容 | 今日3d马后炮解太湖字谜 | 3d藏机图正版藏机图汇总今天最新 | 3d中间号走势图振幅走势图 | 詹天佑3d推荐 | 3d推荐号今日预测 | 3d今日专家推荐 | 3d的预测号是多少 | 3d预测最准专家预测牛彩网 | 3d最准确的专家预测 | 牛彩预测汇总3d最新 | 3d和值走势图表综合版 | 3d百位定位走势图 | 中国福彩3D独胆实时精准预测 | 牛人独胆二天计划 | 福彩3D独胆下期走势最新 | 3d试机号开机号近50期 | 于海滨海3d杀码图 | 3d专家杀码天中图库 | 3d万能大底共250注直选 | 3d开机号试机号30期列表走势图 | 3d预测最准最新准专家预测 | 今于海滨3d预测今天单线联系 | 3d和值25点有哪几注 | 财神爷独胆三天计划,就这么牛 | 3d专家预测汇总牛彩网彩摘收集 | 于海滨3d预测专家今天 | 3d今晚预测准确的专家预测 | 3d专家最准确预测 | 今日3d一注推荐 | 于海滨海3d专家预测今晚一注 | 3d独胆双胆专家预测网 | 3d今晚预测直选一注3d一注预测 | 今日焰舞3d焰舞字谜汇总大全 | 3d字谜太湖最新 | 最准3d预测专家推荐号 | 今天3d推荐号码今晚预测 | 3d于海滨一语定胆《保真》 | 福彩3D独胆本期命中率 | 杀码大全汇总 | 3d湘西胆王今日字谜 | 3d小龙一句定三码今日字谜天中图 | 太湖试机号后一句定三码3d字谜 | 3d财神爷今晚独胆 | 3d下期预测最精准的一注号码 | 3d下期预测最精准的一注号码 | 3d今晚开奖号结果3b | 牛彩网3d预测 | 今天3d开机号和试机号 | 3d带线走势图牛彩网 | 于海滨3d杀码预测 | 3d最大值振幅走势图3之家 | 千禧试机号关注金码是什么 | 3d最精准专家预测汇总今天 | 3d之家独胆,双胆 | 3d大富好预测汇总 | 3预测,3d专家预测,最准确今天彩网 | 3d于海滨预测 | 3d百十和值尾振幅走势图 | 3d毒胆双胆三胆 | 3d独胆双胆专家预测网 | 3d今晚专家预测最准确一注 | 3D独胆大神杀号最新 | 3d太湖钓叟字谜三字 | 3d今晚开出什么号码 | 3d专家今天预测汇总 | 3d字谜太湖钓叟三字诀今天 | 排三平均值振幅走势图3d之家 | 3d专家预测最新最准 | 3d双胆神算今天最新 | 试机号开机号金码关注号对应码3d | 财神爷三天计划 | 福彩3D独胆下期走势最新 | 3d预测专家最准确的专家预测 | 3d今晚专家预测最准确一注 | 3d直选综合走势图 | 中国福彩3D独胆当天分析 | 3d专家推荐号码 | 3d今日号码推荐 | 3d近300期试机号和开奖号码 | 马后炮解3d太湖钓叟字谜总汇大全 | 于海滨一语定胆保真 | 3d今天开机号和试机号多少 | 福彩3D独胆今晚走势最新 | 3d今晚最准确一注 | 3d今天专家预测最准确 | 今天3d专家预测号码 | 3d经典小胆王 | 于海滨海3d最新预测 | 3d最近1000期走势图表综合版图片 | 今晚的3d试机号是多少 | 3d打一个独胆中了多少钱 | 3d最准预测专家预测汇总 | 3d最准确最新专家预测 | 今日3d专家预测号最准确 | 3d解太湖字谜汇总 | 3d今天专家推荐号码 | 3d试机号3d之家金码 | 今晚3d专家推荐号 | 3d中间值振幅走势图之家 | 3d精准定位专家预测 | 3d预测最准确专家预测 | 3d最精准专家预测汇总今天 | 今天3d出的什么号 | 3d今天开机号试机号200期 | 3d今晚专家推荐预测重点号码 | 3d今晚试机号是多少查询 | 十拿九稳预测专家分析 | 唐龙一胆今天最新 | 今晚3d的开奖号码 | 3d开机号试机号码牛彩网 | 太湖叟3d字谜湖字谜 | 3d解太湖字谜汇总精选 | 3d今晚专家预测推荐 | 3d爱心角落试后一注 | 詹天佑3d今晚预测号码 | 3d今日专家推荐号 | 3d单双走势图表 | 3d今晚预测直选一注 | 3d各路专家预测汇总大全最新 | 3d推荐号今晚专家预测最准确 | 3d独胆10中10 | 3d今天专家预测最准确 | p三杀码 | 3d各类和值最新谜字谜今天 | 3D独胆实时分析 | 3d十大专家汇总大全 | 3d布衣双胆独胆王 | 3d今晚预测最准确一注 | 3d和值尾振幅走势图彩宝贝 | 今晚3d专家预测 | 3d万能大底共250注直选 | 今晚3d号码开奖结果多少 | 3d独胆必下一独胆布衣正 | 张克永3d预测今天 | 一代女王决杀两胆免费观看 | 今晚3d推荐号码 | 今天3d开机号 和试机号 查询结果 | 3d藏机图完整版今天 | 今于海滨点评专家一语定胆 | 3d专家解今日太湖字谜汇总 | 十拿九稳十大专家预测汇总最新一期 | 3d试机号今天开机号查询结果 | 3d专家预测最准今天 | 于海滨最新3d预测推荐今天 | 3d预测专家最准确的专家预测今晚 | 3d推荐号今晚专家预测 | 今晚3d专家预测汇总 | 3d开奖号码结果 今晚 | 3d预测最准确的专家 | 今天3d专家推荐重点号码 | 3d中间最小两码差值振幅走势图 | 3d天中杀码图专区 | 中国福彩3D独胆独家必中 | 三地千禧开机号试机号金码关注 | 3d今天专家预测最准 | 3d最新专家预测汇总大全 | 三d今晚预测推荐十注 | 今天的3d开机号试机号 | 3d预测专家推荐号码推荐 | 3d单个冷号最大遗漏 | 3d直选一注必中 | 3d最新专家预测汇总大全 | 3d最大值振幅走势图彩经 | 福彩3D独胆下一期走势最新 | 3d专家今天推荐号 | 今天3d开机号和试机号牛彩网 | 3d各类和值最新谜字谜今天 | 3地独胆,毒胆双胆家彩网 | 3d专家预测最准最新 | 3d太湖字谜三字诀 | 今天3d推荐号码今晚预测 | 3d开奖号今晚 | 3d今晚预测100%| 3d预测专家最准确的专家预测今晚 | 3d定百位一个号多少钱 | 3d双胆独胆推荐 | 3d专家预测最准确今天南方双彩网 | 于海滨专家3d预测 | 詹天佑最新预测 | 今天龙头凤尾预测 | 3d今晚最准的一注 | 3d谜语字谜太湖天齐网 | 今日3d一句定三码和值谜食物全部 | 3d经典小胆王 | 今天三d专家推荐号码 | 3d十大专家杀一码汇总 | 3d今晚最准专家预测号码 | 3d今晚最准最新专家推荐号 | 詹天佑预测3d | 3d杀码高手| 3d大富好预测汇总 | 3d下期预测最精准的一注号码 | 3d今天专家预测最新最准 | 3d今天专家推荐号码推荐 | 3d和值尾振幅近100期走势图 | 3d于海滨上的今天杀码 | 3d最准专家预测号 | 排5预测,最准排五专家 | 3d牛彩网和值走势图 | 3d专家今天推荐号 | 3d最新专家预测汇总牛部长预测 | 钱王点评十钱王老头给胆 | 3d打一个独胆中了多少钱 | 专家预测3d号码准确 | 今天p3藏机图正版藏机图 | 3d最准确最新专家预测 | 今晚上3d开奖号码 | 3d专家预测最准确最新今天 | 今天的3d开机号和试机号查询 | 3d试机号后专家预测推荐汇总 | 唐龙点评3d预测今天 | 3d预测最新最准专家 | 《中国杀码王》3d | 3d今晚上专家推荐号 | 三d独胆王独胆双胆 | 3d双胆预测 | 3d近30期开机号试机号开奖号查询 | 3d图谜总汇字谜 | 3d今晚必出的一注 | 3d预测专家预测 | 龙彩居士3d预测今天最新版 | 3d天宇和值谜字谜 | 排3太湖钓叟字谜三字诀 | 3D独胆独家推荐 | 3d百十差振幅走势图 | 3d今晚专家推荐号 | 最新3d预测专家预测 | 97654天中图库,今天晚3d试机号 | 于海滨3d预测号 | 牛彩网杀码 | 于海滨海3d专家预测今天 | 3d今晚出的什么号 | 3d今晚必下一个胆 | 3d独胆预测 | 3d今晚开奖号结果3b | 3d今晚出啥号 | 3d今晚最准专家预测号码 | 牛彩网近30期3d开机号试机号 | 3d今日专家精准推荐号 | 3d专家预测最准确今天上一期 | 3d振幅和值尾走势图 | 3d今晚一注直选 | 3d开机号和试机号八仙选号 | 于海滨3d专家预测今天 | 千禧3试机号金码关注码金码 | 马后炮解3d太湖钓叟字谜总汇大全 | 3d北斗专家北斗预测今天079期3d | 中国福彩3D独胆今日精准预测 | 一定牛3d杀码| 千禧3d今天的试机号 | 最准的3d专家预测 | 今日3d马后炮解太湖字谜 | 直选三注必中一注3d | 3d今天的试机号和开机号 | 3d今晚预测最准确一注今天 | 3d火火人独胆双胆必中 | 自创3d绝杀四码方法细节 | 三地千禧开机号试机号金码关注 | 今日排五专家推荐与预测 | 3d预测号码最准最新准专家预测号 | 3d预测一注号推荐一3d预测一注今天 | 3d十大专家双胆预测汇总 | 3d今晚最准专家推荐号码 | 3d推荐号今晚专家预测 | 今天3d专家解太湖字谜汇总 | 最新3d预测专家预测 | 专家预测3d号码准确 | 今天3d开机号和试机号多少? | 3预测,3d专家预测,最准确今天彩网 | 詹天佑3d最新预测今天 | 陈华今晚就赌一个胆预测 | 3d最准专家预测方法 | 3d专家预测最准确今天 | 今晚3d预测推荐一注 | 3d专家预测推荐 | 3d专家预测号码手机牛彩网 | 千禧3d试机号金码关注码对应码 | 3d詹天佑预测分析牛彩网 | 3d绝杀二码今天最新更新内容 | 于海滨一语点评今日 | 于海滨3d专家预测今天 | 于海滨最新3d预测推荐今天 | 福彩3D独胆大神精准预测最新 | 今天专家推荐号码3d | 今天3d推荐号码今晚预测 | 3d十大专家双胆预测汇总 | 千禧3d试机号关注码今天 | 白鱼舟最新3d预测 | 3d今晚最准最新专家推荐号 | 3d玩胆先生双胆独胆 | 千禧3d试机号关注号 | 卫星电话最建议买的三个型号 | 3d玩彩老头预测今天号码 | 中国福彩3D独胆下期推荐推荐最新 | 千禧3d试机号金码今天关注码对应码 | 3d预测最准专家预测 | 3d今晚专家预测最准确一注 | 福彩3D独胆下一期走势最新 | 3d字太湖叟字谜 | 3d开机号试机号关注号金码对应码 | 3d走势图带试机号彩宝网 | 苦命人3d推荐一注 | 3d开机号试机号关注号金码对应码 | 今天专家推荐号码3d | 3d预测专家 | 3d和值尾振幅走势图50期 | 《金银胆神》金胆银胆3d最新一期开奖 | 3d专家预测汇总牛彩网 | 千禧开机号和试机号对应金码 | 福家老三3d推荐号 | 3d下期预测最精准的一注号码 | 3d最精准的专家预测 | 3d开机号试机号奖号 | 3d试机号后专家预测推荐汇总 | 3d基本走势图表 | 3d精准一注今天 | 最准3d预测专家推荐号 | 三码合一是什么意思? | 3d村独胆双胆3 | 3d试机号开机号今天查询排五 | 今天3d专家预测汇总 | 今日3d马后炮解太湖字谜 | 三天计划3d独胆论坛 | 今天3d开机号试机号牛彩列表 | 3d詹天佑最新预测今天 | 3d试机号后专家推荐汇总 | 3d基本走势图(专业版)近200期 | 今天3d开机号和试机号查询结果彩吧 | 3d试机号后专家预测汇总 | 今晚3d专家推荐号码是多少 | 3d预测最新最准专家推荐号码 | 今晚3d专家最精准的预测 | 3d预测号码最准最新准专家预测号家彩网 | 3d预测最准专家预测牛彩网 | 3d今天开机号试机号3 | 3d独胆一个| 今天太湖钓叟3d字谜三字诀 | 最准3d预测专家推荐号 | 3d条件预测专家专区 | 3d胆预测天齐网 | 3d百位四胆 | 2009年浙江风采3d走势图 | 3d专家詹詹天佑最新推荐 | 中国福彩3D独胆实时必中最新 | 今日3d预测号码推荐 | 今日3d钱王点评 | 近300期3d和值走势图 | 万能四码使用技巧 | 3d今晚专家推荐预测重点号码 | 3d开机号近30期列表彩宝网 | 3d试机号码开机号 | 3d预测总汇手机牛彩网 | 于海滨专家一语定胆十每日 | 3d预测专家最准确的专家预测今晚 | 北京胆王2彩吧图库 | 3d今天预测号 | 3d推荐号今晚专家预测 | 3d开机号试机号今天的 | 3d专家预测最准确| 3d专家最新最准专家预测汇总 | 今天3d必出一注 | 今天3d太湖钓叟字谜三字诀 | 3d经典小胆王 | 今天3d开机号和试机号查询结果彩吧 | 3d今天开机号和试机号322 | 3d独胆专家预测 | 3d预测最准最新牛彩网 | 牛彩网杀码大全 | 3d开机号和试机号今天 今晚 | 3d最精准一注一注 | 3d专家预测最准 | 3d试机号近30期牛彩网 | 中国福彩3D独胆高手命中率 | 北斗3d今日专家预测推荐 | 今天3d千禧试机号关注号金码号 | 今天专家推荐号码3d | 千禧3d试机号金码关注码杀码今天3d | 今天的3d太湖字谜 | 3d断组预测 | 北斗3d今日预测 | 3d单个冷号最大遗漏 | 3d今晚专家预测 | 3d最准一注(单挑王) | 今晚3d专家推荐 | 3d北斗今日预测 | 3D独胆最新分析 | 于海滨的今日预测 | 今日正版藏机图全部汇总239期 | 今日排五专家推荐与预测 | 三d预测专家最新推荐 | 3D独胆下期推荐分析最新 | 3d今天推荐号码 | 福家老三3d推荐号 | 3d推荐号今晚专家预测 | 中国福彩3D独胆当天走势最新 | 詹天佑3d最新预测今天 | 3d字太湖字谜 | 排三杀码想要 | 3d专家预测号 | 推荐一注3d号码 | 3d今日预测最准专家预测 | 3d红波蓝波走势图大中小 | 3d直选注| 3d下期专家预测 | 3d推荐最新最准专家预测 | 3d走势图专家推荐号码 | 3d彩宝贝试机号今天最新 | 今天3d开机号和试机号查询结果彩吧 | 3d百个差振幅走势图近100期 | 3d近100期开奖结果全部 | 今日3d开奖号太湖字谜总汇 | 万能三码的使用方法 | 今天3d开机号和试机号对应金码 | 3d百个位和值尾走势图 | 3d三胆推荐 | 3d预测詹天佑最新 | 3d试机号后专家预测推荐汇总 | 三d预测专家预测今天最新 3d专家预测最准最新今天 | 3d双胆神算今天必下 | 3d跨度振幅走势图3d专家 | 千禧今晚3d试机号关注码金码对应 | 中国福彩3D独胆今日走势最新 | 3d专家今日推荐号码 | 3d今日正版藏机图最新更新内容 | 3d专家今日推荐号码 | 2025315期3d开奖结果 | 今晚3d试机号千禧试机号金码关注 | 3d今日推荐号 | 三d胆| 3d单式怎么才算中奖 | 今于海滨3d预测今天牛彩网 | 3d走势图基本走势 | 3d牛哄哄解太湖字谜今天 | 今日3d藏机图正版藏机图310 | 3d徐文轩今晚推荐号码 | 于海滨3d预测 | 今日精准预测推荐3d号码 | 3d千禧试机号开机号金码 | 3d开机号和试机号今天 今晚 | 詹天佑最新预测3d | 3d于海滨一语定胆《保真》 | 3d推荐最新最准专家预测 | 陈华今天就赌一个胆3d | 3d预测最准最新牛彩网 | 今晚3d结果开奖号码 | 3d今天绕胆图彩之网 | 3d定胆技巧准确率100% | 3d精准预测最准的专家直选 | 3d单双走势图表(专业版) | 于海滨点评专家一注定胆保真版162期 | 3d彩吧图库44462 | 毒胆牛人三天计划必出 | 6+1专家预测号 | 于海滨海3d专家预测 | 3d预测专家推荐最准确 | 3D独胆独家推荐最新 | 快8今晚最毒胆推荐 | 3d独胆专家预测 | 3d开机号,试机号,金码号,对应码100 | 3d今晚推荐号 | 3d最小值振幅走势图3之家 | 直选三注必中一注3d | 千禧3d试机号金码关注码对应码今晚 | 今晚3d试机号码和开机号 | 3d孔方来萃解太湖字谜 | 3d预测最准的专家预测 | 马后炮解3d太湖字谜总汇大全 | 今日3d字谜太湖钓叟字谜正版 | 3d专家预测最准确今天 | 今日精准预测推荐3d号码 | 马后炮解3d太湖字谜总汇大全 | 3d定胆准确率100| 中国福彩3D独胆下期推荐 | 3d最新预测专家推荐 | 3d预测一注号推荐今晚 | 3d双胆大师 | 最精准杀码王 | 今日3d专家预测号最准确 | 3d专家预测最准确最新新闻 | 西施姐姐精心推算一独胆146 | 3d预测号最新最准牛彩网 | 3d预测最准的专家预测 | 3d今天开机号试机号3 | 今晚3d预测推荐一注 | 3d今晚专家预测最准确一注 | 3d十大专家汇总精选一注 | 3d近30期试机号和开奖结果 | 于海滨海3d预测今天 | 3d预测一注号推荐今晚 | 于海滨3d预测天齐网 | 钱王点评3d之家 | 3d专家今天预测一注 | 3d定胆王独胆定位 | 今日3d专家推荐号码 | 3d今天开机号,试机号 | 今日3d开奖号今晚 | 廊坊鸿运3d推荐今天 | 3d独胆双胆 | 3d鸿运坊预测号 | 3d最精准独胆王 | 3d独胆公式正确率在99%以上 | 3d预测今晚推荐号 | 福彩3D独胆下一期预测最新 | 今日3d太湖字谜三字诀排三开奖结果 | 3d杀码条件今天最准 | 陈华3d今晚就赌一个胆天齐网 | 于海滨海3d专家预测今天 | 正版真精华布衣天下今天推荐号码 | 高手看3d经典独胆组合 | 中国杀码王3d绝杀 | 3d预测今晚最准专家预测号码 | 3d试机号开机号今天晚上金码号 | 3d专家预测推荐 | 3d今日预测最准专家预测 | 今天3d开机号和试机号码是多少 | 3d专家预测最准确最新新闻 | 3d开机号和试机号200期列表 | 3d任意两码差值尾走势图 | 3d今天最新最准专家预测最 | 3d廊坊鸿运| 陈华今晚就赌一胆今天最新 | 今晚3d推荐号码 | 3d今晚和值推荐 | 3d预测最准确的专家预测软件 | 3d陈华就赌一个胆天齐网 | 3d十大专家杀跨度汇总 | 3d今晚预测最新最准确号码牛彩网 | 今日3d字谜太湖钓叟字谜正版 | 3d精准一注 | 3d专家预测最准确今天上一期 | 3d字谜太湖最新 | 3d专家预测最新最准 | 3d预测号最新最准牛彩网 | 福彩3D独胆今晚走势最新 | 3d和值尾振幅走势图近50期 | 三d牛彩网开机号试机号是多少 | 3d谜语字谜太湖天齐网 | 3d预测今日最新推荐 | 3d彩报图今天的第五版 | 3d基本走势图 综合 太湖三字诀字谜三 | 专家预测3d号码准确 | 顶级胆神双胆必下 | 千禧3d关注码 | 3d最精准的专家预测精选 | 3d预测最准确的专家 | 3d今天开机号和试机号322 | 于海滨海3d专家预测今晚一注 | 3d推荐最新最准专家预测 | 3d太湖字太湖字谜今天 | 3d今天晚上预测最准专家 | 3d鸿运坊预测号 | 福彩3D独胆明日分析最新 | 3d预测今日最新推荐 | 3d试机号开机号今天金码关注 | 中国福彩3D独胆实时精准预测 | 3d专家预测汇总牛彩网收集汇总 | 于海滨3d专家预测 | 3d独胆王精准100% | 3d直选一注50倍单挑 | 今天3d开机号和试机号 | 3d精准定位专家预测 | 3d最准预测专家汇总大全 | 3d最新专家预测汇总大全 | 3d专家预测最准确今天南方双彩网 | 彩坛老顽童3d独胆 | 今晚3d精准一注直选 | 张克永专家3d预测 | 3d单双走势图表 | 3d和值尾金木水火土走势图 | 3d预测最准最新准专家预测 | 3d专家今天预测汇总 | 3d今晚推荐号码最新 | 3d千禧试机号金码关注码对应码 | 3d于海滨上的今天预测保真 | 3D独胆下期预测 | 今晚3d精准一注直选 | 3d预测最新最准3d之家 | 3d专家预测最准确最新今晚预测 | 中国福彩3D独胆最新推荐最新 | 3d今晚专家推荐号 | 3d预测专家最准确今天 | 3d金码开机号和试机号 | 千禧试机号金码今天的 | 3d最新专家预测汇总 | 3d陈华今晚就赌一胆o11预测 | 牛彩网3d预测分析汇总大全 | 十拿九稳预测最准100% | 今晚上的3d开奖号 | 飞向阳光龙头凤尾今天最新消息 | 3d字谜太湖解| 今晚3d开机号试机号金码关注码 | 于海滨3d预测免费 | 今天3d马后炮解太湖字谜汇总 | 3d开机号和试机号正版彩吧 | 3d今晚最准最新专家推荐号 | 马后炮解3d太湖钓叟字谜总汇大全 | 3d预测最准专家预测 | 3d双飞怎么买多少钱一注 | 中国福彩3D独胆今日走势最新 | 3d今晚专家推荐预测重点号码 | 3d神仙姐姐独胆一个 | 3d今晚专家推荐号 | 今日3d太湖字谜每天更新 | 3d十大专家汇总精选一注 | 3d今晚专家推荐预测重点号码 | 3d今晚最准最新专家推荐号 | 3d湘西胆王今日字谜 | 3d今晚上必出号推荐组 | 于海滨预测3d号 | 3d预测最准专家预测牛彩网 | 中国福彩3D独胆最新推荐最新 | 3d专家预测号 | 钱王点评3d之家 | 于海滨海3d专家杀码 | 唐龙点评每日一胆龙 | 飞向阳光龙头凤尾今天最新消息 | 3d预测天齐网 | 3d个位走势图图表 | 3d于海滨上的今天预测保真 | 3d十大专家推荐号码汇总 | 3d今天预测最准确专家 | 3D独胆实时分析 | 3d詹天佑最新预测牛彩网 | 3d布衣双胆独胆王 | 3d预测专家最准确 | 3d精准预测最准的专家直选 | 3d今晚最准的一注 | 3D独胆专家分析 | 千禧3d试机号关注码金码试机号 | 中国福彩3D独胆下期推荐杀号最新 | 3d詹天佑预测分析牛彩网 | 神仙姐姐独胆一个 | 今日3d太湖字谜每天更新 | 3d最新专家预测汇总大全 | 今于海滨点评专家一语定胆 | 3d专家预测号码推荐今天 | 3d今晚专家预测推荐 | 牛人独胆二天计划 | 3d专家预测推荐号码 | 排五预测号专家 | 3d太湖字谜图谜总汇 | 3d今天专家预测号码 | 3d专家推荐号最准确的推号 | 三d字谜图谜总汇牛彩网 | 3d字谜太湖最新 | 3d和值尾振幅走势图3d走势3d之家 | 西施姐姐就赌一个独胆 | 牛彩预测汇总3d最新 | 拼搏在线3d开机号和试机号列表 | 今晚3d专家预测精选一注 | 3d邻孤传走势图乐彩 | 3d千禧试机号金码关注码对应码 | 今天买哪三个号码好 | 3d带专业连线走势图 | 3d预测专家推荐 | 今日3d太湖字谜三字诀试机号 | 3d预测最新最准专家 | 家彩专门提供3d试机号开机号 | 3d今晚推荐号码最新 | 3d直选历史遗漏查询 | 3d独胆必下一独胆3d独胆预测 | 中国福彩3D独胆独家必中 | 三d今日预测 | 3d预测最准的专家预测 | 今晚3d专家推荐号码是多少 | 3d今天专家预测最新最准 | 今天3d必出一注 | 3d专家推荐今天 | 今晚3d天宇一句定三码字谜 | 3d今晚预测最准确一注 | 牛彩网3d预测汇总大全手机版下载 | 3d和值25点有哪几注 | 于海滨海3d预测牛彩网 | 带头大哥3d预测今晚 | 于海滨专家一语定胆十好心人 | 于海滨专家3d今天预测 | 3d开机号试机号30期列表走势图 | 3d今天推荐号码是多少 | 3d今日推荐号 | 我是毒胆王,今晚独胆 | 3d今晚最新预测 | 3d今晚专家预测推荐 | 今日精准预测推荐3d号码 | 太湖3d字谜图谜总汇 | 3d今晚预测直选四注 | 3d今晚专家预测最准确号码 | 3d千禧试机号金码关注码对应码 | 祖师爷独胆三天计划 | 于海滨点评专家一注定胆保真版162期 | 三d牛彩网开机号试机号是多少 | 陈华3d今晚赌独一胆天齐网 | 今天3d专家推荐号 | 布衣杀码图3d杀码 | 3d太湖钓叟字谜三字诀乐彩论坛 | 3d和值尾金木水火土走势图 | 3d试机号开机号今天查询排五 | 3d和值谜汇总大全 | 3d牛彩网专家预测 | 3d十大专家推荐号码汇总 | 千禧3d今晚的试机号码 | 3d长中剑客预测今天 | 3d今晚最准最新专家推荐号 | 3d今晚必出一注100%准确直选推荐 | 3D独胆本期推荐最新 | 3d最精准专家预测汇总今天 | 3d今日开机号和试机号及关注码 | 千禧3d开机号试机号金码 | 3d十大专家汇总精选一注 | 三d独胆| 3d今晚预测最准确一注 | 孟庆会专家3d预测 | 3d最新最准专家预测号码 | 3d最晚间字谜汇总大全 | 毒胆牛人三天计划必出 | 3d专家推荐最精准的号码 | 三d预测专家最新推荐 | 神仙姐姐今晚杀码 | 3d今日专家推荐号 | 中国福彩3D独胆明日推荐 | 3d至尊计划独胆 | 3d今天试机号开机号金码 | 3d太湖专家预测今晚 | 3d专家预测最准确最新今天牛彩 | 3d专家预测独胆最准确 | 3d胆王双胆独胆 | 今日3d开机号和试机号关注码千禧 | 3d预测最精准一注 | 3d开机号和试机号金码和关注码 | 今日3d开机号和试机号列表三十期 | 3d一定牛专家预测推荐 | 唐龙点评3d预测 | 3d今天专家预测推荐号码 | 3d字谜历史记录 | 3d开奖号码结果 今晚 | 3d独胆必下一独胆准 | 今天3d开机号关注号试机号金码 | 3d最准确预测专家 | 今天龙头凤尾预测 | 3d杀码图汇总 | 3d今日预测最准专家预测 | 3d千禧试机号关注金码30期 | 3d专家最准确预测 | 3d预测最准最新准专家预测号码 | 3d今天开机号和试机号开奖结果 | 3d独胆双胆专家预测网 | 今晚3d天宇一句定三码字谜 | 3d最新专家预测推荐 | 3d预测专家最准确今天 | 3d太湖字谜总汇大全 每天更新 | 3d专家预测最准确最新新闻 | 3d布衣独胆双胆必下一 | 3d预测号码最准最新准专家预测号家彩网 | 3d专家预测最准确今天上一期 | 3d最准确专家预测 | 三地千禧开机号试机号金码关注 | 今晚3d专家最精准的预测 | 十大专家3d预测汇总 | 3d预测专家推荐号码 | 今日排五专家推荐与预测 | 于海滨一语点评今日 | 3d专家预测最准最新 | 3d两胆王| 3d今天预测最准确专家 | 3d走势图专家推荐号码 | 3d预测 下一期 3d预测专家 3d预测 | 专家彩宝贝预测汇总 | 3d开机号和试机号是多少 | 今晚3d专家推荐号码是多少 | 牛兄双胆 | 3d陈华今晚就赌一胆天齐网 | 3d之家预测专家预测 | 唐龙3d预测 | 3d任意两码差值尾走势图 | 3d红波蓝波走势图大中小 | 3d今晚100倍 万能三码的使用方法 | 今日3d字谜太湖钓叟字谜正版 | 三d预测牛彩网汇总 | 今天3d开机号试机号对应码列表 | 3d晚秋和值谜字谜图 | 3d近30期开机号试机号开奖号查询 | 牛人高手【3d精选】 | 3d单选一注能中多少钱 | 3d专家预测最准今天 | 中国福彩3D独胆下期最新必中最新 | 今日3d杀码最新 | 3d今晚开奖号结果3b | 家彩专门提供3d试机号开机号 | 今天3d开机号和试机号码是多少 | 3d真实的谎言字谜总汇正版 | 3d专家预测推荐 | 3d专家杀码天中图库 | 3d杀码一定牛 | 3b千喜今天试机号关注金码 | 今天专家推荐号码3d | 今日3d开机号和试机号关注码千禧 | 3d手机牛彩网专家预测 | 今日3d预测号码推荐 | 千禧关注码试机号金码 | 3d开机号和试机号9.30分 | 3d今晚最准专家推荐号码 | 千禧3d今晚的试机号码 | 3d专家预测最准确今天南方双彩网 | 3d字谜图谜总汇全图汇总 | 3d专家预测推荐号码 | 福彩3D独胆今晚走势最新 | 钱王点评钱王老头预测 | 中国福利3d今天模拟试机号 | 3d天宇和值谜字谜一句定三码 | 3d十大专家杀跨度汇总 | 今晚3d专家推荐重点号码 | 中国福彩3D独胆下期最新必中 | 3d布衣独胆王 | 3d谜语解太湖字谜 | 天才三天独胆计划 | 3d专家预测最准确号码 | 3d专家推荐最精准的号码 | 3d太湖字谜一语定胆 | 十拿九稳今天预测专家 | 3d专家预测最准确最新今天牛彩 | 3d一定牛专家预测推荐 | 龙头凤尾今日预测 | 3d今天专家预测推荐号码 | 3d和值尾振幅走势图近50期 | 马到成功杀两码最新版本更新内容 | 3d各类和值谜追加汇总 | 3D独胆独家推荐最新 | 三d今日太湖字谜解 | 3d开机号和试机号金码关注 | 3d今晚专家推荐号 | 3d预测最准确专家预测 | 于海滨专家预测3d | 3D独胆明日精准预测 | 3d杀码专家杀码 | 3d走势图基本走势图表 | 3d走势图和值振幅 | 中国福彩3D独胆实时精准预测 | 千禧金码关注码试机号 | 太湖字谜三字诀论坛 | 3d预测专家精准推荐 | 3d最准专家预测号 | 3d基本走势图综合 | 今晚解太湖3d字谜 | 3d紫云涧专家预测推荐 | 3d最新专家预测汇总 | 3d今晚预测直选四注 | 3d今天绕胆图彩之网 | 白姐3d今天预测号码 | 3d试机号开机号近50期 | 3d今天开机号试机号牛彩网 | 苦命人3d推荐一注 | 财神爷三天计划独胆组合 | 3d今天中了多少注直选 | 3d陈华今晚独胆推荐 | 福彩3D独胆下一期走势最新 | 中国福彩3D独胆专家推荐最新 | 3d预测今晚最准专家预测号码 | 3d千禧开号试机号关注金码对 | 3d马前屁解太湖字谜 | 詹天佑3d今天预测分析 | 解太湖3d字谜太湖 | 钱王点评+钱王老头预测 | 3d专业版(走势图带连线) | 今晚3d开奖结果是多少 | 今晚3d天宇一句定三码字谜 | 3d直选一注必中 | 卫星电话最建议买的三个型号 | 3d今天专家推荐 | 3d玩彩老头预测今天号码 | 今天专家推荐号码3d | 三d便民字谜图谜总汇 | 下一期专家预测号码 | 今晚开奖号码3d开奖结果 | 今日期3d太湖字谜 | 3d牛彩网字谜图谜总汇九 | 今晚3d开机号试机号金码关注码 | 3d免费预测汇总牛彩网 | 今天3d专家预测号码 推荐 | 3d形态预测静态版 | 中国福彩3D独胆高手命中率 | 福彩3D独胆今日走势最新 | 今晚解太湖3d字谜 | 3d彩报图今天图库彩吧 | 3d之家,专家预测预测 | 3d今天开机号试机号100期 | 排三专家杀码 | 三地千禧关注码试机号 | 孟庆会3d预测今天 | 今日3d太湖字谜三字诀试机号 | 3d顶级胆神双胆 | 开心毒胆王今晚独胆 | 中国福彩3D独胆当天精准预测 | 3D独胆明日精准预测 | 詹天佑推荐3d | 3d顶级胆神双胆 | 于海滨杀码今天最新版 | 3d预测今晚最准专家预测号码 | 千禧3d试机号关注号 | 3d直选一注今天 | 今日3d专家推荐号码 | 今天3d开机号关注号试机号金码 | 苦命人3d推荐一注 | 西施姐姐就赌一个独胆 | 3d百十和值尾振幅走势图 | 3d和值尾遗漏走势图 | 中国福彩3D独胆下期最新必中 | 3d两胆王双胆必下 | 3d大老人预测| 于海滨点评专家一注定胆保真版162期 | 于海滨3d彩吧图库 | 3d专家预测推荐号最新 | 今晚3d号码开奖结果多少 | 今天3d开机号和试机号多少? | 今日3d预测| 今日3d蓝仙子一句定三码字谜 | 中国福利3d今天模拟试机号 | 近300期3d和值走势图 | 中国福彩3D独胆明日推荐 | 3d和值走势图(带连线图) | 今天彩报中心 3d图库 | 陈华今晚3d赌一胆天齐网 | 3d预测最新最准3d之家 | 3d今日开机号和试机号及关注码 | 3d今晚预测准确的专家预测 | 3d预测詹天佑最新 | 3d今晚上专家推荐号 | 3d今天晚上预测最准专家 | 十拿九稳预测专家分析 | 3d就打一个胆中了多少钱 | 3d独胆双胆独胆3d之村 | 3d专家最新最准专家预测汇总 | 3d今日推荐号| 十拿九稳预测专家分析 | 3d预测最新最准专家推荐号码 | 今天3d藏机图正版藏机图藏机图太湖横屏 | 今于海滨3d预测今天牛彩网 | 3d最大值振幅走势图遗漏 | 解太湖3d字谜太湖 | 福彩3D独胆老师杀号最新 | 最准3d专家预测推荐 | 今晚3d预测最准一注 | 今天3d金码试机号对应码开机号 | 3d小红人三天计划 | 3d杀码图专区,杀码图 | 3d真实的谎言正版和值字谜 | 于海滨今日杀码图最新 | 3d预测最准最新准专家预测号码 | 3d双胆,独胆非常非常稳定 | 福彩3D独胆最新必中最新 | 2025排五守号推荐 | 3d试机号后专家预测推荐汇总 | 今于海滨3d预测今天275 | 中国福彩3D独胆今晚分析 | 北京胆王2彩吧图库 | 牛彩预测汇总3d最新 | 北斗3d今日专家预测推荐 | 3d经典毒胆| 今晚3d推荐号 | 3d专家推荐号 | 3d今晚专家预测最准确一注 | 今天3d的开机号和试机号是多少号 | 3d和值尾振幅走势图专业版 | 中国福彩3D独胆今晚走势最新 | 3d正版藏机图天齐网汇总 | 3d太湖字谜今天 | 3d十大专家精准预测汇总 | 中国福彩3D独胆大神命中率 | 3d跨度振幅走势图3d专家 | 中国杀码王绝对 | 直选三注必中一注3d | 3d跨度振幅走势图3d专家 | 千禧3试机号金码关注码金码 | 于海滨3d预测今天 | 3d万能大底共250注直选 | 3d试机号近30期牛彩网 | 3D独胆下期最新精准预测 | 3D独胆实时推荐 | 3d开机号,试机号,金码号,对应码100 | 3d开机号和试机号今天金码关注号 | 3d楚人今晚预测今天 | 3d预测专家最准最新 | 太湖字谜钓叟3d字谜 | 3d专家预测于海滨 | 最准3d专家预测推荐 | 3d北斗专家北斗预测今天079期3d | 今天3d千禧试机号关注号金码号 | 今晚于海滨海3d预测3d | 3d千禧试机号关注号金码号开机号 | 3d预测最准确专家预测 | 今天3d开机号关注号试机号金码 | 试机号开机号金码关注号对应码3d | 今天3d开机号和试机号多少? | 3d今晚开奖号是多少 | 3d今晚专家预测推荐号 | 千禧p3试机号关注号金胆对应号 | 3d专家今日推荐号码 | 3d四码直选多少钱一注 | 今天3d藏机图正版藏机图藏机图太湖横屏 | 3d三天计划独胆王 | 3d陈华今晚就赌一胆天齐网 | 3d太湖专家预测今晚 | 3d均值振幅走势图表图 | 3d于海滨一语定胆《保真》 | 李明启3d最新预测今天 | 预测3d今晚开奖号 | 今晚3d开奖号试机号 | 3d今晚推荐号码最新 | 3d专家预测最准确最新汇总 | 今晚3d的试机号是 | 3d今天专家预测推荐号码 | 3d推荐号今日预测 | 3d詹天佑预测分析牛彩网 | 彩宝贝十大专家杀蓝号 | 3d专家最新最准专家预测汇总 | 3d字谜历史记录 | 专家预测3d号码准确 | 3d预测专家精准推荐号 | 3d今天专家推荐号码 | 3d组选中一注多少钱 | 3d预测专家最准确的专家预测 | 三地千禧试机号关注金码对应码 | 今天最新3d开机号试机号 | 今日3d藏机图汇总 正版 新版 | 太湖3d字谜今天的 | 福彩3D独胆大神精准预测 | 3d今晚推荐号 | 3d千禧试机号开机号金码 | 3d千禧试机号金码关注码对应码 | 3d今晚专家预测最准确一注 | 3d专家今天推荐号 | 预测3d今晚开奖号 | 3d精准预测最准的专家 | 3d最近1000期走势图表综合版图片 | 三地杀码高手 | 福彩3D独胆最新必中最新 | 3D独胆团队精准预测最新 | 3d今晚开奖号码结果是多少 | 3d今晚和值推荐 | 3d今天专家推荐 | 今天3d专家预测号码 推荐 | 3d开机试机号金码号关注号 | 3d独胆预测 | 3d今晚预测最准确一注 | 3d最精准的专家预测精选 | 3d牛彩网专家预测 | 3d今晚上专家推荐号 | 3d个位走势图表 | 3d预测最准确专家预测 | 3d布衣独胆双胆必下一 | 3d最准的独胆毒胆独胆 | 3d开机号试机号30期列表走势图 | 三d十拿九稳预测号码 | 3d最准确最新专家预测 | 3d今天精选五注 | 3d藏机图正版藏图汇总大全 | 今天晚上三d开奖结果 | 张克永专家3d预测 | 3d晶晶必下一独胆今天 | 3d预测今晚最准专家预测号码 | 一代女王杀两胆 | 超级毒胆| 3D独胆实时分析 | 3d预测专家推荐最新 | 3d专家预测最准最新 | 小红人的计划三天计划 | 于海滨3d专家预测今天 | 3d胆王帅哥独胆双胆 | 玩彩独胆王三天计划 | 3d直选走势图(专业版) | 2025315期3d开奖结果 | 3d两胆王双胆必下 | 3d今晚专家预测推荐号 | 詹天佑3d预测推荐 | 唐龙一胆今天最新 | 中奖开奖结果3d | 3d杀码于海滨 | 3d试机号今晚牛彩网 | 小德3d今天双胆定位 | 3d布衣独胆双胆必下一 | 3d藏机图正版藏机图汇总今天最新 | 3d千禧试机号和金码关注 | 3d专家预测最准最新今天 | 千禧3d今天的试机号 | 今天3d专家解太湖字谜汇总 | 3d绝杀二码今天最新更新内容 | 3d千禧试机号关注金码30期 | 3d胆王双胆独胆 | 今晚3d专家预测精选一注 | 3d于海滨上的今天预测保真 | 3d今晚专家预测推荐 | 快8今晚最毒胆推荐 | 于海滨今天3d预测 | 3d计算公式 | 中国福彩3D独胆团队命中率最新 | 3d专家预测最新 | 3d谜语今天字谜今天的3d字谜是什么? | 3d紫云涧专家预测推荐 | 3d十大专家汇总精选一注 | 3d试机号后专家预测汇总手机网 | 3d和值基本走势图表 | 3d平均值走势图振幅3d之家 | 3d专家预测最准今天 | 3d今天开机号试机号码 | 3d于海滨上的今天预测保真 | 3d火火人独胆双胆必中 | 《金银胆神》金胆银胆3d最新一期开奖 | 3d预测牛彩网 | 《天才计划》三天计划独胆3d | 3d独胆专家预测 | 3d谜语解太湖字谜 | 3d精准预测最准的专家直选 | 三d今日太湖字谜解 | 马后炮解3d太湖字谜总汇大全 | 3d机选一注 | 3d直选历史遗漏查询 | 3d独胆专家推荐独胆 | 3d今晚预测最新最准确号码牛彩网 | 于海滨3d杀码 | 今晚3d专家最精准的预测 | 天齐网3d首页保真版3d预测 | 3d预测最准的专家预测 | 于海滨专家预测3d两吗 | 开机号试机号3d今天 | 今日3d专家预测号码推荐 | 今晚3d专家最精准的预测 | 3d今天专家预测号码 | 3d千禧试机号关注码金码是什么 | 今日3d专家预测号最准确 | 3d预测最新最准专家 | 杀码王杀码| 于海滨专家3d今天预测 | 3d今晚最准专家预测号码 | 3d今晚专家预测 | 于海滨海3d专家预测今晚一注 | 3d预测 下一期 3d预测专家 3d预测 | 钱王点评十钱王老头给胆 | 今晚3d专家推荐号码 | 今日太湖字谜3d总汇 | 3d预测最准最新准专家预测 | 牛人独胆三天计划 | 今天3d开机号和试机号多少? | 3d今天专家预测推荐号码 | 3d今天最准专家预测 | 3d推荐号今晚专家预测 | 千禧3d试机号金码今天关注码对应码 | 3d最精准专家预测汇总今天 | 3d独胆专家推荐独胆 | 今日3d杀码最新 | 今晚3d结果 | 3d预测号码最准确专家预测 | 3d最近1000期走势图表综合版图片 | 3d今晚必中一注一 | 最准3d预测专家推荐号 | 3d财神爷独胆双胆双飞计划三天 | 3d老炮子直选三注 | 今晚必中一注i | 飞向阳光龙头凤尾今天最新消息 | 2014年359期3d焰舞字谜 | 3d两胆精准预测 | 3d北斗专家北斗预测今天079期3d | 3d今晚最准专家预测号码145 | 福彩3D独胆大神必中最新 | 福彩3D独胆独家命中率最新 | 3d千禧试机号关注码金码今天晚 | 3d专家预测汇总大全 | 3d和值振幅走势图彩宝贝 | 3d专家预测汇总牛彩网 | 3d彩吧试机号今天最新 | 3d北斗专家北斗预测今天079期3d | 3d专家预测最准最新 | 3d今晚专家推荐预测重点号码 | 千禧3d试机号关注码金码今天的 | 3d詹天佑最新预测牛彩网 | 3d字太湖叟字谜 | 今天的3d开机号和试机号查询 | 今日3d专家预测总汇 | 解今日太湖3d字谜 | 今天3d专家推荐重点号码 | 3d汇总牛彩网 | 3d今晚专家预测最准确一注 | 中国福彩3D独胆下期推荐推荐最新 | 3d专家预测号码最准确 | 3d太湖一语定胆字谜论坛 | 3d今晚专家推荐号 | 3d最准预测专家推荐 | 乾坤三天计划独胆预测 | 三d牛彩网开机号试机号是多少 | 3d试机号今天开机号查询结果 | 3d太湖字谜总汇总(正版) | 3d武当玉女掌门一句定三码字谜 | 3d走势图专家推荐号码 | 3d精准预测推荐 | 3d今天开机号和试机号查询100期 | 今日3d开机号和试机号关注码千禧 | 3d下期预测最精准的一注号码 | 3d双胆神算今天最新 | 3d连线走势图表图 | 3D独胆团队精准预测最新 | 3d海滨点评一语定胆今天最新推荐 | 3d两胆精准预测 | 3d旧版基本走势图表 | 周星星3d预测手机牛彩网 | 3d百十个位杀码家彩网 | 3d于海滨预测预测牛彩网 | 千禧试机号金码关注号对应码杀码 | 3d六大专家杀码汇总 | 3d今晚开奖号码结果是多少 | 3d跨度分位走势图图感觉 | 3d彩吧图库44462 | 十拿九稳预测专家分析 | 毒胆牛人三天计划必出 | 3d最新专家预测精选一注 | 今日正版3d藏机图全部汇总 | 3d预测号码最准确专家预测 | 3d今日预测最准专家预测 | 3d今天开机号和试机号322 | 廊坊鸿运3d | 3D独胆本期命中率 | 3d手机牛彩网专家预测 | 3d平均值走势图振幅3d之家 | 3d预测最准确的专家 | 十拿九稳预测专家分析 | 3d今日预测最准专家预测 | 3d近30期开机号试机号牛彩网 | 于海滨海3d专家预测 | 3d今晚预测准确的专家预测 | 3d专家预测最准确最新今天牛彩 | 中国福彩3D独胆团队命中率最新 | 唐龙一胆今天最新 | 今日3d专家预测号码推荐 | 3d今晚最准专家推荐号 | 3d百位走势图带连线图表专业版 | p3千禧试机号关注金码 | 3d字太湖叟字谜 | 福彩3D独胆老师走势最新 | 牛彩网预测3d | 3d詹天佑预测分析牛彩网 | 中国杀码王 | 排五开机号试机号今天查询 | 3d太湖字谜字谜汇总 | 3d海滨点评一语定胆今天最新推荐 | 牛人独胆二天计划 | 3d预测今晚最准专家预测号码 | 福彩3D独胆本期推荐 | 福彩3D独胆下一期走势最新 | 中国福彩3D独胆实时推荐 | 3d最准预测专家预测汇总 | 今天专家推荐号码3d | 3d最准预测专家预测大 | 3d今晚预测100% | 毒胆牛人三天计划必出 | 今天3d开机号试机号牛彩网 | 3d千禧今晚试机号码 | 千禧p3试机号关注号金胆对应号 | 于海滨海3d专家预测今晚一注 | 3d今天最准专家预测 | 2014年359期3d焰舞字谜 | 于海滨杀码图牛彩 | 3d双胆独胆非常非常 | 3d开机号和试机号今天金码0 | 3d毒胆双胆三胆 | 十拿九稳预测最准100% | 牛兄双胆 | 3d天中杀码图专区 | 廊坊鸿运3d最新预测 | 3d预测最准最新准专家预测 | 于海滨3d预测今天 | 3d今天最新最准专家预测最 | 3d专家詹詹天佑最新推荐 | 3d精准预测最准的专家直选 | 3d走势图带连线图表 | 3d杀码最准确 | 今日3d最准开机号 | p3千禧试机号关注金码 | 3d预测专家推荐号码推荐 | 3d预测最准的专家预测 | 北斗3d今日专家预测推荐 | 今晚了3d开奖结果 | 3d独胆预测必下一胆 | 3d免费精准直选三注 | 今天3d开机号和试机号牛彩网 | 三d便民字谜图谜总汇 | 3d字谜今日字谜总汇 | 3d每天都有开奖吗 | 3d詹天佑预测分析牛彩网 | 专家精准预测3d号 | 今天3d双双独胆字谜 | 3d孙大财就赌一个胆 | 3d最准的预测专家 | 辽宁独胆王三天计划 | 3d最新最准预测号码今天 | 于海滨海3d专家预测 | 3d最准确最新专家预测 | 3d开机号今天近100期南方查询 | 3d专家预测牛彩网 | 中国福彩3D独胆专家精准预测最新 | 3d条件预测专家专区 | 3d预测今晚推荐号 | 3d双胆神算今天必下 | 3d杀码一定牛 | 3d今晚预测最准确一注今天 | 今日3d专家预测总汇 | 3d今晚预测最准确一注今天 | 于海滨今天预测 | 陈华3d今晚就赌一个胆 | 3d预测号码最准确专家预测 | 3d最准预测专家预测汇总 | 唐龙点评每日一胆龙 | 3d今天专家推荐号码推荐 | 3d预测最准的专家预测 | 3d和值尾振幅走势图专业版 | 3d十大专家精准预测汇总 | 排三专家杀码 | 3d今天推荐号码 | 3d千禧开号试机号关注金码对 | 3d字谜图谜总汇 | 3d专家最新最准专家预测汇总 | 中国福利3d今天模拟试机号 | 3d双胆独胆非常稳 | 3d于海滨一语定胆《保真》 | 3d预测推荐汇总牛彩网采摘收集 | 3d今天专家预测最准确 | 李明启3d预测最新号码 | 3d专家今天预测汇总 | 钱王点评钱王老头预测 | 于海滨3d预测免费每日精选 | 福彩3D独胆实时走势 | 3d今晚最准最新专家推荐号 | 3d最新最准专家预测号码 | 3d最精准专家预测汇总今天 | 于海滨海3d预测保真 | 解3d字谜太湖钓叟汇总 | 3d下期预测最精准的一注号码 | 3d独胆双胆专家预测网 | 今天晚上3d开奖结果 | 牛彩网3d走势图表 | 下一期专家预测号码 | 辽宁独胆王三天计划 | 3d姜子牙一句定三码最准字谜汇总 | 3d最准预测专家推荐 | 于海滨3d预测天齐网 | 3d今晚上必出号推荐组 | 3d试机号后专家预测汇总手机网 | 福彩3D独胆今晚必中最新 | 今日太湖字谜3d字谜太湖钓叟 | 3d专家预测推荐号最新 | 3d预测专家最准确的专家预测今晚 | 3d今天绕胆图彩之网 | 3d今晚专家预测推荐号 | 3d今于海滨杀码图 | 3d预测专家预测 | 3d专家预测最准确最新今天 | 3d预测今晚推荐号 | 太湖3d字谜图谜总汇 | 3d预测一注号推荐一3d预测一注今天 | 3d独胆双胆专家预测网 | 3d两胆必出方法 | 3d千禧试机号金码关注码 | 3d太湖钓叟字谜三字诀了3d开奖 | 今天3d推荐号码今晚预测 | 3d预测牛彩网预测汇总 | 3d预测图| 3d今晚预测一注 | 3d预测专家最准确的专家预测昨天 | 3d红波蓝波走势图大中小 | 3d今天专家推荐 | 3d专家预测最准最新 | 千禧开机号和试机号对应金码 | 3d十大专家预测汇总 | 今天太湖字谜三字诀是什么 | 3d预测专家精准推荐 | 下一期专家推荐号码 | 3d今天开机号试机号100期 | 3d专家推荐号最准确的推号 | 3d开机号试机号关注号金码对应码 | 3d北盟天机图藏机图 | 3d预测今晚最准专家预测号码 | 千禧3d试机号金码关注码码关注码双彩论六个 | 预测3d| 十拿九稳今天预测专家 | 于海滨3d免费预测最新的 | 3d预测推荐汇总牛彩网采摘收集 | 3d今天开机号试机号对应码关注码 | 三d预测专家最新推荐 | 中国福彩3D独胆独家必中 | 3d牛彩网专家汇总汇总大全 | 3d今晚开奖结果走势图 | 3d最新准专家预测 | 3d预测专家最准确的专家预测今晚 | 3d试机号后专家推荐汇总 | 3d组选中一注多少钱 | 小红人的三天计划最新版 | 陈华3d今晚赌独一胆天齐网 | 3d牛彩网试机号后专家预测汇总 | 3d今晚专家预测重点号码 | 3d直选100%中奖绝技软件 | 3d于海滨预测预测牛彩网 | 牛彩网近30期3d开机号试机号 | 3d今晚专家预测最准确一注 | 千禧3d试机号金码关注码杀码今天3d | 于海滨海3d预测今天 | 3d预测专家最准确的专家预测今晚 | 3d大老人预测 | 3d詹天佑最新预测今天 | 今晚3d专家预测精选一注 | 3d杀码预测 | 今晚解太湖3d字谜 | 中国福彩3D独胆专家精准预测最新 | 3d今天中了多少注直选 | 3d专家预测最准最新今天 | 3d谜语今天字谜今天的3d字谜是什么? | 今天牛兄双胆 | 今于海滨3d预测 | 李明启3d最新预测今天 | 3d最准专家预测方法 | 3d预测一注号推荐今晚 | 3d今晚十大专家预测汇总 | 3d千禧开机号试机号关注金码对应码 | 3d预测号最新最准牛彩网 | 今天3d精选一注 | 3d精选号码推荐今天最新 | 3d今晚开奖号结果 | 3d专家预测汇总牛彩网 | 今晚3d专家推荐重点号码 | 中国福彩3D独胆明日推荐最新 | 3d双胆大师今天 | 3d和值振幅走势图彩宝贝 | 3d专家预测号码最准确 | 3d今晚必下一个胆 | 3d专家最新最准专家预测汇总 | 3d今天专家推荐号码是多少 | 詹天佑今日最新点评 | 投资独胆三天计划论坛 | 徐文轩3d预测推荐 | 3d专家预测推荐最新 | 陈华今晚独胆特别关注 | 3d独胆中了给多少钱 | 3d十大专家双胆预测汇总 | 中国福彩3D独胆下期最新必中最新 | 自创3d绝杀四码方法细节 | 3d预测专家最准确的专家预测 | 三天计划独胆牛人 | 3d百个位和值尾走势图 | 李白看3d独胆绝20 | 3d之家独胆,双胆 | 3d最新专家预测推荐 | 3d开机号和试机号金码关注对应号 | 3d预测一注号推荐今晚 | 3d和值012走势图带连线图 | 精准3d独胆| 千禧3d试机号金码关注码码关注码双彩论六个 | 小薇3d预测今天推荐 | 三d预测最准十专家预测今晚 | 3d和值牛彩网 | 3d专家今日推荐号码 | 下一期专家推荐号码 | 3d开心毒胆独胆王 | 3d今晚专家推荐号 | 铁人铁胆3d定位包星 | 中国福彩3D独胆下期推荐 | 3d推荐最新最准专家预测 | 3d两胆精准预测 | 三d胆| 3d直选走势图(专业版) | 3d今天千禧试机号关注号金码 | 近30期3d开机号和试机号 | 于海滨杀码图天齐网 | 中国福彩3D独胆下期最新分析 | 3d开机号和试机号今天金码0 | 于海滨最新预测今天 | 3d牛彩网专家预测 | 三d预测专家最新推荐 | 3d今天预测汇总 | 3d藏机图天齐正版藏机图 | 3d藏机图正版藏机图汇总今天最新图片 | 牛彩网3d预测汇总大全 | 财神爷三天计划 | 三d今日预测 | 3d预测最准最新准专家预测号码 | 3d詹天佑预测分析牛彩网 | 3d今天专家预测号码最准确 | 3d今晚专家预测推荐号 | 3d预测一注推荐 | 北斗3d今日专家预测推荐 | 3d最准确的预测方法 | 3d千禧开机号和100期试机号 | 3d千禧试机号和金码关注 | 今天3d数字定位三 | 3d今天中了多少注直选 | 3d最新专家预测推荐 | 3d每天一个独胆 | 3d千禧试机号关注码金码是什么 | 3d彩界精英独胆双胆 | 3d推荐最新最准专家预测 | 3d专家推荐最新预测 | 中国福彩3D独胆最新走势 | 3d胆预测天齐网 | 辉煌看胆双胆3d | 十拿九稳专家最新预测 | 今天3d试机号开机号是什么 | 3d专家预测汇总 | 3d今晚十大专家预测汇总 | 3d专家预测最准确今天 | 今晚3d专家预测最准确 | 今晚3d和值推荐 | 3d开奖号走势图表 | 北斗3d今日专家预测推荐 | 3d直选走势图(专业版) | 3d今晚必中一注一 | 今晚3d的开奖结果 | 3d专家专家预测汇总 | 3d今天最准专家预测 | 3d恋预测今晚预测是哪里出的 | 陈华3d今晚就赌一个胆天齐网 | 3d开机号和试机号近100期 | 三d预测专家最新推荐 | 今晚3d直选一注 | 天齐网3d必中两胆今天 | 铁人铁胆定位包是预测 | 三d今日太湖字谜解 | 今天最新3d开机号试机号关注码 | 今晚试机号多少3d | 3d败家子独胆图 | 今晚3d预测专家预测号 | 3d预测专家最准确的专家预测昨天 | 3d今天开机号和试机号牛彩网 | 明天的3d太湖字谜 | 3d推荐最新最准专家预测 | 今于海滨3d预测彩吧图 | 3d近200期试机号和开奖号码 | 3d专家最新最准今天预测 | 福彩3D独胆团队分析最新 | 排三王牌小哥独胆 | 中国福彩3D独胆当天预测最新 | 3d精准三注直选 | 3d定胆技巧准确率100% | 3d预测最准确的专家预测软件 | 3d预测号码最准最新准专家预测号家彩网 | 3d最新准专家预测 | 三d独胆| 3d彩吧试机号今天最新 | 3d今晚最准最新专家推荐号 | 3d最准一个独胆方法 | 3d预测一注号推荐 | 3d和值振幅走势图带连线坐标 | 福彩3D独胆本期命中率 | 今天晚上3d开奖结果 | 3d十大专家预测汇总 | 3d字谜汇总大全总汇牛彩网开机号 | 于海滨3d杀码预测 | 排五奖号| 中国福彩3D独胆老师分析最新 | 3d预测专家最准确今天 | 3d独胆王正版 | 3d今天专家推荐号码推荐 | 3d太湖专家预测今晚 | 今日3d藏机图汇总 正版 新版 | 太湖3d字谜今天的 | 3d今天专家预测推荐号码 | 福彩3D独胆下一期推荐 | 3d今晚上开奖号码 | 3d谜语今天字谜今天的3d字谜是什么? | 3d开机号和试机号今天金码关注号 | 于海滨一语定胆保真 | 十拿九稳预测最准100% | 3d和值和尾走势图带连线图表 | 3d预测号专家预测 | 3d今日开机号和试机号及关注码 | 3d专家预测最准确今天牛彩网 | 3d马前屁解太湖字谜 | 3d今晚开奖号码走势图 | 3d专家预测汇总大全 | 今天3d开机号 试机号是多少 | 3d开机号试机号奖号 | 3d今晚专家预测最准确一注 | 3d最精准专家预测汇总今天 | 3d开机号和试机号今天多少 | 排五开奖最新结果排5 | 3d往年历史今天开奖结果 | 今天十拿九稳号码预测 | 3d万能大底共250注直选 | 3d陈华今晚就赌一胆天齐网 | 3d双胆预测3d双胆下3d 双胆推荐 | 千禧3d试机号关注码金码今天的 | 今天的3d推荐号码是多少 | 万能三码的使用方法 | 3d字太湖叟字谜 | 3d预测专家精准推荐号 | 3d专家预测最准今天 | 今晚3d专家预测精选一注 | 3d今天开机号试机号码 | 今晚3d专家预测精选一注 | 3d今晚必中一注一 | 3d预测最新最准确号码 | 今于海滨3d预测今天单线联系 | 3d独胆一个 | 3d试机号开机号今天查询排五 | 3d詹天佑3d预测 | 千禧今晚3d试机号关注码金码对应 | 3d预测最准专家预测牛彩网 | 3d北丐七爷独胆 | 小红人的计划三天计划 | 3d最新专家预测汇总大全 | 3d今天专家预测号码 | 3d开机号和试机号码牛彩网 | 牛人高手【3d精选】 | 3d于海滨上的今天预测 | 太湖试机号后一句定三码3d字谜 | 3d必中直选| 3d字谜太湖解字谜 | 白鱼舟最新3d预测 | 3d百个位和值尾走势图 | 3d试机号后专家预测汇总 | 于海滨3d今晚预测号码 | 牛彩网近30期3d开机号试机号 | 3d今晚一注| 3d牛彩网预测汇总 | 3D独胆实时推荐 | 3d十位单选振幅走势图 | 3d百个位差值振幅走势图100期 | 3d太湖专家预测今晚 | 3d绝杀一码绝杀 | 3d今晚开奖号结果 | 3d玩彩老头预测今天号码 | 今日3d藏机图正版藏机图310 | 陈华今晚3d赌一胆天齐网 | 3d今天开机号试机号对应码关注码 | 周不出最新3d杀码 | 3d钱王老头给胆点评 | 3d专家预测推荐号码最准最新 | 3d独胆专家预测 | 3d免费专家预测推荐今天最新 | 专家预测3d预测 | 3d牛彩网今天开机号试机号 | 3d今晚惊天一注预测 | 3d独胆双胆 | 3d专家直选最精准一注 | 于海滨最新3d预测今天 | 今日精准预测推荐3d号码 | 詹天佑推荐3d | 詹天佑最新预测 | 3d最精准专家预测汇总今天 | 今天最新3d开机号试机号 | 3d太湖字谜图谜总汇 | 中国福彩3D独胆当天分析 | 詹天佑今日3d预测 | 3d试机号后专家预测推荐汇总 | 3d今晚出的什么号 | 3d今晚和值推荐 | 3d布衣独胆王正版今天 | 千禧开机号试机号关注号金码杀码 | 3d预测今晚最准专家预测号码 | 3d今日专家推荐号 | 今于海滨3d预测今天单线联系 | 3d今晚专家预测最准确号码 | 3d最准确预测专家 | 近30期3d开机号和试机号 | 今天3d太湖钓叟三字诀字谜 | 3d最准杀码 | 3d今晚出啥号 | 3d独胆专家预测 | 3d 今天 试机号开机号3 | 于海滨3d预测牛彩网 | 今日3d太湖字谜三字诀排三开奖结果 | 3d独胆必下一独胆布衣正 | 3d开机号试机号30期列表走势图 | 3d专家预测最准确今天南方双彩网 | 3d跨度振幅走势图3d专家 | 于海滨点评专家一语定胆保真版 | 3d基本走势图. | 3d开机号和试机号码牛彩网 | 3d十个位差值振幅走势图3d之家 | 3d今天专家推荐号码推荐 | 3d预测最准的专家预测 | 3d今天推荐号码是多少 | 3d预测最准确的专家 | 3d之家双胆独胆预测 | 今晚3d直选推荐 | 中国福彩3D独胆最新推荐 | 于海滨一语定胆天齐网 | 于海滨海3d专家杀码 | 北斗3d今日预测 | 3d预测推荐汇总牛彩网采摘收集 | 詹天佑最新预测3d | 十拿九稳专家最新预测 | 千禧今晚3d试机号关注码金码 | 3d机选一注 | 今天3d出的什么号 | 千禧关注码试机号金码 | 3d最准的独胆毒胆独胆 | 今天的3d开奖号是多少 | 3d直选一注50倍单挑 | 3d预测总汇手机牛彩网 | 3d今天专家预测号码 | 3d今日预测最准专家预测 | 今天最新3d开机号试机号关注码 | 3d谜语解太湖字谜 | 詹天佑3d预测号 | 3d孙大财就赌一个胆 | 于海滨3d预测免费 | 牛彩网3d专家预测汇总 | 今天3d开机号试机号金码 | 3d预测推荐汇总大全 | 3d近30期开机号试机号开奖号查询 | 千禧3d试机号金码关注码对应码今晚 | 3d于海滨预测预测牛彩网 | 3d今天专家预测最新最准 | 3d杀码一定牛 | 3d近100期试机号和开奖号是多少 | 于海滨3d最新预测 | 天天彩于海滨海3d最新预测 | 3d开奖号今晚晚上 | 3d专家预测最准确最新新闻 | 3d今天最新最准专家预测最 | 十拿九稳预测分析 | 今日3d藏机图正版藏机图310 | 于海滨3d杀码预测 | 3d今晚预测最新最准确号码牛彩网 | 3d最准确专家预测 | 今天3d开机号试机号金码 | 3d专家预测最准确最新今天牛彩 | 3d北丐七爷独胆 | 马后炮解3d太湖钓叟字谜总汇大全 | 3d直选一注必中 | (暴富密码)绝杀两码预测 | 3d预测专家最准确 | 孟庆会老师3d预测彩吧图库今天 | 3d专家预测最新推荐 | 马后炮解3d太湖字谜总汇大全 | 于海滨海3d专家预测今晚一注 | 3d预测总汇手机牛彩网 | 成功路上3d双胆独胆 | 3d今天精准一注 | 3d专家预测于海滨 | 千禧3d试机号金码今天关注码对应码 | 铁人铁胆包星定位今天最新结果 | 天才计划三天计划独胆 | 今天晚上3d推荐号码 | 3d预测今晚最准专家预测号码 | 藏机图3d正版总汇 | 试机号后牛彩网专家预测3d | 3d直选注| 今晚3d直选推荐 | 3d今晚预测最新最准确号码牛彩网 | 3d杀码十大专家 | 千禧3d试机号关注号 | 3d今晚开奖号走势图 | 今晚了3d开奖结果 | 3d今晚必出一注100%准确直选推荐 | 3d钓叟字谜三字诀官网 | 詹天佑3d最新预测今天 | 3d独胆双胆预测推荐 | 3d最大值振幅走势图3之家 | 中国福彩3D独胆本期命中率 | 3d村独胆双胆3 | 于海滨3d预测号 | 3d精准预测最准的专家 | 3d预测最准确的专家预测软件 | 3d今晚专家预测最准确号码 | 3d精选号码推荐今天最新 | 3D独胆团队命中率最新 | 【开心毒胆】今天 | 3d太湖字谜大全 太湖钓叟 | 3d今天开机号,试机号 | 3d今晚专家推荐 | 福彩3D独胆下期走势最新 | 3d开机号和试机号今天多少 | 3d专家预测汇总牛彩网 | 千禧三地试机号对应码金码 | 3d预测汇总牛彩网 | 3d牛彩网采摘收集预测汇总 | 中国福彩3D独胆下期推荐 | 3d今日专家推荐号 | 3d预测最新最准专家 | 福彩3D独胆最新必中 | 于海滨海3d专家预测今天 | 3d今晚精选预测一注 | 廊坊鸿运3d预测今天 | 3d结果开奖号码今晚 | 牛彩网近30期3d开机号试机号 | 3d詹天佑推荐号 | 3d千禧开机号试机号关注金码对应码 | 今天3d专家推荐号 | 3D独胆今晚命中率 | 3d家彩预测 | 张克永3d预测今天 | 3d 今日太湖字谜 | 今天的3d太湖字谜 | 太湖试机号后一句定三码3d字谜 | 詹天佑3d点评预测 | 一代女王杀两胆 | 3d神仙姐姐独胆一个 | 3d预测最新最准专家 | 专家3d预测汇总 | 3d杀码更准确 | 福彩3D独胆老师精准预测 | 3d今晚预测100%| 3d预测最准专家预测 | 三d预测专家预测 | 3d今天专家预测最新最准 | 3D独胆下期推荐走势最新 | 小红人的三天计划今天是什么 | 3d今晚专家预测推荐号 | 3d天宇和值谜字谜 | 牛彩网3d专家预测汇总 | 今晚3d专家预测汇总 | 今日3d太湖字谜更新 | 3d专家预测最准确今天上一期 | 3d杀码大全 天齐网 于海滨3d最新预测 千禧3d试机号金码关注码对应码今晚 | 3d晚秋和值谜彩吧图库 | 最准杀码王p3 | 3d今日专家推荐号 | 3d预测专家精准推荐号 | 3d六码复式多少钱一注 | 今天3d开机号和试机号对应金码 | 今日正版藏机图全部汇总239期 | 千禧开机号试机号关注号金码杀码 | 3d北斗专家北斗预测今天079期3d | 今晚3d预测推荐一注 | 今晚3d专家推荐号码是多少 | 今天3d试机号开机号是什么 | 神仙姐姐独胆一个 | 3d两天独胆王| 3d专家预测最准确 | 3d今天开机号试机号牛彩网 | 3D独胆今晚命中率最新 | 3d必下双胆| 老炮子3d直选三注 | 于海滨杀码图牛彩 | 3d詹天佑 | 3d今天预测最准确专家 | 3d跨度振幅走势图3d专家 | 3d预测专家汇总预测 | 3d专家预测推荐号码最准最新 | 3d独胆专家推荐独胆 | 于海滨今日3d预测 | 三d今晚预测推荐十注 | 3d最准预测号 | 3d预测詹天佑 | 北斗3d今日预测 | 詹天佑最新预测3d | 詹天佑3d最新消息今天 | 3d试机号后专家预测推荐汇总 | 3d廊坊鸿运精选号码推荐 | 3d今晚专家预测重点号码 | 3d预测 下一期 3d预测专家 3d预测 | 3d今晚开奖结果号码是 | 陈华今晚3d赌一胆天齐网 | 3d今天开机号和试机号查询100期 | 3d和值尾金木水火土走势图 | 今晚3d和值推荐 | 3d双胆神算今天必下 | 3d今天开机号和试机号码牛彩网 | 于海滨海3d预测牛彩网 | 十拿九稳的最新预测 | 3d专家预测最准最新今天 | 3d各路专家预测汇总大全最新 | 3d所有走势图 | 3d机选一注 | 排3太湖钓叟字谜三字诀 | 排5预测,最准排五专家 | 3d专家预测最准确今天南方双彩网 | 3d直选一注50倍单挑 | 3d直选一注50倍单挑 | 于海滨最新3d预测今天 | 3d十大专家精准预测 | 3d单选一注能中多少钱 | 3d今晚最准最新专家推荐号 | 3d3d今晚预测| 3d和值走势图彩宝网 | 今日正版3d藏机图全部汇总 | 小胆神玩毒胆我3d | 七爷独胆今晚一个胆 | 今晚3d试机号千禧试机号金码关注 | 3d今日预测最准专家预测 | 今晚3d天宇一句定三码字谜 | 詹天佑最新预测3d | 今天晚上3d推荐号码 | 千禧3d试机号金码关注码对应码 | 拼搏在线3d开机号和试机号列表 | 今天太湖字谜3d字谜太湖钓叟 | 3d和值尾振幅走势图近100期 | 3d最精准的专家预测 | 3d詹天佑点评 | 3d今天专家预测最准确 | 中国杀码王绝杀 | 投资计划3d乐彩论坛 | 3d今晚专家预测重点号码 | 中奖开奖结果3d | 3d今天开机号和试机号码300 | 3d字太湖叟字谜 | 今日3d太湖字谜三字诀排三开奖结果 | 3d今天试机号开机号金码 | 于海滨今日杀码图最新 | 3d今日预测推荐号 | 福彩3D独胆独家预测最新 | 陈华今晚就赌一个胆预测 | 今晚3d试机号开机号 | 3d最准预测专家推荐 | 马后炮解3d太湖字谜总汇大全 | 3d独胆双胆专家预测网 | 3d最精准的专家预测 | 今日3d马后炮解太湖字谜 | 3d开机号和试机号今天查询 | 3d千禧试机号金码关注码对应码 | 财神爷独胆三天计划,就这么牛 | 近1000期3d开奖结果 | 福彩3D独胆最新必中 | 3d各类和值最新谜字谜今天 | 今天最新3d开机号试机号关注码 | 3d今晚专家预测重点号码 | 十拿九稳专家预测专栏 | 今天3d开机号和试机号码结果查询 | (暴富密码)绝杀两码预测 | 3d独胆双胆 | 3d开机号试机号关注号金码对应码 | 3d今晚精选预测一注 | 3d预测 下一期 3d预测专家 3d预测 | 3d十大专家预测汇总 | 3d预测专家推荐号码 | 今晚3d试机号千禧试机号金码关注 | 3d今晚专家预测重点号码 | 3d下期预测最精准的一注号码 | 3d预测最准确最新 | 3d湘西胆王今日字谜 | 3d最新专家预测汇总大全 | 顶级胆神双胆下一 | 3d预测詹天佑最新 | 今天的3d开机号和试机号查询 | 3d今天专家预测号码 | 今天3d开机号和试机号金码 | 3d五码复式| 中国福彩3D独胆下期推荐 | 3d太湖钓叟字谜三字诀 | 3d今晚最新预测 | 3d个位走势图表 | 3d专家预测最准确今天南方双彩网 | 3d专家预测最准确号码 | 于海滨海3d预测牛彩网 | 3d专家今天推荐号 | 解太湖3d字谜太湖 | 两天计划双胆王 | 3d金码开机号和试机号 | 3d专家最新最准专家预测 | 3d今晚专家推荐 | 试机号千禧关注金码 | 牛彩网杀码大全 | 钱多多3d百位定独胆 | 最准3d预测专家推荐号 | 3d千禧今晚试机号码 | 今晚3d之家 | 于海滨3d杀码预测 | 今晚3d推荐号码是多少 | 3d今天专家预测号码 | 东北小胆神今晚独胆 | 中国福彩3D独胆团队命中率最新 | 3d太湖一语定胆字谜论坛 | 3d最新专家预测汇总大全 | 投资计划独胆三天计划 | 3d预测号码最准确专家预测 | 今天最新3d开机号试机号关注码 | 3d开机号今天近10期 | 3D独胆高手走势最新 | 于海滨3d专家预测 | 三d牛彩网开机号试机号是多少 | 今于海滨3d预测今天单线联系 | 3d双胆独胆推荐 | 3d最准确预测专家 | 3d预测今晚最准专家预测号码 | 3d紫云涧专家预测推荐 | 今晚3d专家推荐号码是多少 | 3d预测晚| 3d 今天 试机号开机号3 | 《金银胆神》金胆银胆3d最新一期开奖 | 詹天佑3d点评预测 | 3d十大专家推荐号码汇总 | 3d天地杀码图| 3d专家预测推荐汇总 | 3d预测最新最准确号码 | 3d彩吧图库44462 | 3d今晚专家推荐号 | 今日3d专家预测总汇 | 3d最精准的专家预测 | 3d直选一注今天 | 陈华3d预测今天推荐 | 福彩3D独胆内部杀号 | 3D独胆团队精准预测最新 | 3d今天专家预测推荐号码 | 3d今天的开机号和试机号查询 | 3d推荐最新最准专家预测 | 3d今天专家预测号码 | 小龙一语定三胆3d今日字谜 | 3d之家独胆,双胆 | 3d今晚专家推荐预测重点号码 | 3d牛彩网试机号后专家预测汇总 | 3d最精准专家预测汇总今天 | 3d最准的预测专家 | 3d静态版预测静态版 | 3d跨度五行走势图3d之家 | 牛彩网预测专家3d | 千禧今晚3d试机号关注码金码 | 3d今天精准一注 | 3d之家预测专家预测 | 3d小龙一句定三码今日字谜天中图 | 稳准狠三天计划 | 3d预测号专家预测 | 福彩3D独胆下期推荐必中 | 牛彩预测汇总3d最新 | 今晚3d开奖号是多少 | 3D独胆下期推荐分析最新 | 今天3d推荐号码今晚预测 | 3d天齐网最准预测 | 3d试机号近10期彩经网 | 3d今天专家预测号码最准确 | 排五专家预测精准 | 3d预测专家推荐最准确 | 3d和值尾振幅走势图专业版 | 今晚3d专家预测精选一注 | 白骨精3d独胆图今天 | 3d试机号关注号金码对应码开机号 | 3d今晚预测直选一注 | 钱王点评十钱王给胆下一期预测 | 3d走势图专家推荐号码 | 苏会文3d预测今天推荐 | 福彩3D独胆明日分析 | 十拿九稳的最新预测 | 天齐网3d首页保真版3d预测 | 神仙姐姐独胆一个 | 3d独胆专家推荐独胆 | 3d最准一注号码 | 今晚3d预测推荐一注 | 牛人独胆二天计划 | 大师诸葛亮今晚一个独胆 | 今天3d太湖钓叟三字诀字谜 | 3d胆王双胆独胆 | 3d詹天佑最新预测今天 | 3D独胆下期推荐分析最新 | 天齐网3d必中两胆今天 | 唐龙一胆今天最新 | 牛兄双胆 | 中国福彩3D独胆当天精准预测 | 今晚钱王点评推荐号 | 3d詹天佑最新预测牛彩网 | 3d预测专家最准确今天 | 3d专家最新最准专家预测汇总 | 3d字谜总汇今日3d字谜总汇牛彩网 | 财神爷独胆三天计划,就这么牛 | 今天十拿九稳号码预测 | 3d太湖字谜总汇大全 每天更新 | 3d预测专家推荐最准确 | 3d必中永久直选500注大底 | 3d百位遗漏振幅走势图南方双彩网 | 3d最大值振幅走势图3之家 | 专家预测3d号码准确 | 3d预测推荐汇总牛彩网采摘收集 | 3d直选100%中奖绝技软件 | 3d专家预测最准最新 | 3d独胆专家推荐独胆 | 3d独胆专家推荐独胆 | 今天3d千禧试机号关注号金码号 | 3d中间值振幅走势图之家 | 3d和值走势图彩宝网 | 3d最新专家预测汇总大全 | 3d开机号和试机号今天查询 | 3d詹天佑最新预测今天 | 3d专家最新最准专家预测汇总 | 3d经典小胆王| 3d号码预测牛彩网 | 3d最准确最新专家预测 | 快8今晚最毒胆推荐 | 3d今晚最准专家预测号码145 | 卫星电话最建议买的三个型号 | 3d太湖字谜每天更新 | 3d千禧开机号和100期试机号 | 3d今天专家推荐号码 | 3d双胆神算今天最新 | 三d预测汇总| 3d今晚和值推荐 | 3d专家预测汇总 | 3d今天断组预测 | 三d之家独胆 | 3d姜子牙一句定三码最准字谜汇总 | 3d今天最新最准专家预测最 | 三d的试机号是多少今天 | 3d单双走势图表(专业版) | 3d今天最新最准专家预测最 | 3d今天专家推荐号码推荐 | 3d最准杀码 | 3d独胆双胆下一 | 福彩3D独胆最新必中 | 周不出最新3d杀码 | 铁人铁胆3d定位包星 | 3d定百位一个号多少钱 | 廊坊鸿运3d最新预测 | 3d基本走势图全部 | 3d百位个位和值走势图 | 于海滨海3d专家预测今天 | 3d预测最准确的专家 | 3d顶级胆神双胆 | 3d独胆必下 | 3d必下胆 | 预测3d今晚开奖号 | 3d专家预测最准确 | 福彩3D独胆独家预测最新 | 3d今晚必出一注100%准确直选推荐 | 3d太湖字太湖字谜 | 3d飞胆图绕胆图 | 3d公式计算方法 | 于海滨三地杀码 | 今天3d开机号试机号对应码列表 | 3d杀码公式最新 | 3d开机号和试机号近100期 | 排三专家推荐与预测今天 | 3d专家预测推荐 | 3d预测最准确的专家 | 一定牛3d一注号推荐3d预测今天 | 今日3d专家预测号码推荐 | 3d预测专家推荐 | 3d和尾振幅走势图3d专家 | 于海滨3d预测牛彩网 | 3d今晚最准专家预测号码 | 3D独胆大神命中率最新 | 千禧3d开机号试机号金码 | 《金银胆神》金胆银胆3d最新一期开奖 | 3d预测最准确的专家预测软件 | 太湖谜3d太湖钓叟字谜 | 今晚3d试机号开机号金码号 | 下一期专家准确预测 | 3d双胆| 3d独胆中了给多少钱 | 3d专家预测最准最新 | 3d走势图全图表 | 3d专家预测号码手机牛彩网 | 3d精准预测最准的专家 | 3d预测专家推荐号码 | 独胆双胆3d之家 | 3d最近基本走势图 | 今日正版藏机图全部汇总 | 经典小胆王三天计划配组合 | 三d便民字谜图谜总汇 | 3d任意两码差值尾走势图 | 3d毒毒毒胆胆胆中中中 | 3d今天晚上精选一注 | 3d推荐最新最准专家预测 | 3d推荐最新最准专家预测 | 3d走势图专家推荐号码 | 3d千禧试机号金码关注最近10期 | 骄子铁鹰解3d字谜今日 | 今于海滨3d杀码 | 3d预测最准的专家预测 | 3d最准专家预测号今晚3d试机号 | 3d双胆独胆 | 于海滨海3d预测今天 | 3D独胆今晚命中率最新 | 3D独胆专家精准预测最新 | 3d今天专家预测推荐号码 | 3d太湖17500字谜 | 2008年359期3d焰舞字谜 | 3d三胆预测 | 天齐网3d必中两胆今天 | 今晚3d结果开奖号码 | 3d近30期开机号试机号开奖号查询 | 三d预测专家预测 | 3d平均值走势图振幅3d之家 | 个位杀码王 | 3d最近基本走势图 | 太湖钓叟排三字诀字谜 | 3d今天开机号和试机号多少 | 今天3d开机号 和试机号 查询结果 | 3d专家预测最准最新今天 | 3d今晚预测最准确一注 | 3d千禧试机号开机号金码 | 牛彩网预测专家3d | 3d北斗专家北斗预测今天079期3d | 3d最大值走势图彩经网 | 3d最新最准预测号码今天 | 3d最新最准专家预测号码 | 今晚3d专家最精准的预测 | 3d李明启最新预测今天 | 3d直选综合走势图表图 | 3d今晚预测准确的专家预测 | 3d牛彩网字谜图谜汇总九 | 藏机图3d正版总汇 | 3d预测最准确专家预测 | 钱王点评十钱王老头给胆 | 3d独胆必下一 | 3d詹天佑最新预测 | 3d试机号后专家预测汇总 | 3d试机号200期历史 | 3d今晚开奖结果走势图 | 老炮子预测今晚三地 | 今日3d开奖号今晚 | 3d推荐号今晚专家预测 | 今天3d开机号和试机号查询结果彩吧 | 3d今晚试机号是多少 | 3d布衣独胆双胆必下一 | 3d最小值振幅走势图3之家 | 3d必中永久直选500注大底 | 千禧试机号金码关注号对应码杀码 | 3d专家预测汇总牛彩网收集汇总 | 排三杀码专家 | 今天3d开机号和试机号码是多少 | 3d专家预测最新 | 3预测,3d专家预测,最准确今天彩网 | 顶级胆神双胆下一 | 3d旧版基本走势图表 | 今天3d中奖 | 千禧3d试机号金码关注码牛彩网 | 于海滨点评加专家一语 | 3d金码开机号和试机号 | 今晚3d专家预测精选一注 | 3d走势图(专业连线版) | 3d预测号码最准最新准专家预测号家彩网 | 3d牛彩网专家汇总汇总大全 | 今晚3d专家推荐号码 | 三d独胆 | 今晚3d推荐号码 | 今天3d马后炮解太湖字谜汇总 | 福彩3D独胆老师杀号最新 | 3d预测 下一期 3d预测专家 3d预测 | 于海滨3d预测牛彩网 | 3d今晚字谜太湖字谜是什么 | 3d今晚字谜太湖字谜是什么 | 3d最准确最新专家预测 | 3d最准确的专家预测 | 3d预测专家准确推荐 | 3d预测最准专家预测号码 | 3d千禧试机号金码关注码 | 3d专家预测最准确号码 | 千禧3d关注码 | 詹天佑3d今天预测分析 | 3d今晚十大专家预测汇总 | 3d今天专家推荐号码推荐 | 2025长期守号最佳5注推荐 | 3d最准专家预测号今晚3d试机号 | 牛彩网p3专家预测汇总 | 3D独胆今晚命中率 | 3d字谜汇总大全总汇大全 | 历史3d开奖结果 | 3d彩宝网开机号和试机号 | 3d最准专家预测方法 | 今晚精准一注3d | 3d预测 下一期 3d预测专家 3d预测 | 财神爷独胆三天计划,就这么牛 | 3d今晚字谜太湖字谜是什么 | 3d今天出的什么号 | 3d专家预测最准最新 | 今天3d开机号,试机号是多少 | 张克永专家3d预测 | 《金银胆神》金胆银胆3d最新一期开奖 | 3d预测今晚最准专家预测号码 | 3d最准确最新专家预测 | 排三今晚十拿九稳最新预测 | 3d最准预测号 | 杀码大全汇总 | 独胆计划王 | 今晚3d预测最准一注 | 3d今晚预测最新最准确号码牛彩网 | 3d今天开机号和试机号 | 3d詹天佑最新预测牛彩网 | 中国福彩3D独胆下期最新必中最新 | 三码合一是什么意思? | 3d今天专家预测推荐号码 | 3d精准定位专家预测 | 3d百位个位和值走势图 | 3d专家预测最准最新今天 | 3D独胆实时分析 | 3d今日预测最准专家预测 | 3d推荐号3d推荐号码 | 3d预测廊坊鸿运 | 于海滨3d预测 | 3d下期预测最精准的一注号码 | 今日3d太湖字谜每天更新 | 3d陈华今晚就赌一个胆搜索一下 | 福彩3D独胆老师精准预测 | 3d十大专家预测汇总 | 3d今晚开奖号多少 | 马到成功杀两码最新版本更新内容 | 3d必中直选 | 今日3d马后炮解太湖字谜 | 3d最准预测专家推荐 | 中国福彩3D独胆老师分析最新 | 3d,预测 | 无敌胆王独胆双胆 | 千禧试机号金码关注号对应码杀码 | 今日3d预测专家推荐 | 3d今日开机号和试机号及关注码 | 3d今天最准专家预测 | 3d今晚专家推荐号 | 今天3d千禧试机号关注号金码号 | 3d开机号和试机号今天千禧 | 3d预测今晚最准专家预测号码 | 今天3d中奖 | 3d今日开机号和试机号及关注码 | 3d最准专家预测号今晚3d试机号 | 3d和值尾遗漏走势图 | 今晚3d专家推荐重点号码 | 3d今天最新最准专家预测最 | 于海滨今天杀码3d | 3d今晚最准专家推荐号 | 3d和尾振幅走势图3d专家 | 于海滨今日3d预测 | 詹天佑今天3d推荐 | 3d双胆独胆非常稳 | 3d试机号后专家预测汇总手机网 | 3d最精准专家预测汇总今天 | 3d双胆大师今天 | 中国福彩3D独胆独家预测 | 3d通辽独胆王今天 | 牛彩网3d预测 | 3d今天开机号试机号对应码关注码 | 廊坊鸿运3d | 3d两胆王双胆必下 | 3d今晚专家预测最准确一注 | 3d太湖专家预测今晚 | 3d单双走势图表(专业版) | 3d陈华今晚独胆预测 | 今晚3d开机号和试机号是多少 | 今日正版藏机图全部汇总 | 3d最新最准专家预测号码 | 一定牛3d一注号推荐3d预测今天 | 3d字谜财神一语定一注 | 精准3d独胆 | 2009年浙江风采3d走势图 | 3d万能三码中奖秘诀 | 牛彩网p3专家预测汇总 | 3d太湖解字谜 | 3d推荐号今晚专家预测 | 钱王点评+钱王老头预测 | 今晚解太湖3d字谜 | 今晚3d必出号 | 3d金码开机号和试机号 | 杀码是什么意思 | 乾坤三天计划独胆预测 | 3d预测专家准确推荐 | 今日3d正版藏机图 | 太湖三字谜太湖3d钓叟 | 超级毒胆 | 3d走势图专家推荐号码 | 3d预测专家推荐最新 | 3d今晚必出号预测 | 3d基本走势图表完整版 | 3d最新最准专家预测号码 | 3d专家预测最准确今天上一期 | 今晚最准的一注3d | 3d专家预测最准确最新今晚预测 | 今天晚上的3d开奖结果 | 3d专家预测号| 3d真实的谎言正版和值字谜 | 3d今天的开机号和试机号查询 | 3d十位胆方法100准确 | 成功路上3d双胆独胆 | 3d和值和尾走势图带连线图表 | 3d最新基本走势图表 | 3d北斗专家北斗预测今天079期3d | 3d藏机图正版藏机图汇总今天最新 | 3d直选一注50倍单挑 | 3d推荐号今日预测 | 3d今天推荐号码是多少 | 3d独胆专家推荐独胆 | 3d今天开机号试机号牛彩网 | 3d今天专家推荐号码推荐 | 3d单选一注能中多少钱 | 乾坤三天计划独胆预测 | 今于海滨3d预测今天单线联系 | 3d今天专家预测号码 | 铁人铁胆3d包星定位最新今天 | 3d专家预测最准确最新今晚预测号 | 3d每天都有开奖吗 | 3d千禧试机号和金码关注 | 今天3d开机号和试机号多少? | 万能三码的使用方法 | 3d陈华今晚独胆推荐 | 福彩3D独胆老师杀号最新 | 张克永3d预测今天 | 3d今天专家推荐号码推荐 | 3d预测一注号推荐今晚 | 3d预测专家推荐号码 | 3d万能大底共250注直选 | 3d跨度振幅近100期走势 | 中国福彩3D独胆独家必中最新 | 十拿九稳十大专家预测汇总最新一期 | 中国杀码王3d绝杀 | 于海滨最新预测今天 | 3d千禧试机号码金码关注码 | 太湖叟3d字谜湖字谜 | 3d最准预测专家汇总大全 | 于海滨专家3d今天预测 | 三d预测专家预测今天最新 今于海滨3d预测 | 3d预测总汇手机牛彩网 | 3d买一个独胆中了得多少钱 | 今天的3d推荐号码是多少 | 3d今晚上必出号 | 3d字谜历史记录 | 3d预测专家精准推荐号 | 于海滨今天预测 | 3d独胆预测必下一胆 | 3d独胆专家推荐独胆 | 3d和值尾振幅走势图近100期 | 3d今晚必中一注一 | 3d于海滨上的今天预测保真 | 3d专业版(走势图带连线) | 最准一个毒胆 | 神仙姐姐今晚杀码 | 3d今晚最准专家推荐号 | 3d最精准专家预测汇总今天 | 3d走势图的基本走势图 | 3d预测号最新最准牛彩网 | 3d专家杀码图 | 今天龙头凤尾预测 | 3d今日开机号和试机号及关注码 | 3d试机号后专家预测推荐汇总 | 3d牛彩网断组预测 | 3d开机号和试机号今天金码0 | 3d的最新走势图表 | 3d阿福图库图谜大全 | 3d今晚预测最新最准确号码牛彩网 | 今晚开奖号码3d开奖结果 | 今晚3d直选一注 | 3d今天专家预测推荐号码 | 神仙姐姐杀码今天 | 3d开机号,试机号,金码号,对应码100 | 千禧3d试机号金码关注码杀码今天3d | 3d和值振幅走势图带连线坐标 | 3d今晚预测 | 成功路上3d双胆独胆 | 3d2025322期太湖字谜 | 牛彩网3d预则 | 今日3d太湖字谜更新 | 3d今晚开奖结果号码是 | 3d藏机图正版藏机图汇总今天最新图片 | 孟庆会专家3d预测 | 太湖3d字谜图谜总汇 | 3d预测汇总 | 3d每天一个独胆 | 3d开机号和试机号金码关注对应码 | 今天3d太湖字谜三字诀 | 铁人铁胆包星定位今天最新结果 | 于海滨点评专家一注定胆保真版162期 | 3d预测晚 | 铁人铁胆3d定位包星预测 | 3d今晚开出什么号码 | 3d牛彩网字谜图谜总汇九 | 三字诀3d字谜 | 3d彩界元宝就看一个独胆 | 今天3d金码试机号对应码开机号 | 今日3d太湖字谜三字诀排三开奖结果 | 3d跨度金木水火土五行走势图 | 3d独胆预测 | 准香港3d漫画资料 | 三d预测最准十专家预测今晚 | 3d今天开机号和试机号是多少 | 今日正版3d藏机图全部汇总 | 3d和值尾振幅走势图彩宝贝 | 卫星电话最建议买的三个型号 | 3d预测最准专家预测号码 | 今天p3藏机图正版藏机图 | 今晚快乐八专家预测推荐号 | 彩界毒胆大师一枚毒胆 | 今日毒胆| 3d专家预测最准确今天 | 3d专家预测推荐汇总 | 今天晚上的3d开奖结果 | 福彩3D独胆下期最新推荐 | 排三杀码专家 | 3D独胆大神走势 | 3d两胆王双胆必下 | 于海滨海3d专家预测今晚一注 | 3d今天最新最准专家预测最 | 3d中国准神双胆 | 3d最准专家预测号 | 3d专家预测最准最新今天 | 3d专家预测推荐号码 | 3d今日专家精准推荐号 | 3d独胆之家| 3d今晚字谜太湖字谜是什么 | 太湖三字诀字谜三 | 3d独胆双胆独胆3d之村 | 十拿九稳今天预测 | 试机号后牛彩网专家预测3d | 3d最新专家预测汇总大全 | 一定牛3d一注号推荐3d预测今天 | 陈华今晚3d赌一胆天齐网 | 3d百个差振幅走势图近100期 | 试机号开机号金码关注号对应码3d | 3d专家最新最准专家预测汇总 | 3d今晚专家看独胆 | 3d专家预测最准确最新今晚预测 | 今于海滨3d预测今天 | 3d预测号码最准确专家预测 | 3d毒胆双胆三胆 | 千禧今晚3d试机号关注码金码对应 | 三d便民字谜图谜总汇 | 近10期3d开奖结果 | 3d双胆独胆非常非常稳定 | 3d试机号今天开机号查询结果 | 财神爷独胆三天计划,就这么牛 | 于海滨今天3d预测号 | 今日3d字谜太湖钓叟字谜正版 | 3d和值尾金木水火土走势图 | 3d最新专家预测汇总大全 | 3d顶级胆神双胆 | 3d号码预测 | 3d预测号专家预测 | 天齐网3d首页保真版3d预测 | 3d孔方来萃解太湖字谜 | 福彩3D独胆今日走势最新 | 3d专家预测最准确今天3d | 3d免费精准直选三注 | 于海滨专家一语定胆十每日 | 3d直选精准100%免费 | 3d太湖字谜三字诀 | 3d十大专家推荐号码汇总 | 3d预测詹天佑 | 今日3d太湖字谜三字诀试机号 | 3d下期预测最精准的一注号码 | 3d字谜总汇今日3d字谜总汇牛彩网 | 3d独胆必下一独胆准 | 中国福彩3D独胆最新走势 | 于海滨今日杀码图最新 | 3d今晚试机号是多少查询 | 3d最新专家预测汇总 | 今晚3d和值推荐 | 3d跨度振幅走势图3d专家 | 3d开机号试机号近100期开奖号码 | 3d今晚专家预测推荐 | 3d今天推荐号码是多少 | 3d号码预测 | 今天3d专家预测号码 | 福体杀码王最新版本更新内容 | 于海滨三地杀码 | 福彩3D独胆下期杀号最新 | 3d最精准的专家预测 | 3d专家预测最准最新 | 今天3d詹天佑预测分析 | 3d今晚最准最新专家推荐号 | 于海滨今天3d预测号 | 于海滨3d预测号 | 3d的开机号试机号奖号表 | 3d大老人预测 | 3d最小值振幅走势图3d之家 | 3d精准定位专家预测 | 3d钱王点评| 3d直选一注今天 | 太湖3d字谜太湖钓叟三字诀 | 3d牛彩网采摘收集预测汇总 | 3d一语定胆太湖字谜 | 3d今天专家推荐号码 | 3d近100期开奖结果全部 | 3d四码直选多少钱一注 | 十拿九稳今天预测专家 | 今晚3d的开奖号码结果 | 唐龙一语定胆3d今天 | 三地杀码高手 | 3d下期预测最精准的一注号码 | 3d预测专家推荐最新 | 3d预测号码最准确专家预测 | 于海滨今天3d预测号 | 3d今晚最准三注 | 廊坊鸿运3d | 3d双胆独胆非常非常 | 3d千禧试机号金码关注码对应码 | 3d近30期开机号试机号开奖号查询 | 3d天齐网最准预测 | 3d今天专家推荐号码是多少 | 今晚3d专家推荐重点号码 | 福彩3D独胆下一期推荐 | 千禧关注码试机号金码 | 3d北斗专家北斗预测今天079期3d | 3d推荐最新最准专家预测 | 三地千禧开机号试机号金码关注 | 今日期3d太湖字谜 | 3d最新预测专家推荐 | 天齐网专家杀码大全 | 于海滨点评专家一注定胆保真版 | 独胆三天计划 | 3d试机号关注号金码对应码开机号 | 3D独胆实时必中最新 | 3d预测专家推荐号码 | 今日3d预测 | 詹天佑3d今日预测 | 3d一语定胆字谜今天 | p3千禧试机号关注金码 | 3d最准一注号码 | 于海滨海3d预测牛彩网 | 3d免费预测 | 3d杀码图汇总牛彩网 | 于海滨海3d杀码图 | 福彩3D独胆老师杀号最新 | 小龙一语定三胆3d今日字谜 | 3d预测号码最准确专家预测 | 3d最准的预测专家 | 千禧试机号金码关注 | 3d专家预测推荐号码 | 唐龙一胆| 3d陈华今晚就赌一胆天齐网 | 3d太湖钓叟字谜三字诀了3d开奖 | 3d詹天佑最新预测 | 铁娘子三天计划独胆必下300 | 3d今天专家预测号码 | 中国福彩3D独胆独家必中最新 | 3d最新专家预测汇总大全 | 3d个位走势图振幅 | 3d最大值走势图彩经网 | 今日3d字谜太湖钓叟字谜 | 3d谜语太湖钓叟3d谜语今天 | 3d最准的预测专家 | 3d专家预测最准确最新今天牛彩 | 3d和值振幅走势图彩宝贝 | 3d最精准专家预测汇总今天 | 太湖3d字谜三字诀 | 牛彩网专家汇总汇总3d | 三d独胆| 白姐3d今天预测号码 | 3d开机号今天试机号30期 | 3d图谜字谜总汇 | 3d今晚预测最准确一注今天 | 3d绝杀一码专家 | 于海滨海3d杀码图 | 3d字太湖叟字谜 | 3d专家最新最准今天预测 | 西施姐姐精心推算一独胆146 | 三d今日太湖字谜解 | 3d预测最准确的专家 | 于海滨3d预测今天 | 3d专家今天推荐号 | 牛彩网3d预测汇总 | 3d免费预测| 三d预测专家最新推荐 | 中国福彩3D独胆下期推荐 | 3d今天开机号和试机号码727 | 今晚3d专家预测精选一注 | 于海滨海3d杀码图 | 3d开奖号今天结果 今晚 | 3d长中剑客预测今天 | 3d今晚专家预测最准确一注 | 3d老炮子直选三注 | 3D独胆下期推荐分析最新 | 3d十大专家杀一码汇总 | 3d十位走势图彩经网 | 3d天宇和值谜字谜一句定三码 | 3d今晚专家预测 | 3d小差振幅走势图表图 | 詹天佑3d点评预测 | 3d专家预测最准最新 | 3d今天推荐号码是多少 | 3d预测最准的专家预测 | 3d今晚试机号是多少查询 | 3d今晚最准专家预测号码 | 家彩专门提供3d试机号开机号 | 3d今天最准专家预测 | 3d精准预测推荐 | 于海滨最新预测今天 | 3d今晚上专家推荐号 | 3d和值尾振幅走势图3d之家 | 陈华今晚独胆特别关注 | 今天3d开机号和试机号多少? | 最准3d专家预测推荐 | 詹天佑3d| 詹天佑今天3d推荐 | 3d晚秋和值谜字谜图 | 福彩3D独胆大神精准预测最新 | 2009年浙江风采3d走势图 | 3d下期预测最精准的一注号码 | 今晚3d预测最准一注 | 今日3d开机号和试机号关注码千禧 | 千禧之年3d开机号试机号金码关注 | 3d今晚专家预测 | 今日3d专家预测号最准确 | 藏机图3d正版总汇 | 今日3d字谜3d一句定三码诗天中图 | 3d专家预测最准确最新推荐号码 | 3d今晚预测号码 | 3d千禧开机号试机号关注金码对应码 | 财神爷三天计划必下更新 | 3d预测专家最准确今天 | 3d今天中了多少注直选 | 3d今日牛彩网 | 3D独胆专家分析 | 于海滨预测3d | 3d开机号今天试机号查询 | 3d玩彩老头预测今天号码 | 3d最晚间字谜汇总大全 | 3d开机号和试机号金码和关注码 | 3d预测最准最新准专家预测号码 | 3d最新最准预测号码今天 | 3d开机号试机号今天最新50期 | 3d于海滨上的今天预测保真 | 3d专家詹詹天佑最新推荐 | 今晚3d推荐号 | 福彩3D独胆团队必中最新 | 牛彩网3d预测汇总大全 | 今晚3d专家推荐号码是多少 | 看彩大亨看独胆双胆预测 | 3d开机号和试机号今天千禧 | 3d三胆最准 | 3d试机号今天开机号查询 | 3d今天专家推荐号码是多少 | 3d预测今日最新推荐 | 3d精准三注直选 | 3d预测今天更准 | 今日钱王给胆点评 | 千禧开机号和试机号对应金码 | 天齐网3d杀码大全 | 3d今天推荐号码是多少 | 3d推荐最新最准专家预测 | 3d今天的开机号和试机号查询 | 今天3d开机号和试机号牛彩网 | 詹天佑3d预测 | 3d一语定胆太湖字谜 | 3d胆王双胆独胆 | 3d百位遗漏振幅走势图南方双彩网 | 3d必下双胆| 于海滨3d预测牛彩网 | 唐龙点评每日一胆龙 | 小红人的三天计划今天是什么 | 3d跨度遗漏值振幅走势图彩经网 | 毒胆牛人三天计划必出 | 3d北斗专家北斗预测今天079期3d | 3d今晚最准一注 | 今晚3d太湖字谜 | 3d预测最新最准专家 | 3d组选中一注多少钱 | 千禧3d试机号关注码金码列表 | 今天的3d太湖字谜今天晚上 | 3d一定牛专家预测推荐 | 3d预测最准确的专家 | 3d精选号码推荐今天最新 | 3d今天专家预测最新最准 | 3d最精准专家预测汇总今天 | 3d开机号试机号今天最新50期 | 太湖字谜太湖钓叟三字诀 | 3d专家预测最准确今天南方双彩网 | 今晚精准一注3d | 最准杀码王p3| 3d于海滨专家预测 | 3d中奖 | 3d和值走势图表综合版 | 3d长中剑客预测今天 | 3d开奖号码走势图表 | 3d今天晚上预测最准专家 | 3d预测专家最准确的专家预测今晚 | 3d今晚出的号码 | 3d于海滨杀码图 | 3d字谜太湖钓叟三字诀今天 | 3d三胆最准 | 中国福彩3D独胆内部杀号 | 3d专家预测独胆最准确 | 陈华今晚3d赌一胆天齐网 | 3d独胆双胆专家预测网 | 3d神仙姐姐独胆一个 | 今天3d试机号开机号牛彩网 | 于海滨3d预测今天 | 千禧试机号金码关注码的历史记录 | 3d专家预测最准确最新今天 | 3d今晚开奖结果走势图 | 今晚3d预测开奖号码推荐 | 3d计算机开机号夏天推荐 | 李明启3d今晚预测专栏 | 彩坛老顽童3d独胆 | 三d之家独胆 | 3d带专业连线走势图 | 3d今晚精准推荐一注 | 3d最准预测专家预测汇总 | 3d最准预测号 | 今日3d专家预测号最准确 | 3d正版藏机图总汇全图 | 3d预测号码 | 3d试机号今天开机号查询 | 3d最精准的专家预测精选 | 3d今天专家预测推荐号码 | 福彩3D独胆当天分析最新 | 詹天佑今日最新点评 | 陈华3d独胆推荐 | 3d十位走势图振幅 | 3d专家预测最准确最新今晚预测 | 廊坊鸿运3d预测今天 | 玩彩独胆王三天计划 | 3d詹天佑最新预测牛彩网 | 历史3d开奖结果 | 3d今晚专家预测推荐号 | 排3藏机图正版藏机图今天 3d八哥图库总汇d字谜图谜总汇大全 | 3d独胆专家预测 | 3d预测号码最准确专家预测 | 于海滨海3d预测保真 | 福彩3D独胆团队分析最新 | 3d十位胆方法100准确 | 3d专家预测最准双胆 | 彩界毒胆大师一枚毒胆 | 3d号码预测| 3d跨度遗漏值振幅走势图彩经网 | 三d预测最准十专家预测今晚 | 3d精准预测最准的专家直选 | 3d今天开机号和试机号牛彩网 | 3d最准一注号码 | 专家3d预测汇总 | 3d基本走势图结果 | 3d预测汇总晚间 | 牛彩网3d专家预测汇总 | 3d杀码公式最新 | 3D独胆高手精准预测 | 3d试机号今天晚上金码92期 | 3d藏机图正版藏机图汇总今天最新图片 | 3d乐彩走势图表 | 3d直选100%中奖绝技软件 | 苦命人3d推荐一注 | 3d廊坊鸿运精选号码推荐 | 3D独胆实时推荐 | 十拿九稳预测专家分析 | 今天的3d推荐号码是多少 | 3d开机号试机号关注号金码对应码 | 今晚3d专家推荐号码是多少 | 3d专家预测号码推荐今天 | 3D独胆下一期精准预测 | 今天3d字谜3d一句定三码3d和值谜 | 于海滨专家3d预测 | 3d专家推荐最精准的号码 | 3d预测最准确专家 | 于海滨海3d专家预测今天 | 3d推荐号今日预测 | 近100期3d开机号和试机号 | 中国杀码王绝杀 | 3d今晚专家推荐 | 3d各类和值谜追加汇总 | 3d今晚预测最新最准确号码牛彩网 | 三d走势图基本走势图彩宝网 | 3d号码预测 | 于海滨点评专家一语保真 | 3d 今天 试机号开机号 | 3d今晚专家预测最准确一注 | 最准3d预测专家推荐号 | 助赢计划软件免费版下载安装 | 3d藏机图正版藏机图诗汇总 | 3d专家预测推荐号码 | 3d今天专家推荐号码 | 3d免费专家预测推荐今天最新 | 3d最准预测号 | 小红人的三天计划今天是什么 | 3d今晚必中一注 | 3d牛彩网试机号后专家预测汇总 | 3d今晚专家预测推荐号 | 3d试机号今天开机号查询 | 3d预测最准最新牛彩网 | 3d专家预测最准确 | 3d牛彩网和值走势图 | 近30期3d开奖结果 | 3d百个差振幅走势图近100期 | 3d彩宝贝试机号今天最新 | 于海滨海3d专家预测 | 3d太湖专家预测今晚 | 3d藏机图正版藏机图汇总今天最新 | 3d最准预测专家推荐 | 3d预测詹天佑最新 | 今于海滨3d预测今天275 | 3d预测专家最准确的专家预测今晚 | 3d最精准的专家预测 | 3d预测牛彩网预测汇总 | 3d和值尾振幅走势图200期 | 于海滨专家一语定胆十每日 | 今晚3d预测推荐一注 | 千禧开机号试机号关注号金码杀码 | 3d专家詹詹天佑最新推荐 | 3d带连线专业版走势图表 | 3d牛彩网100期开机号和试机号 | 3d专家预测最准确最新汇总 | 于海滨今日预测号 | 3d专家今天推荐号 | 今日3d开奖号今晚 | 3d老炮子直选三注 | 一代女王决杀两胆免费观看 | 3d詹天佑预测分析牛彩网 | 3d十大专家预测汇总 | 3d家彩网| 今日3d太湖三字谜 | 3d跨度振幅3d之家走势图 | 于海滨海3d预测牛彩网 | 今日3d预测号码推荐 | 牛彩预测汇总3d最新 | 3d开奖号码今晚走势图 | 3d太湖字太湖字谜今天 | 3d今日开机号和试机号及关注码 | 3d杀码专家大全 | 太湖3d字谜太湖钓叟三字诀 | 3d专家预测最准今天 | 财神爷三天计划 | 3d专家预测最准确今天上一期 | 于海滨海3d专家预测今天 | 3d带连线专业版走势图表 | 3d专家预测推荐号码最准最新 | 今天3d藏机图正版藏机图藏机图太湖横屏 | 3d字谜历史记录 | 3d直选一注今天 | 3d两胆下一稳定方法 | 今晚3d推荐号 | 于海滨海3d专家杀码 | 太湖3d字谜太湖钓叟三字诀 | 3d最新专家预测汇总大全 | 千禧3d试机号关注号 | 太湖3d字谜今天的 | 3d开机号试机号奖号 | 今晚3d试机号码和开机号 | 3d杀码专家杀码天齐网 | 3d小龙一句定三码今日字谜天中图 | 3d单选一注能中多少钱 | 十大杀码专家3d | 3d乐彩走势图表 | 3D独胆团队命中率最新 | 中国福彩3D独胆下期推荐杀号最新 | 中国杀码王绝对 | 近300期3d和值走势图 | 3d专家预测最准最新今天 | 3d绝杀二码今天最新更新内容 | 3d近200期试机号和开奖号码 | 3d解太湖字谜汇总 | 3地独胆,毒胆双胆家彩网 | 排五预测最准专家 | 3d开机号试机号30期列表彩宝网 | 3d最近100期历史记录 | 3d双胆,独胆非常非常稳定 | 3D独胆下一期杀号 | 3d预测专家推荐号码推荐 | 3d十大专家精准预测汇总 | 3d字谜今日字谜总汇 | 今日3d直选 | 3d陈华今晚独胆推荐 | 3d北斗专家北斗预测今天079期3d | 詹天佑3d今晚预测号码 | 3d今晚专家预测最准确号码 | 3d预测最准确专家预测 | 詹天佑最新预测3d | 今晚3d开奖号试机号 | 齐彩网3d专家预测 | 今日3d开机号和试机号关注码千禧 | 3d最准专家预测号 | 今晚3d专家推荐号码是多少 | 乾坤三天计划独胆预测 | 3d毒毒毒胆胆胆中中中 | 3d正版藏机图谜汇总 | 中国福彩3D独胆今日走势最新 | 3d牛彩网试机号后专家预测汇总 | 太湖3d字谜今天的 | 3d詹天佑点评 | 3d预测号最新最准牛彩网 | 3d专家詹詹天佑最新推荐 | 3d和值宫数线走势图 | 3d最近1000期走势图表综合版图片 | 3d预测最准确的专家预测软件 | 3d开机号和试机号金码关注 | 3d试机号开机号今天金码关注 | 3d今日正版藏机图最新更新内容 | 3d直选一注必中 | 今天的3d开机号和试机号查询 | 三码合一是什么意思? | 3d今天专家推荐号码 | 今日3d钱王点评 | 今日正版藏机图全部汇总239期 | 今晚3d推荐号码 | 3d今晚最准确一注 | 3d和值基本走势图 | 今日精准预测推荐3d号码 | 3d今天开机号和试机号码727 | 3d专家预测最准确今天3d | 3d詹天佑推荐号码 | 今天3d数字定位三 | 陈华今晚3d赌一胆天齐网 | 3d藏机图正版藏机图汇总今天最新图片 | 3d直选三注必中免费 | 小财神三天计划独胆必下 | 3d专家预测于海滨 | 3d今晚推荐号 | 3d预测最准确专家 | 3d开机号,试机号和开奖号 | 于海滨精准杀码图 | 3D独胆本期推荐 | 福彩3D独胆内部杀号 | 龙头凤尾最准确预测 | 千禧3d试机号金码关注码今天 | 3d平均值走势图振幅3d之家 | 三d牛彩网开机号试机号是多少 | 福彩3D独胆下期分析 | 廊坊鸿运3d推荐今天 | 于海滨最新3d预测推荐今天 | 3d专家预测号码最准确 | 北斗3d今日预测 | 詹天佑3d预测号 | 今天3d的开机号和试机号是多少号 | 最准3d专家预测推荐 | 牛人独胆三天计划 | 3d最精准的专家预测精选 | 3d今天专家推荐号码 | 唐龙预测一胆今天 | 今日钱王给胆点评 | 3d专家预测最准确 | 今晚钱王点评推荐号 | 3d杀码图专区,杀码图 | 千禧三地试机号对应码金码 | 3d一语定胆字谜今天 | 排三专家推荐与预测今天 | 3d牛彩网字谜图谜总汇九 | 福彩3D独胆最新走势最新 | 3d最准确预测专家 | 3d预测号码最准确专家预测 | 3d今天专家推荐号码是多少 | 3d小龙一句定三码今日字谜天中图 | 于海滨3d今晚预测 | 3d最精准的专家预测 | 3d于海滨上的今天预测保真 | 3d今晚最准专家推荐号 | 神仙姐姐杀尾 | 3d百位定位走势图 | 今于海滨3d预测今天 | 三d字谜总汇大全 | 3d专家预测最准最新今天 | 十拿九稳预测 | 3d公式计算方法 | 超级毒胆 | 3d打一个独胆中了多少钱 | 3d预测最新最准3d之家 | 3d十位走势图带连线图表专业版 | 3d试机号今天晚上是多少 | 3d大老人预测 | 3d和尾振幅走势图3d专家 | 3d开机号和试机号金码和关注码 | 福彩3D独胆团队必中 | 孟庆会老师3d预测彩吧图库今天 | 3d于海滨专家预测 | 今于海滨3d预测今天牛彩网 | 今晚上必中一注 | 3d专家预测最准确最新今天牛彩 | 小红孩3d独胆今天 | 3d今晚十大专家预测汇总 | 福彩3D独胆下一期推荐最新 | 3d免费预测 | 3d试机号今晚开机号 | 3d专家预测最准确最新今晚预测 | 3d专家预测最准确最新汇总 | 中国福彩3D独胆当天精准预测最新 | 3d开机号和试机号今天金码0 | 3d开机号试机号奖号 | 今晚3d推荐号 | 3d今天专家推荐号码 | 3d预测号码最准最新准专家预测号 | 于海滨今天3d预测号 | 3d独胆10中10 | 3d今晚必中一注 | 3d今天专家预测推荐号码 | 今晚3d预测开奖号码推荐 | 专家预测3d号码准确 | 3d专家杀码图 | 3d独胆专家推荐独胆 | 独胆计划王 | 3d直选三注必中免费 | 神仙姐姐杀码今天的 | 于海滨一语定胆《保真》 | 詹天佑3d最新消息今天 | 3d预测专家推荐最准确 | 3d和值尾走势图(专业版) | 3d预测一注号推荐今晚 | 今天3d试机号和开机号 | 3d今天断组预测 | 3d开机号试机号今天最新50期 | 廊坊鸿运3d最新预测 | 3d开奖结果今晚号码 | 3d预测专家精准推荐 | 3d预测专家精准推荐号 | 精准3d独胆 | 骄子铁鹰解3d字谜今日 | 最准3d预测专家推荐号 | 3d专家预测最准确| 三地千禧关注码试机号 | 今晚3d预测最准一注 | 3d太湖专家预测今晚 | 3d今晚必出一注100%准确直选推荐 | 今于海滨3d预测今天单线联系 | 牛人高手【3d精选】 | 3d专家预测最准最新今天 | 彩界女王双胆独胆 | 三d预测专家最新推荐 | 千禧试机号关注金码是什么 | 今晚3d开奖号多少 | 于海滨一语定胆 | 詹天佑今日3d预测 | 3d独胆双胆下一 | 3d直选走势图(专业版) | 近30期3d开机号 | 3d廊坊鸿运正版推荐 | 3d近50期开奖号码 | 今天3d号码推荐 | 3d今晚必下一个胆 | 于海滨海3d预测今天 | 3d开机试机号金码号关注号 | 3d开机号和试机号金码关注对应码 | 3d今天预测最准确专家 | 三d专家杀码 | 孟老师专家预测3d | 今天3d专家解太湖字谜汇总 | 于海滨海3d预测牛彩网 | 3d字谜今天太湖字谜 | 3d单一跨度走势图表 | 3d今天专家预测最新最准 | 3d六码复式多少钱一注 | 陈华3d今晚就赌一个胆 | 于海滨3d今晚预测号码 | 3d今晚上专家推荐号 | 今晚解太湖3d字谜 | 今天3d专家推荐号 | 准香港3d漫画资料 | 3d预测专家最准确的专家预测今晚 | 今天专家推荐号码3d | 3d双胆独胆必下一 | 今天3d开机号和试机号 | 今日3d开奖号太湖字谜总汇 | 3d最精准的专家预测精选 | 3d今天开机号和试机号码 | 3d综合走势图直选 | 3d专家预测推荐号码 | 3d今晚开奖号结果 | 天才计划三天计划独胆 | 3d专家预测推荐最新 | 3d最准的预测专家 | 3d预测最准的专家预测 | 3d精准预测最准的专家 | 3d最准专家预测号今晚3d试机号 | 小龙一语定三胆3d今日字谜 | 3d走势图专家推荐号码 | 3D独胆大神走势 | 福彩3D独胆下期最新分析 | 3d今天专家预测号码 | 于海滨3d预测今天 | 3D独胆独家推荐最新 | 3d胆王帅哥独胆双胆 | 3d直选是什么意思 | 3d开机号和试机号正版彩吧 | 3d预测最准确最新 | 3d预测号码最准最新推荐 | 3d和值走势图表综合版 | 3d图谜字谜总汇 | 3d预测号专家预测 | 中国福彩3D独胆当天分析 | 今于海滨3d杀码 | 今日排三太湖钓叟字谜三字诀 | 3d太湖钓叟字谜三字诀汇总 | 3d双胆独胆推荐 | 3d今天专家预测号码 | 今日3d正版藏机图,藏机图汇总,天中网 | 3d太湖钓叟字谜三字诀了3d开奖 | 3d杀码一定牛 | 3d今晚的开奖号码 | 3d今天开机号试机号码查询 | 3d走势图(带连线版) 试机号 | 3d今晚必下一个胆 | 詹天佑3d点评预测 | 3d今天预测最准确专家 | 3d预测专家精准推荐 | 3d十大专家推荐号码汇总 | 三d十拿九稳预测号码 | 3d千禧开机号和试机号码 | 3d最准确的预测方法 | 3d专家预测最准最新今天 | 3d今天专家预测号码最准确 | 3d今晚预测准确的专家预测 | 3d必中直选 | 太湖钓叟三字诀字谜解释总汇 | 3d专家预测最准确今天 | 杀码3d杀码图 | 彩吧3d开机号 | 三地千禧关注码试机号 | 今天太湖字谜三字诀是什么 | 三地杀码高手 | 3d预测最新最准专家 | 今晚快乐八专家预测推荐号 | 3d彩吧图库44462 | 3d预测专家精准推荐 | 3d推荐号码今晚预测 | 十拿九稳预测专家分析 | 直选三注必中一注3d | 3d最新专家预测推荐 | 3d推荐号今晚专家预测最准确 | 3d专家预测最准确最新汇总 | 于海滨3d今晚预测 | 3d彩宝网开机号和试机号 | 3d专家预测号 | 3d今晚最准专家推荐号 | 3d今晚最准专家预测号码145 | 3d专家预测最准确最新今天牛彩 | 3d今晚最准专家预测号码145 | 3d双胆独胆非常非常稳定 | 3d和值尾振幅走势图近50期 | 今天3d牛彩网专家预测 | 3d最准确最新专家预测 | 今天的3d太湖字谜今天晚上 | 今日3d开奖号太湖字谜总汇 | 3D独胆大神分析 | 太湖字谜钓叟3d字谜 | 3d预测最准确专家预测 | 3d预测专家推荐号码推荐 | 3d百十差振幅走势图 | 3d今晚试机号是多少查询 | 于海滨3d预测牛彩网 | 3d试后太湖一语定胆字谜 | 3d十位走势图彩经网 | 千禧3d试机号关注码今天 | 于海滨海3d专家预测 | 3d预测今晚最准专家预测号码 | 3d最新准专家预测 | 3d各路专家预测汇总大全最新 | 3d财神爷今晚独胆 | 3d预测今晚最准专家预测号码 | 3d预测专家最准确的专家预测今晚 | 3d今晚专家预测最准确一注 | 神仙姐姐杀尾 | 3d预测专家精准推荐 | 3d财神爷独胆双胆双飞计划三天 | 于海滨3d专家预测今天 | 3d和值振幅走势图彩宝贝 | 三d十拿九稳预测号码 | 3d,胆| 3d今晚最准专家预测号码 | 3d开奖号码走势图表 | 3d推荐最新最准专家预测 | 3d试机号今晚开机号 | 3d今天专家推荐号码推荐 | 3d试机号今天晚上是多少 | 千禧三地试机号对应码金码 | 牛彩网3d预测汇总大全 | 3d今天最新最准专家预测最 | 今晚预测3d号 | 3d詹天佑3d预测 | 3d今晚和值推荐 | 3d十位走势图带连线图表专业版 | 3d太湖专家预测今晚 | 3d今晚预测最新最准确 | 三d十拿九稳预测号码 | 3d推荐号今日预测 | 千禧3d试机号金码关注码牛彩网 | 3d预测今天推荐 | 于海滨3d预测 | 今晚3d预测专家预测号 | 廊坊鸿运3d推荐今天 | 于海滨杀码图牛彩 | 3d开机号试机号今天开奖号 | 中国彩吧更一懂彩民最新版本更新时 | 3d最准确最新专家预测 | 3D独胆明日分析 | 今晚最准的一注3d | 3d预测最准最新准专家预测号码 | 今日3d预测号 | 3d开机号和试机号近100期 | 3d千禧试机号开机号金码 | 看彩大亨看独胆双胆预测 | 3d专家于海滨 | 7号电池最建议买的三个型号 | 3d太湖字谜总汇总(正版) | 彩坛老顽童3d独胆 | 于海滨海3d预测今天 | 3d太湖17500字谜 | 【独胆真准】3d | 3d预测今日最新推荐 | 于海滨今天3d预测号 | 3d藏机图正版藏机图全图牛彩网 | 布衣杀码图3d杀码 | 3d条件预测专区牛彩网 | 3d开机号与试机号金码 | 3d图谜总汇字谜 | 今日3d预测 | 3d条件预测专家专区 | 3d专家詹詹天佑最新推荐 | 3d和值尾振幅走势图200期 | 今日3d藏机图汇总 正版 新版 | 3d跨度遗漏值振幅走势图彩经网 | 3d胆1拖9直选多少钱一注 | 3d直选形态走势图彩宝网 | 3d独胆预测 | 今天的3d太湖字谜今天晚上 | 3d试机号开奖号走势图表 | 3d预测专家最准确的专家预测今晚 | 今天3d精选一注 | 千禧金码关注码试机号 | 3d独胆双胆3d之家 | 陈华今天就赌一个胆3d | 3d最准确预测专家 | 3d真实的谎言字谜总汇正版 | 小红人的三天计划今天是什么 | 福彩3D独胆实时杀号 | 北斗3d今日专家预测推荐 | 今天最新3d开机号试机号关注码 | 三d牛彩网开机号试机号是多少 | 3d北斗专家北斗预测今天079期3d | 于海滨3d杀码图 | 3d专家预测最准确最新汇总对应码 | 今天3d太湖钓叟字谜三字诀 | 3d今晚最准专家预测号码 | 3d之家,专家预测预测 | 3d专家最新最准专家预测 | 3d近100期开奖结果全部 | 3d最精准独胆王 | 3d北斗专家北斗预测今天079期3d | 神仙姐姐今天最新杀码 | 排五预测最准专家 | 一代女王决杀两胆免费观看 | 3d布衣独胆王正版今天 | 今天3d詹天佑预测分析 | 3d晶晶必下一独胆今天 | 3d今天断组预测 | 3d今天预测最准确专家 | 3d专家最新最准专家预测汇总 | 3d杀码图谜 | 今晚3d专家预测精选一注 | 3d各类和值最新谜字谜今天 | 牛彩网3d预测 | 3d最准的独胆, | 今晚3d专家预测汇总 | 3d直选三注 | 3d试机号今天晚上金码92期 | 千禧3d试机号金码关注码对应码 | 3d推荐号今晚专家预测 | 3d詹天佑最新预测 | 3d今天专家预测最准确 | 唐龙一胆| 今日3d专家推荐号码 | 3d专家预测最准最新今天 | 三d预测专家预测 | 张克永最新3d预测 | 3d预测最准确的专家 | 3d十大专家汇总精选一注 | 中国福彩3D独胆最新必中最新 | 《中国杀码王》3d | 3d藏机图正版藏机图全图牛彩网 | 顶级胆神双胆必下 | 神仙姐姐杀码今天 | 3d预测专家推荐 | 3d今天专家预测号码最准确 | 3d专家预测于海滨 | 于海滨海3d专家预测今天 | 3d独胆双胆独胆3d之村 | 3d旧版基本走势图表 | 3d预测今晚推荐号 | 中国福彩3D独胆当天精准预测最新 | 3d今天预测最准确专家 | 3d必下胆| 3d试机号开奖号走势图表 | 3d千禧试机号关注号金码号开机号 | 马后炮解3d太湖字谜总汇大全 | 3d今晚预测100%| 今日3d专家预测号最准确 | 3d彩吧试机号今天最新 | 3D独胆内部精准预测 | 3d分析预测 | 3d预测最准专家预测牛彩网 | 3d预测最准的专家预测 | 3d预测专家精准推荐号 | 今晚3d天宇一句定三码字谜 | 3b千喜今天试机号关注金码 | 开机号试机号3d今天 | 3d两胆精准预测 | 3d预测号专家预测 | 今天的3d开奖号是多少 | 最准的3d专家预测 | 最新3d预测专家预测 | 3d专家预测最准确最新汇总 | 3d最准预测专家汇总大全 | 太湖钓叟3d字谜太湖字 | 3d预测今晚最准专家预测号码 | 3d藏机图正版图汇总 | 3d詹天佑预测分析牛彩网 | 3d百位四胆 | 沈宝桢个人简历 | 3d今晚精选预测一注 | 玩彩独胆王三天计划 | 福家老三3d推荐号 | 3d预测专家汇总预测 | 今日3d字谜一句定三码和值谜定1 | 千禧关注码试机号金码 | 福彩3D独胆高手预测 | 于海滨海3d专家预测今天 | 于海滨专家预测3d | 今晚3d专家预测精选一注 | 3d专家今天推荐号 | 3d最准预测专家推荐 | 3d专家最新最准今天预测 | 3d预测专家推荐最准确 | 杀码王杀码 | 彩宝贝十大专家杀蓝号 | 詹天佑3d今日推荐 | 3d杀码图| 于海滨海3d预测牛彩网 | 3d专家预测最准最新今天 | 3d精准预测专家预测 | 3d太湖17500字谜 | 今天太湖字谜三字诀是什么 | 3d最全晚间字谜汇总大全 | 3d最新最准专家预测号码 | 3d詹天佑 | 3d预测最准的专家预测 | 十拿九稳预测分析 | 3d和值专家推荐和值 | 3d今晚必出的一注 | 今天的3d开机号和试机号查询 | 今日3d一句定三码最准和值谜 | 天天彩于海滨海3d最新预测 | 3d试机号后专家推荐汇总 | 今晚3d预测专家预测号 | 中国福彩3D独胆高手命中率 | 3d预测杀码 | 太湖钓叟三字诀字谜解释总汇 | 3d和值012走势图带连线图 | 3d预测最准确的专家预测软件 | 陈华今晚就赌一个胆预测 | 3d詹天佑最新预测今天 | 太湖钓叟3d字谜太湖字 | 孟老师专家预测3d | 解3d字谜太湖钓叟汇总 | 福彩3D独胆老师必中 | 中国福彩3D独胆下期分析最新 | 今日3d开奖号今晚 | 3d今晚最准一注 | 福彩3D独胆实时走势 | 3d和值基本走势 | 李明启3d预测最新号码 | 3d今晚预测直选一注3d一注预测 | 3D独胆团队精准预测最新 | 3d晚间字谜总汇大全 | 3d今天开机号和试机号码200 | p3故事小王双胆下一今天 | 3d专家预测最准最新 | 3d之家北斗今日预测 | 今晚3d专家推荐号码是多少 | 3d独胆双胆独胆3d之村 | 3d今日开机号和试机号及关注码 | 3d最新最准专家预预测 | 3d今天开机号和试机号码200 | 3d预测最准专家预测牛彩网 | 3d预测专家最准确的专家预测今晚 | 今晚3d专家推荐号码是多少 | 3d今晚最准专家推荐号 | 3d今天专家预测号码 | 彩宝贝十大专家杀蓝号 | 3D独胆今晚命中率最新 | 三d的试机号是多少今天 | 3d试机号开机号关注号金码 | 今日正版藏机图全部汇总239期 | 3d今晚上必出号推荐组 | 千禧之年3d开机号试机号金码关注 | 3d今晚最准最新专家推荐号 | 十大杀码专家3d | 3d今天晚上精选一注 | 3d预测最准专家预测号 | 千禧今晚3d试机号关注码金码 | 3d太湖专家预测今晚 | 3d玩胆先生双胆独胆 | 3d预测专家推荐最准确 | 今天的3d推荐号码是多少 | 3d试机号今天晚上是多少 | 3d太湖字太湖字谜今天 | 小红人的三天计划今天是什么 | 卫星电话最建议买的三个型号 | 老炮子预测今晚三地 | 牛彩网3d专家预测 | 中国福彩3D独胆专家推荐最新 | 3d千禧开机号试机号关注金码 | 3d综合走势图直选 | 今晚3d预测总汇 | 百位振幅走势图3d之家 | 3d陈华今晚独胆推荐 | 3d最新最准专家预测号码 | 3d今日开机号和试机号及关注码 | 3d买一个独胆中了得多少钱 | 3d正版太湖字谜图谜 | 3d最新专家预测精选一注 | 3d一句定三码最准字谜 | 助赢计划软件官网版下载 | 3d2025322期太湖字谜 | 3d最准确专家预测 | 3d千禧试机号金码关注最近10期 | 于海滨海3d专家预测今晚一注 | 3d试机号后专家预测推荐汇总 | 排三杀码专家 | 今日3d直选一注 | 三d的试机号是多少今天 | 3d组选中一注多少钱 | 铁人铁胆3d包星定位最新今天 | 3d字谜总汇今日3d字谜总汇牛彩网 | 今日3d预测号码推荐 | 3d专家预测最准确最新汇总对应码 | 3d十大专家推荐号码汇总 | 今晚上必中一注 | 于海滨海3d预测今天 | 3d今天开机号和试机号开奖结果 | 3d杀码一定牛 | 于海滨3d预测号 | 今晚3d试机号开机号金码号 | 3d今天推荐号码是多少 | 3d专家预测推荐最新 | 詹天佑3d预测推荐 | 3d试机号近10期彩经网 | 3d今天绕胆图彩之网 | 3d牛彩网专家预测 | 3d专家最新最准专家预测汇总 | 3d预测最准确专家预测牛彩网 | 3d今天中了多少注直选 | 3d今天专家推荐号码 | 3d最新专家预测推荐 | 3d北斗专家北斗预测今天079期3d | 3d断组今晚全部 | 3d今晚专家推荐 | 今天的3d藏机图正版藏图 | 福彩3D独胆实时走势 | 3d今晚必出号预测 | 3d三天计划独胆王 | 李明启3d最新预测今天 | 今天3d藏机图正版藏机图藏机图太湖横屏 | 3d免费预测汇总牛彩网 | 3d最新专家预测汇总大全 | 3d近100期试机号和开奖号是多少 | 3d至尊独胆 | 3d字字谜图谜总汇 | 3d和值尾振幅走势图专业版 | 今天3d专家推荐重点号码 | 3d千禧试机号开机号对应码关注号 | 三d之家独胆 | 3d谜语解太湖字谜 | 3d最精准的专家预测 | 3d和值走势图(专业版) | 今晚3d专家推荐号 | 排三十拿九稳今天预测 | 3d最准确预测专家 | 3d图谜字谜总汇 | 三地千禧开机号试机号金码关注 | 3d走势图专家推荐号码 | 3d精选号码推荐今天最新 | 今天3d开机号,试机号是多少 | 今日3d太湖字谜三字诀排三开奖结果 | 独胆三天计划 | 彩界毒胆大师一枚毒胆 | 3d独胆专家推荐独胆 | 于海滨海独胆预测 | 于海滨最新3d预测推荐今天 | 3d开机号近30期列表彩宝网 | 3d专家预测最准确最新新闻 | 3d十大专家精准预测汇总 | 3d专家预测最准确 | 3d千禧开机号试机号关注金码对应码 | 3D独胆下期推荐预测最新 | 3d今日推荐号| 3d专家预测最准确今天 | 3d今天的推荐号 | 三天计划独胆牛人 | 今晚3d专家推荐号 | 3D独胆高手精准预测 | 3d十大专家预测汇总 | 唐龙点评3d预测今天 | 3d专家预测最准最新 | 三地杀码高手 | 今天3d开机号和试机号牛彩网 | 今晚3d专家推荐号码 | 3d今晚预测最准确一注 | 三d字谜图谜总汇牛彩网 | 3d今日专家推荐号 | 天齐网3d必中两胆今天 | 3d预测专家汇总预测 | 3d跨度振幅近100期走势 | 今日3d专家预测号最准确 | 3d专家预测推荐最新 | 三地千禧试机号关注金码对应码 | 故事小王p3双胆必下 | 3d牛彩网预测汇总 | 今天3d开机号试机号对应码列表 | 3d预测 下一期 3d预测专家 3d预测 | 3d专家预测推荐汇总 | 3d预测今晚最准专家预测号码 | 中国福彩3D独胆独家预测 | 于海滨3d预测免费 | 3d预测最准确的专家 | 最新3d预测专家预测 | 3d专家预测推荐号码最准最新 | 3d开奖号历史上的今天 | 3d近30期试机号和开奖结果 | 3d专家预测汇总牛彩网收集汇总 | 孟老师专家预测3d | 3d带连线专业版走势图表 | 3d专家预测最准确今天上一期 | 今日3d太湖字谜三字诀排三开奖结果 | 千禧今晚3d试机号关注码金码对应 | 3d今晚预测准确的专家预测 | 3d于海杀码图 | 下一期专家推荐号码 | 3d最新专家预测推荐 | 3d走势图基本走势图 | 3d最准确的专家预测 | 3d今天专家推荐号码推荐 | 3D独胆高手走势最新 | 3d预测专家最准确 | 今天3d开机号 试机号是多少 | 毒胆牛人三天计划必出 | 今日毒胆| 3d今晚出什么号? | 3d预测最准确的专家预测软件 | 3d开机号和试机号金码关注对应号 | 3d专家预测最准 | 太湖马后炮3d钓叟字谜 | 3d今天专家推荐号码 | 3d基本走势综合图 | 3d最精准专家预测汇总今天 | 3d试机号200期历史 | 于海滨今日杀码图 | 3d专家今日推荐号码 | 今天3d詹天佑预测分析 | 3d预测最准最新准专家预测 | 3d预测专家最准最新 | 3d开机号近30期列表彩宝网 | 3d玩彩老头预测今天号码 | 3d和值最近(500)期走势图 | 3d今晚上专家推荐号 | 3d专家今天预测汇总 | 3d各路专家预测汇总大全最新 | 于海滨专家3d今天预测 | 3d专家预测最准确最新今晚预测 | 今天3d号码推荐 | 3d今晚和值推荐 | 三d的试机号是多少今天 | 牛彩网3d专家预测汇总 | 3d牛彩网字谜图谜汇总九 | 3d万能大底共250注直选 | 福彩3D独胆最新推荐最新 | 3d今晚专家预测推荐号 | 今于海滨3d预测今天牛彩网 | 毒胆牛人三天计划必出 | 3d今晚必中一注 | 3d开机号和试机号今天金码0 | 太湖3d字谜图谜总汇 | 3d今天开机号试机号对应码关注码 | 今晚3d专家预测精选一注 | 3d组选中一注多少钱 | 3d和值走势图(带连线图) | 3d开奖号码今晚走势图 | 最新3d预测专家预测 | 牛彩3d网首页 | 今天的3d太湖字谜今天晚上 | 3d最准确最新专家预测 | 3d今晚预测最新最准确号码牛彩网 | 3d太湖字太湖字谜今天 | 3d两胆精准预测 | 詹天佑3d推荐 | 3d恋预测今晚预测是哪里出的 | 3d预测号码最准确专家预测 | 3d千禧开机号和试机号码 | 3d预测号码最准确专家预测 | 福彩3D独胆大神精准预测最新 | 3d今天开机号和试机号码 | 3d开心毒胆独胆王 | 毒胆牛人三天计划今天 | 今日3d蓝仙子一句定三码字谜 | 3d独胆双胆3d之家 | 3d专家杀码 | 3d牛彩网预测汇总 | 3d焰舞和值谜字谜 | 今晚3d预测最准一注 | 今天的3d开机号和试机号查询 | 千禧3试机号金码关注码金码 | 3d今天专家预测最准 | 福彩3D独胆高手预测 | 3d火火独胆双胆 | 3d双胆独胆非常非常 | 3d晚秋和值谜字谜图 | 3D独胆老师预测 | 最准一个毒胆 | 唐龙3d预测号 | 中国福彩3D独胆当天分析 | 孟庆会老师3d预测彩吧图库今天 | 3d开机号今天牛彩网近30期 | 3d今晚最准专家预测号码 | 3d于海滨上的今天杀码 | 近1000期3d开奖结果 | 彩界女王双胆独胆 | 3d晚间字谜汇总汇 | 3d字谜汇总大全总汇大全 | 3d最新专家预测汇总大全 | 今日3d开机号和试机号列表三十期 | 今日3d预测 | 于海滨3d免费预测 | 3d 今天 试机号开机号 | 3d杀码图天齐网 | 3d双胆独胆非常非常稳定 | 3d詹天佑最新预测 | 太湖字谜钓叟3d字谜 | 3d专家预测最准确号码 | 3d,预测 | 3d海滨点评一语定胆今天最新推荐 | 3d千禧开机号试机号关注金码对应码 | 3d试机号今天开机号查询结果 | 3d太湖钓叟三字诀字谜汇总 | 福彩3D独胆本期命中率 | 3d专家预测最新最准推荐 | 3d机选一注 | 于海滨点评专家一注定胆保真版 | 3d专家预测最新推荐 | 今日3d直选| 3d钱王老头给胆点评 | 今天3d专家推荐重点号 | 3d预测 下一期 3d预测专家 3d预测 | 李明启3d预测最新号码 | 今晚3d专家最精准的预测 | 经典小胆王三天计划配组合 | 3d今晚预测3d更准 | 3d试机号后专家预测汇总 | 3d最准预测号| 三d独胆 | 3d今天专家预测最新最准 | 今天3d试机号开机号是什么 | 3d牛彩网专家汇总汇总大全 | 最新3d预测专家预测 | 3d近300期试机号和开奖号码 | 千禧试机号金码关注码的历史记录 | 3d今天开机号和试机号开奖结果 | 3d千禧试机号关注号金码号开机号 | 3d专家预测最准确最新汇总对应码 | 于海滨海3d专家预测今天 | 3d北斗专家北斗预测今天079期3d | 3d专家预测最准确最新推荐号码 | 3d专家最新最准预测 | 马后炮解今日太湖字谜三字诀 | 3d专家预测推荐 | 3d专家预测独胆最准确 | 3d老虎独胆| 3d预测今晚最准专家预测号码 | 3d今于海滨杀码图 | 大师诸葛亮今晚一个独胆 | 3d试机号开奖号走势图表 | 3d近30期开机号试机号牛彩网 | 今日3d专家推荐号码 | 于海滨一语定胆《保真》 | 3d最准专家预测号 | 于海滨专家预测 | 3d研究生双胆王 | 排五开奖最新结果排5 | 3d字谜今日字谜总汇 | 3d预测一注号推荐一3d预测一注今天 | 3d预测推荐汇总牛彩网采摘收集 | 至尊计划王三天计划独胆 | 自创3d绝杀四码方法细节 | 3d预测最准的专家预测 | 3d双胆独胆 | 3d开机号和试机号近100期列表 | 三d预测专家最新推荐 | 3d直选走势图(专业版) | 3d 图谜字谜总汇 | 3d专家预测推荐号码 | 今天的3d开机号和试机号中奖号 | 3d藏机图正版藏图汇总大全 | 3b预测汇总牛彩网 | 3d今天预测最准确专家 | 3d今晚出的号码 | 3d推荐最新最准专家预测 | 3d今天开机号 试机号查询 | 万能四码图表 | 3d跨度分位走势图图感觉 | 今天三字诀太湖字谜 | 3d最准预测专家汇总大全 | 3d万能四码走势图表 | 今日期3d太湖字谜 | 3d近100期开奖结果全部 | 北斗3d今日专家预测推荐 | 3d专家预测推荐号最新 | 3b预测汇总牛彩网 | 3D独胆下期推荐预测最新 | 3d千禧试机号开机号金码 | 于海滨3d预测免费每日精选 | 3d今天开机号和试机号金码对应码 | 3d专家预测最准确最新新闻 | 3d试机号后专家预测推荐汇总 | 3d预测最准专家预测号码 | 孟庆会老师3d分析预测 | 今天3d试机号和开机号 | 3d今天开机号和试机号322 | 3d今晚预测直选一注 | 3d今晚专家预测推荐号 | 3d最精准的专家预测 | 3d紫云涧专家预测推荐 | 3d和值尾振幅走势图200期 | 3d今天精准一注 | 3d今晚预测 | 3d最精准专家预测汇总今天 | 今日精准预测推荐3d号码 | 专家预测3d号码准确 | 3d专家预测最准确最新今晚预测 | 3d今晚推荐号码最新 | 3d李明启最新预测今天 | 3d专家预测最新 | 今晚3d开机号试机号金码 | 3d历史今天开奖结果 | 成功路上3d双胆独胆 | 今日3d推荐号码号 | 3d绝杀二码今天最新更新内容 | 3d今晚最新预测 | 最准3d预测专家推荐号 | 3d今晚最准最新专家推荐号 | 于海滨海3d专家杀码 | 3d今天的开机号和试机号查询 | 3d解太湖字谜汇总精选 | 3d十大专家推荐号码汇总 | 3d字谜太湖解字谜 | 3d今晚最准确一注 | 3d中2个号多少钱 | 3d今天专家预测推荐号码 | 3d精准预测最准的专家 | 3d预测总汇手机牛彩网 | 3d今天开机号和试机号是多少 | 3d开机号试机号码牛彩网 | 千禧3试机号金码关注码金码 | 今天3d开机号和试机号码是多少 | 3d下期预测最精准的一注号码 | 徐文轩3d预测推荐 | 3d今晚预测最新最准确号码牛彩网 | 3d最准专家预测号 | 布衣3d独胆双胆王 | 今晚3d专家推荐号码 | 3d独胆必下一独胆布衣正 | 3d独胆一个 | 3d直选注| 3d近500期试机号和开奖号码 | 3d今晚专家预测最准确一注 | 今晚3d预测专家预测号 | 福彩3D独胆当天分析最新 | 3d买4个号直选多少钱 | 李明启3d今晚预测专栏 | 今日3d预测号码推荐 | 一定牛3d杀码 | 今天3d千禧试机号关注号金码号 | 今天3d推荐号码今晚预测 | 看彩大亨看独胆双胆预测 | 千禧3d试机号关注号 | 福彩3D独胆下期走势最新 | 今晚最全3d晚间字谜汇总192期 | 3d百位四胆 | 今晚3d专家推荐 | 3d预测今晚最新最准确 | 太湖三字谜太湖3d钓叟 | 稳准狠三天计划 | 于海滨3d杀码图145 | 双胆王看双胆3d | 3d阿福图库图谜大全 | 今日3d蓝仙子一句定三码字谜 | 3d今天专家推荐号码 | 今天3d开机号和试机号查询结果彩吧 | 3d今天专家预测号码最准确 | 3d经典小胆王 | 3d今晚预测 | 3d试机号开机号近50期 | 3d试机号开机号今天金码关注 | 今晚3d专家推荐号 | 3d陈华今晚就赌一胆天齐网 | 千禧3d试机号关注码金码今天的 | 3d和值尾振幅近100期走势图 | 今日3d杀码最新 | 3d藏机图正版藏机图太湖字谜 | 3D独胆老师预测 | 3d预测詹天佑最新 | 3d单一跨度走势图表 | 3d千禧金码试机号关注码 | 3d今日正版藏机图最新更新内容 | 2014年359期3d焰舞字谜 | 福彩3D独胆高手杀号最新 | 专家3d预测汇总 | 彩坛老顽童3d独胆 | 今晚3d专家推荐号码是多少 | 3d预测专家最准确今天 | 千禧3d试机号金码关注码今天 | 3d专家预测最准确最新今晚预测 | 3d精准预测最准的专家 | 3d百十和尾振幅走势图走势 | 3d独胆双胆预测推荐 | 成功路上3d双胆独胆 | 3d和值振幅走势图彩宝贝 | 福彩3D独胆下期推荐必中 | 牛人独胆三天计划 | 3d带连线专业版走势图表 | 3d预测专家汇总预测 | 千禧3d试机号金码关注码码关注码双彩论六个 | 3d今天的开机号和试机号查询 | 3d综合走势图直选 | 三d预测汇总 | 3d最新最准预测号码今天 | 3d专家预测最准确今天南方双彩网 | 3d牛彩网专家汇总汇总大全 | 3d开机号今天试机号查询 | 万能四码使用技巧 | 三d预测专家预测今天最新 今于海滨3d预测 | 3d百位定位走势图 | 3d杀码专家杀码 | 天齐网3d必中两胆今天 | 3d和值振幅走势图带连线坐标 | 3d字谜解太湖字谜 | 今日3d预测专家推荐 | 3d藏机图正版藏机图汇总今天最新 | 今晚3d专家推荐号码是多少 | 3d之家双胆独胆预测 | 3d十大专家精准预测汇总 | 3d正版藏机图谜汇总 | 3d今天最新最准专家预测最 | 3d试机号后专家预测 | 今天3d试机号开机号是什么 | 财神爷三天计划 | 3d千禧开机号试机号关注金码 | 3d三胆| 3d直选历史遗漏查询 | 太湖钓叟三字诀字谜解释总汇 | 于海滨海3d预测免费每日精选3d开奖号 | 孟庆会老师3d预测彩吧图库今天 | 3d号码预测 | 今天的3d开机号和试机号中奖号 | 詹天佑3d今晚预测号码 | 今日3d一句定三码和值谜食物全部 | 3d最小值振幅走势图3d之家 | 中国彩吧更一懂彩民最新版本更新时 | 3d预测专家最准确今天 | 开心笨小孩3d独胆 | 3d最小差值振幅走势图 | 3d专家今天预测一注 | 3d今晚和值字谜 | 3d最准专家预测号 | 3d十大专家双胆预测汇总 | 3d专家预测最准确号码 | 3d专家推荐精选号码 | 3d今天最新最准专家预测最 | 今于海滨3d杀码 | 3d专家预测今天最新准确号 | 3d近300期试机号和开奖号码 | 3d今天开机号和试机号码300 | 于海滨预测号 | 3d预测汇总牛彩网 | 3d今晚最准的一注 | 3d历史今天开奖结果 | 3d千禧开机号试机号关注金码对应码 | 3d彩吧预测,预测 | 今日3d开机号和试机号关注码千禧 | 千禧3d试机号关注码今天 | 3d预测今晚最准专家预测号码 | 【福星】3d单挑10注组 | 今晚开奖号码3d开奖结果 | 3d胆预测天齐网 | 3d八哥图库总汇d字谜图谜总汇大全 | 3d带线走势图连线走势图 | 3d十大专家推荐号码汇总 | 3d今天中了多少注直选 | 3d今晚预测100% | 3d今晚十大专家预测汇总 | 一代女王p3杀两胆独胆 | 解3d太湖钓叟字谜汇总 | 今日3d一句定三码最准和值谜 | 于海滨3d预测免费每日精选 | 3d千禧开机号试机号关注金码 | 3d双胆神算今天必下 | 詹天佑今日3d预测 | 今日3d专家推荐号码 | 今晚3d专家推荐号码是多少 | 今天3d定位字谜二 | 开机号试机号3d今天 | 3d今晚一注推荐 | 钱王点评3d之家 | 3d预测推荐汇总牛彩网采摘收集 | 于海滨海3d专家杀码 | 三d试机号后专家预测汇总 于海滨专家3d今天预测 | 于海滨3d专家预测今天 | 宇海宾杀码图 | 助赢计划软件免费版下载安装 | 最精准杀码王 | 3d今晚专家免费预测 | 3d今天专家推荐号码是多少 | 3d预测最准确专家预测 | 3d专家预测最准确最新今晚预测 | 今晚3d开奖号走势图 | 3d预测最准专家 | 3d于海滨今天预测保真 | 于海滨专家一语定胆十每日 | 3d和值和尾振幅走势图 | 于海滨3d预测天齐网 | 3d开机号和试机号是多少 | 于海滨3d最新预测 | 3d字太湖叟字谜 | 三地千禧开机号试机号金码关注 | 十拿九稳预测分析 | 3d今晚必中三个号码预测 | 今晚3d开机号试机号金码关注码 | 唐龙点评3d预测今天 | 3d精准预测最准的专家 | 3d千禧试机号关注号金码号开机号 | 廊坊鸿运3d最新预测 | 3d今天开机号和试机号多少 | 牛彩网专家汇总汇总3d | 3d今晚必出一注100%准确直选推荐 | 3d晶晶必下一独胆今天 | 3d最精准专家预测汇总今天 | 3d预测最准的专家预测 | 天才计划三天计划独胆 | 3d预测总汇手机牛彩网 | 今天3d专家推荐号 | 3d专家预测最准最新 | 3d精准预测最准的专家直选 | 3d陈华就赌一个胆天齐网 | 今天的太湖3d字谜 | 3d白娘子跨度字谜汇总今天牛彩网 | 中国福彩3D独胆最新推荐 | 3d试机号后专家预测汇总 | 3d专家预测最准确今天上一期 | 3d专家推荐今天 | 3d解太湖字谜汇总 | 3d今晚出啥号 | 3d开机号和试机号今天金码关注号 | 三d牛彩网开机号试机号是多少 | 3d试机号200期历史 | 专家预测3d预测 | 太湖解太湖3d字谜 | 3d专家直选最精准一注 | 今天的3d开机号和试机号中奖号 | 3d太湖字太湖字谜今天 | 今晚3d专家推荐号码是多少 | 3d今晚必下一个胆 | 3d资料大全免费 | 3d今晚开奖号多少 | 3d专家预测号码手机牛彩网 | 今天晚上3d开奖结果 | 3d定位独胆王三个双飞 | 3d直选走势图(专业版) | 3d最准一个独胆方法 | 今晚3d精准一注直选 | 3d牛哄哄解太湖字谜今天 | 3d试机号今晚开机号 | 千禧3d关注码 | 3d彩宝贝试机号今天最新 | 今天p3藏机图正版藏机图 | 3d每天都有开奖吗 | 3d预测今晚推荐号 | 3d杀码十大专家天齐网 | 今晚3d号码开奖结果多少 | 3d陈华今晚就赌一胆今天最新消息 | 3d预测最新最准专家 | 3d武当玉女掌门一句定三码字谜 | 3d詹天佑最新预测 | 3d詹天佑最新预测牛彩网 | 3d小胆神独胆今天 | 3d开机号试机号30期列表走势图 | 福彩3D独胆大神精准预测最新 | 太湖字谜钓叟3d字谜 | 铁娘子三天计划独胆必下300 | 3d预测一注推荐 | 3d六码复式多少钱一注 | 于海滨3d杀码图145 | 最新3d预测专家预测 | 3d红波蓝波走势图大中小 | 3d开奖结果今晚号码 | 十拿九稳今天预测专家 | 3d开机号和试机号正版彩吧 | 3d于海滨杀码图 | 3d一定牛专家预测推荐 | 福彩3D独胆最新推荐最新 | 3d今晚出什么号? | 今日3d预测号码推荐 | 3d图库彩吧彩报第三版 | 3d今晚专家预测 | 今晚3d试机号开机号金码号 | 3d和值尾振幅走势图近50期 | 3d精准三注直选 | 3d今晚精选一注 | 3d今天专家预测号码 | 今天十拿九稳号码预测 | 3d百位走势图带连线图表专业版 | 3D独胆高手精准预测 | 3d今天开机号试机号金码关注号 | 3d万能三码共有几注 | 北斗3d今日专家预测推荐 | 3d预测最准确专家预测牛彩网 | 2025315期3d开奖结果 | 3d今晚惊天一注预测 | 3d最准预测专家预测汇总 | 3d和值尾振幅走势图3d走势3d之家 | 3d,预测 | 3d预测专家推荐号码推荐 | 3d千禧试机号关注码金码是什么 | 3d专家预测最准确最新汇总 | 于海滨今天杀码 | 福彩3D独胆下期杀号最新 | 3d专家预测最准今天 | 今晚上3d开奖号码 | 排三太湖钓叟字谜三字诀 | 近10期3d开奖结果 | 字谜3d太湖马后炮 | 3d今天专家预测号码最准确 | 3d今晚必出的一注 | 3d陈华今晚独胆预测 | 3d定胆王独胆定位 | 3d专家预测最准最新今天 | 3d太湖17500字谜 | 3d之家预测专家预测 | 3d独胆专家推荐独胆 | 3d预测今日最新推荐 | 97654天中图库,今天晚3d试机号 | 今天3d字谜解太湖字谜 | 陈华3d今晚就赌一个胆 | 3d十大专家杀跨度汇总 | 3d中间号走势图振幅走势图 | 3d预测最准最新准专家预测号码 | 铁人铁胆3d定位包星预测 | 顶级胆神双胆必下 | 3d今天专家推荐号码 | 3d必中永久直选500注大底 | 3d今天开机号和试机号码727 | 3d最准专家预测号 | 3d千禧金码试机号关注码开奖号 | 3d今晚精选预测一注 | 3d近500期试机号和开奖号码 | 3d最大值振幅走势图彩经 | 3d今晚预测最新最准确号码牛彩网 | 今天的3d开机号和试机号查询 | 今晚3d专家推荐号码是多少 | 3d,预测| 3d预测 下一期 3d预测专家 3d预测 | 3d预测天齐网 | 最准3d预测专家推荐号 | 3d下期预测最精准的一注号码 | 3d最精准一注一注 | 3d太湖字谜总汇大全 每天更新 | 今天3d开机号和试机号码是多少 | 3d今晚上预测号码 | 3d白娘子跨度字谜汇总今天牛彩网 | 3d湘西胆王今日字谜 | 牛彩网杀码图汇总 | 张克永专家3d预测 | 3d选5个号多少钱 | 3d专家预测号码手机牛彩网 | 玩彩独胆王三天计划 | 今于海滨一语定胆保真今天 | 3d预测号码最准最新推荐 | 于海滨海3d预测牛彩网 | 西施姐姐就赌一个独胆 | 3d百个位和值尾走势图 | 中国福彩3D独胆下期推荐杀号最新 | 3d预测专家最准确的专家预测昨天 | 今晚3d预测最准一注 | 【福星】3d单挑10注组 | 3d和值尾振幅走势图50期 | 3d今天的推荐号 | 彩界毒胆大师一枚毒胆 | 3d走势图专业版(带连线) | 3d精准预测最准的专家直选 | 3d今晚上专家推荐号 | 今日3d太湖字谜三字诀洞庭游侠 | 3d双胆,独胆非常非常稳定 | 彩坛老顽童3d独胆 | 拼搏在线3d开机号和试机号列表 | 3d千禧试机号关注号金码号开机号 | 一定牛3d一注号推荐3d预测今天 | 高手看3d经典独胆组合 | 于海滨海3d预测牛彩网 | 3d预测最准确专家预测 | 3d今日预测推荐号 | 3d跨度振幅走势图3d专家 | 3d开机号和试机号今天多少 | 3d直选一注多少钱 | 钱王点评| 唐龙3d预测 | 3d杀码高手 | 3d专家预测更准确今天 | 十拿九稳的最新预测 | 牛彩网3d预则 | 专家预测3d号码准确 | 3d金银胆神双胆 | 3d百位走势图带连线图表专业版 | 3d预测专家准确推荐 | 3d号码预测| 3d各路专家预测汇总大全最新 | 詹天佑3d今日推荐 | 今晚3d试机号开机号 | 今晚3d试机号码和开机号 | (暴富密码)绝杀两码预测 | 3d开机号和试机号金码关注 | 三天计划3d独胆必出论坛 | 3d小鱼图今日背面字谜 | 3d开机号和试机号近100期列表 | 小龙一语定三胆3d今日字谜 | 3d走势图基本走势 | 3d今天专家预测号码最准确 | 3d试机号开奖号走势图表 | 陈华今晚3d赌一胆天齐网 | 3d直选一注今天 | 排三十拿九稳今天预测 | 3d藏机图正版藏机图汇总今天最新 | 3d今天的试机号开机号 | 3d带连线专业版走势图表 | 今日3d太湖字谜三字诀排三开奖结果 | 3d专家预测最准确今天 | 3d今晚专家看独胆 | 3d双胆预测| 3d走势图基本走势 | 今日3d十大专家双胆总汇 | 今晚3d直选一注 | 3d开奖号走势图表 | 3d旧版基本走势图表 | 3d廊坊鸿运正版推荐 | 今天晚上3d开奖结果 | 3d布衣独胆双胆必下一 | 太湖解3d字谜汇总 | 3d布衣独胆双胆必下一 | 3d试机号今天晚上金码92期 | 今天3d专家预测号码 推荐 | 3D独胆下一期精准预测 | 3d选5个号多少钱 | 于海滨3d预测号 | 3d近100期的开奖号码和试机号 | 3d今晚必出一注100%准确直选推荐 | 今天3d正版太湖字谜 | 3d今日号码推荐 | 唐龙一胆今天最新 | 今日3d太湖字谜三字诀排三开奖结果 | 3d杀码图专区,杀码图 | 十大杀码专家3d | 3d今天最新最准专家预测最 | 3d詹天佑推荐号码 | 近1000期3d开奖结果 | 试机号开机号金码关注号对应码3d | 3d农村小伙子最新预测 | 3d专家预测最准确最新汇总 | 今日正版藏机图全部汇总 | 开奖结果3d今天晚上 | 3d专家预测汇总牛彩网彩摘收集 | 3d开机号和试机号今天全部 | 太湖谜3d太湖钓叟字谜 | 3d预测最准确专家预测牛彩网 | 今天十拿九稳号码预测 | 3d焰舞和值谜字谜 | 3d预测最准确的专家 | 3d组三一注多少钱 | 家彩专门提供3d试机号开机号 | 于海滨3d今晚预测号码 | 3d今晚开机号试机号金码关注码今天 | 3d专家预测汇总 | 3d今晚一注 | 今晚3d推荐号| 3d和尾振幅走势图3d专家 | 3d每期必中27注 | 于海滨点评加专家一语 | 神仙姐姐独胆一个 | 3d最准确预测专家 | 3d预测专家准确推荐 | 3d推荐号今晚专家预测 | 于海滨专家一语定胆十每日 | 中国福彩3D独胆高手命中率 | 今晚3d试机号千禧试机号金码关注 | 3d预测最准确的专家预测软件 | 准香港3d漫画资料 | 3d预测廊坊鸿运 | 3D独胆下一期杀号 | 于海滨今天3d预测号 | 3d试机号开机号今天查询排五 | 3d开机号试机号今天最新50期 | 3d基本走势综合图 | 3d预测专家推荐最准确 | 3d预测 下一期 3d预测专家 3d预测 | 3d天宇和值谜字谜 | 今天3d专家预测号码 推荐 | 于海滨一语定胆保真 | 3d专家推荐预测号 | 3d试机号后专家预测推荐汇总 | 3d最新专家预测汇总 | 3d机选一注 | 千禧3d今晚的试机号码 | 中国福彩3D独胆最新推荐最新 | 3d千禧试机号关注码金码今天晚 | 杀码是什么意思 | 3d今晚必出一注100%准确直选推荐 | 3d一句定三码最准字谜 | 3d今日预测最准专家预测 | 3d今天专家预测推荐号码 | 今日3d太湖字谜三字诀试机号 | 3d今晚最准专家预测号码145 | 福彩3D独胆老师必中最新 | 3d谜语太湖钓叟3d谜语今天 | 今晚3d开奖号是多少 | 3d今天专家预测号码 | 3d预测专家最准确的专家预测昨天 | 3d太湖字谜三字诀 | 千禧3d今天的试机号 | 3d今天最新最准专家预测最 | 3d中间值振幅走势图之家 | 3d今天最准专家预测 | 今晚3d的开奖结果 | 福彩3D独胆下一期推荐 | 3d专家今天推荐号 | 3d专家预测最准确今天上一期 | 3d解太湖字谜汇总精选 | 今天3d开机号和试机号全部 | 3d专家最新最准专家预测汇总 | 于海滨点评专家一注定胆保真版 | 3d专家最新最准专家预测汇总 | 于海滨海3d预测牛彩网 | 3d今晚预测最新最准确号码牛彩网 | 独胆王三天计划 | 3d开机号今天试机号查询 | 詹天佑3d分析推荐 | 钱王点评十钱王给胆下一期预测 | 3d基本走势图表 | 马后炮解今日太湖字谜三字诀 | 3d今晚专家预测 | 3d预测最新最准专家 | 今天龙头凤尾预测 | 3d今晚专家预测推荐 | 3d专家预测最准最新 | 3d专家预测最准确最新今晚预测 | 《天才计划》三天计划独胆3d | 3d谜语今天字谜今天的3d字谜是什么? | 中国福彩3D独胆当天精准预测最新 | 今天3d开机号试机号金码 | 3d中国独胆王今天 | 3d基本走势图综合 | 3d专家预测最准确最新新闻 | 3d今天专家预测号码 | 3d独胆双胆独胆3d之村 | 3d太湖字谜总汇总(正版) | 今于海滨3d预测彩吧图 | 排三杀码专家定位杀码天齐网 | 钱王点评3d之家 | 三地千禧试机号关注金码对应码 | 3d带专业连线走势图 | 3d万能三码共有几注 | 万能四码使用技巧 | 于海滨海3d预测今天 | 3d定和值公式 | 3d和值尾振幅走势图3d之家 | 三字诀3d字谜 | 3d姜子牙一句定三码最准字谜汇总 | 3d天地杀码图 | 3d专家推荐 | 3d今晚推荐号码最新 | 3d太湖专家预测今晚 | 3d精准预测推荐 | 今日3d专家预测号码推荐 | 今天3d必出一注 | 3d十大专家推荐号码汇总 | 于海滨3d最新预测 | 3d独胆必下一独胆 | 3d最准确的专家预测 | 3D独胆本期推荐最新 | 3d今晚专家推荐号 | 3d绝杀二码今天最新更新内容 | 3d推荐最新最准专家预测 | 3d专家直选最精准一注 | 3d试机号开机号今天金码关注 | 3d专家预测最准最新今天 | 飞向阳光龙头凤尾预测 | 今晚3d专家预测最准确 | 3D独胆今晚命中率 | 3d下期预测最精准的一注号码 | 3d字谜今日字谜总汇 | 牛彩网近30期3d开机号试机号 | 今晚3d专家最精准的预测 | 3d今晚预测最新最准确 | 福彩3D独胆大神精准预测 | 3d独胆必下一独胆布衣正 | 3d近100期的开奖号码和试机号 | 今日3d开机号和试机号关注码千禧 | 于海滨3d杀码图 | 3d詹天佑推荐号码 | 3d预测 下一期 3d预测专家 3d预测 | 藏机图3d正版总汇 | 于海滨精准杀码图 | 3d今晚和值字谜 | 北京胆王2彩吧图库 | 三d预测专家最新推荐 | 十拿九稳预测分析 | 牛彩网3d专家预测汇总 | 最准的3d专家预测 | 3d最准预测专家预测汇总 | 3d今晚上预测号码 | 今日3d专家预测号最准确 | 福彩3D独胆老师必中最新 | 3d预测最新最准专家 | 今日3d预测号码推荐 | 藏机图3d正版总汇 | 于海滨海3d专家杀码 | 今天最新3d开机号试机号关注码 | 3d家彩预测 | 3d白娘子跨度字谜汇总今天牛彩网 | 3d今晚最准专家推荐号 | 3d预测最准的专家 | 3d于海滨上的今天预测保真 | 3d专家推荐最精准的号码 | 3d邻孤传走势图乐彩 | 3d连线走势图表图 | 今天3d开机号试机号牛彩网 | 3d基本走势综合图 | 神仙姐姐今天最新杀码 | 3d独胆预测必下一胆 | 福彩3D独胆老师精准预测 | 3d十位走势图带连线图表专业版 | 3d最新专家预测汇总大全 | 3D独胆实时分析 | 3d预测专家准确推荐 | 3d精准定位专家预测 | 3d今天开机号和试机号码 | 3d湘西胆王今日字谜 | 小龙一语定三胆3d今日字谜 | 3d专家预测最准确今天南方双彩网 | 3d开机号试机号今天最新50期 | 十拿九稳十大专家预测汇总最新一期 | 千禧试机号金码关注码的历史记录 | 3D独胆今晚命中率最新 | 3d专家预测号码手机牛彩网 | 3d最新专家预测汇总 | 詹天佑3d | 3d最新专家预测汇总大全 | 开心笨小孩3d独胆 | 排五奖号 | 3d预测最准最新准专家预测 | 3d试机号今晚开机号 | 3d走势图基本走势图 | 3d今天专家预测最准确 | 3d今晚字谜太湖字谜是什么 | 3d最大值振幅走势图遗漏 | 3d今晚最准最新专家推荐号 | 3d双胆预测3d双胆下3d 双胆推荐 | 3d十大专家独胆 | 3d今天专家推荐号码 | 3d双胆预测| 于海滨3d彩吧图库 | 3d静态版预测静态版 | 3d千禧试机号金码关注码对应码 | 近30期3d开奖结果 | 于海滨3d预测牛彩网 | 3d开机号和试机号八仙选号 | 最准一个毒胆 | 今日3d开机号和试机号关注码千禧 | 3D独胆内部精准预测 | 3d预测今晚最准专家预测号码 | 毒胆牛人三天计划 | 3d今天开机号和试机号322 | 3d组选中一注多少钱 | 3d最新准专家预测 | 3d计算机开机号夏天推荐 | 3d今晚预测最准确一注 | 福彩3D独胆实时走势 | 3d今晚预测开奖号码 | 福彩3D独胆实时杀号 | 3d今天开机号试机号是几 | 3d神仙姐姐独胆一个 | 太湖3d字谜图谜总汇 | 北斗3d今日专家预测推荐 | 3d今晚专家预测推荐 | 3d预测最准确的专家 | 唐龙3d预测 | 3D独胆本期命中率 | 于海滨3d杀码预测 | 今晚开奖号码3d开奖结果 | 3d预测今晚推荐号 | 3d开机号试机号30期列表走势图 | 一代女王决杀两胆免费观看 | 3d杀码高手 | 3d藏机图正版藏图汇总大全 | 3d十大专家精准预测汇总 | 3d今晚最准专家预测号码 | 个位杀码王 | 3d跨度金木水火土五行走势图 | 3d免费专家预测推荐今天最新 | 3d字谜今日字谜总汇 | 今日詹天佑3d预测分析 | 小红人的计划三天计划 | 于海滨3d预测牛彩网 | 3d预测号码最准确专家预测 | 3d专家预测号码手机牛彩网 | 3d今日预测推荐号 | 今日3d专家预测总汇 | 3d今晚最准最新专家推荐号 | 万能6码走势图 | 3d开机试机号金码号关注号 | 太湖马后炮3d钓叟字谜 | 今晚3d必出号 | 3d预测最准确专家预测 | 今晚3d预测最准一注 | 3d百位四胆| 3d预测专家最准确的专家预测今晚 | 3d直选综合走势图表图 | 3d专家预测最准今天 | 于海滨三地杀码 | 于海滨杀码图牛彩 | 3d藏机诗藏机图天中图库 | 今晚3d开机号试机号金码 | 今晚3d专家推荐号码 | 3d千禧开机号和试机号码 | 3d牛彩网今天开机号试机号 | 3d武当玉女掌门一句定三码字谜 | 今日詹天佑3d预测分析 | 今日3d开奖号太湖字谜总汇 | 《天才计划》三天计划独胆3d | 3d于海滨预测预测牛彩网 | 3d詹天佑最新预测今天 | 3d最新最准专家预预测 | 于海滨最新3d预测推荐今天 | 唐龙点评3d预测今天 | 3d最准专家预测号 | 排3太湖钓叟字谜三字诀 | 3d十大专家推荐号码汇总 | 3d预测专家最准确的专家预测 | 千禧试机号金码关注号对应码杀码 | 3d 今日太湖字谜 | 最新3d预测专家预测 | 十拿九稳今天预测专家 | 千禧3d试机号金码今天关注码对应码 | 3d解太湖字谜汇总精选 | 一代女王杀两胆 | 天齐网3d首页保真版3d预测 | 中国福彩3D独胆独家预测 | 中国福彩3D独胆最新推荐 | 彩界毒胆大师一枚毒胆 | 3d机选一注 | 3d独胆预测必下一胆 | 今日3d马后炮解太湖字谜 | 3d开机号试机号今天最新50期 | 3d十大专家杀跨度汇总 | 3d预测詹天佑最新 | 3d牛彩网专家汇总汇总大全 | 3d今晚预测最新最准确号码牛彩网 | 三d毒胆预测 | 今天的3d太湖字谜 | 3d今晚推荐号码最新 | 3d最新专家预测精选一注 | 3d徐文轩今晚推荐号码 | 中国福彩3D独胆老师分析最新 | 3d今晚专家预测最准确一注 | 于海滨海3d预测免费每日精选3d开奖号 | 北斗3d今日专家预测推荐 | 今晚3d专家预测精选一注 | 3d预测推荐汇总大全 | 中国福彩3D独胆最新推荐最新 | 3d专家预测号码推荐今天 | 3d今晚开奖号走势图 | 3d最准预测专家预测大 | 3d今天开机号和试机号码牛彩网 | 三d便民字谜图谜总汇 | 3d今天专家预测号码最准确 | 福彩3D独胆本期预测 | 3d预测最准确的专家预测软件 | 3d今天开机号和试机号开奖结果 | 2025排五守号推荐 | 3d专家预测精选一注 | 3d预测最准专家预测号 | 3d专家预测推荐号码最准最新 | 中国福彩3D独胆实时必中最新 | 3d预测 下一期 3d预测专家 3d预测 | 3d杀码图专区,杀码图 | 3d独胆之家 | 3d预测最准最新准专家预测 | 3d今天开机号 试机号查询 | 3d今天专家预测最新最准 | 3d杀码预测 | 3d孔方来萃解太湖字谜 | 飞向阳光龙头凤尾今天最新消息 | 3d金码开机号和试机号 | 3d专家预测最准确| 于海滨今天3d预测号 | 今晚钱王点评推荐号 | 3d组选中一注多少钱 | 3d开机号和试机号八仙选号 | 今天3d藏机图正版藏机图藏机图太湖横屏 | 3d专家预测最准确最新今天牛彩 | 于海滨海3d专家杀码 | 3d预测牛彩网预测汇总 | 最准3d专家预测推荐 | 中国福彩3D独胆内部杀号 | 今日3d专家预测号码推荐 | 福彩3D独胆今晚走势最新 | 3d预测专家推荐号码推荐 | 千禧3d试机号金码关注码杀码今天3d | 中国福彩3D独胆专家推荐最新 | 3d百位走势图带连线图表专业版 | 3d专家预测最准确今天牛彩网 | 今天最新3d开机号试机号关注码 | 天齐网3d杀码大全 | 3d带连线专业版走势图表 | 3d詹天佑最新预测牛彩网 | 3d北斗专家北斗预测今天079期3d | 3d和值尾振幅走势图3d之家 | 今天的3d开机号和试机号查询 | 福家老三3d推荐号 | 3d今天专家预测推荐号码 | 今天买哪三个号码好 | 助赢计划软件免费版下载安装 | 3d最准预测专家预测汇总 | 3d金码开机号和试机号 | 今晚3d预测最准一注 | 3d今天专家预测号码 | 3d今晚试机号开奖号 | 3d太湖钓叟字谜三字诀了3d开奖 | 3d预测今晚最准专家预测号码 | 顶级胆神双胆下一 | 3d太湖专家预测今晚 | 中国福彩3D独胆下一期预测最新 | 3d预测号码最准最新准专家预测号家彩网 | 3d彩报图今天图库彩吧 | 3d预测牛彩网 | 3d今天的推荐号 | 3d预测今天推荐 | 3d预测专家准确推荐 | 一代女王杀两胆 | 十拿九稳十大专家预测汇总最新一期 | 今天3d试机号开机号牛彩网 | 千禧3d开机号试机号金码 | 3d今天开机号试机号码 | 今天3d开机号和试机号多少? | 3d直选综合走势图 | 三d开机号和试机号今天牛彩网彩 | 今晚3d专家推荐号码是多少 | 3d独胆一个 | 3d预测专家推荐号码 | 3d预测最准专家预测牛彩网 | 3d小红人三天计划 | 3d最新专家预测推荐 | 3d跨度振幅走势图3d专家 | 3d近30期开机号试机号开奖号查询 | 3d预测专家推荐最准确 | 3d今日开机号和试机号及关注码 | 3d牛彩网| 3d字谜太湖解字谜 | 毒胆牛人三天计划必出 | 3d今天预测最准确专家 | 3d于海滨专家预测 | 3d最准一注号码 | 3d开机号试机号今天最新50期 | 3d机选一注 | 中国福彩3D独胆最新必中 | 3d预测专家推荐最准确 | 今天专家推荐号码3d | 3d预测最准的专家预测 | 3d今晚专家预测推荐 | 于海滨3d预测天齐网 | 3d专家预测最准确最新新闻 | 今日3d开机号和试机号关注码千禧 | 马后炮解3d太湖钓叟字谜总汇大全 | 3d预测专家推荐 | 3d跨度振幅走势图3d专家 | 中国彩吧更一懂彩民最新版本更新时 | 3d今晚开奖号码多少 | 于海滨杀码图天齐网 | 3d开机号试机号今天最新50期 | 中国福彩3D独胆下期最新分析 | 福彩3D独胆最新推荐最新 | 福彩3D独胆最新走势最新 | 3d胆王双胆独胆 | 3d今天断组预测 | 最新3d预测专家预测 | 千禧试机号金码关注号对应码杀码 | 3d杀码公式最新 | 3d专家预测最准确最新今天 | 詹天佑3d推荐| 3d计算机开机号夏天推荐 | 万能四码使用技巧 | 3d今天断组预测 | 3d今晚专家预测最准确一注 | 2008年359期3d焰舞字谜 | 今晚3d推荐号 | 3d北斗专家北斗预测今天079期3d | 3d精准推荐号 | 千禧3d试机号关注码金码今天的 | 牛彩网专家汇总汇总3d | 3d专家推荐号 | 3d今晚预测一注 | 3d今晚专家预测推荐 | 3d谜语解太湖字谜 | 3d开机号,试机号,金码号,对应码100 | 3d字谜今天太湖字谜 | 3d廊坊鸿运正版推荐 | 中国福彩3D独胆独家预测 | 今晚牛彩网3d预测汇总 | 3d字谜总汇图 | 3d今天最新最准专家预测最 | 3d 计算公式 | 3d试机号历史情况 | 3d最准预测专家预测大 | 3d预测最准确专家预测牛彩网 | 铁娘子三天计划独胆必下300 | 3D独胆最新分析 | 今日太湖字谜3d总汇 | 3d今天开机号和试机号100期 | 3d开机号今天牛彩网近30期 | 3d直选一注今天 | 3d预测最准最新准专家预测 | 3d专家推荐号 | 三字诀太湖三字诀字谜 | 今日3d专家预测号最准确 | 3d詹天佑预测分析牛彩网 | 3d机选一注 | 今日正版藏机图全部汇总239期 | 今日正版3d藏机图全部汇总 | 3d专家预测推荐最新 | 家彩专门提供3d试机号开机号 | 3d字谜财神一语定一注 | 3d今晚预测准确的专家预测 | 今晚3d预测推荐一注 | 3d最精准专家预测汇总今天 | 3d今天专家预测最准 | 3d字谜总汇今日3d字谜总汇牛彩网 | 于海滨杀码图今天最新 | 3d天宇和值谜字谜 | 3d开机号试机号今天的 | 于海滨海3d预测保真 | 3d专家推荐预测号 | 3d独胆双胆预测 | 今日3d字谜3d一句定三码诗天中图 | 3d公式计算方法 | 3d千禧开号试机号关注金码对 | 小红人的三天计划今天是什么 | 3d今晚开奖号码多少 | 三地百位振幅3d之家走势图 | 下一期专家预测号码 | 3d最新专家预测汇总大全 | 千禧3试机号金码关注码金码 | 中国福彩3D独胆当天精准预测最新 | 三d预测专家 | 3d千禧试机号金码关注码对应码 | 3d今晚的开奖号码 | 3d今天最新最准专家预测最 | 今晚上3d出奖结果 | 3d詹天佑3d预测 | 排三十拿九稳今天预测 | 牛彩3d专家预测 | 3d今天开机号和试机号多少 | 3d三天计划独胆王 | 3d今晚专家预测推荐 | 3d北斗专家北斗预测今天079期3d | 3d今晚必中一注一 | 预测3d| 3d和值尾振幅近100期走势图 | 千禧3d试机号关注号 | 3d今晚最准专家预测号码 | 中国福彩3D独胆当天预测最新 | 3d今晚最准专家推荐号码 | 3d北斗专家北斗预测今天079期3d | 天齐藏机图汇总正版藏机图 | 3d预测专家最准确今天 | 今晚3d的开奖号码结果 | 3d今天开机号和试机号100期 | 3d藏机图正版藏机图全图牛彩网 | 3d专家预测号码最准确 | 3d今天专家预测号码最准确 | 今于海滨3d预测今天 | 精准3d独胆 | 3d预测专家汇总预测 | 3d预测最准确专家预测 | 今日3d预测专家推荐 | 白骨精3d独胆图今天 | 小龙一语定三胆3d今日字谜 | 3d直选一注 | 中国福彩3D独胆专家精准预测 | 3d开机号与试机号金码 | 3d百个差振幅走势图近100期 | 今晚3d的开奖号码结果 | 三d走势图基本走势图彩宝网 | 3d今天最新最准专家预测最 | 今日3d正版藏机图,藏机图汇总,天中网 | 3d开机号码近100期 | 千禧试机号关注号金码是什么 | 3d今晚开奖号多少 | 3d太湖字谜图谜 | 今日3d推荐号码号 | 3d千禧试机号码金码关注码 | 3d最小差值振幅走势图 | 3d今晚预测最新最准确号码牛彩网 | 中国福彩3D独胆今晚分析 | 3d开心毒胆独胆王 | 3d之家独胆,双胆 | 3d专家预测最准确今天牛彩网 | 3d字谜太湖解 | 3d开机号和试机号200期列表 | 中国福彩3D独胆今日走势最新 | 3d专家预测更准确今天 | 3d詹天佑最新预测今天 | 3d和值10有哪些号码 | 3d于海滨上的今天杀码 | 3d独胆陈华今晚就赌一个胆 | 3d预测专家推荐号码推荐 | 3d牛彩网专家汇总汇总大全 | 詹天佑最新预测3d | 独胆计划王 | 今天3d试机号和开机号 | 3d今晚最准专家推荐号 | 今晚3d专家推荐号码是多少 | 3d今天专家预测号码最准确 | 3d开机号试机号码牛彩网 | 3d预测号码最准确专家预测 | 3d万能四码走势图表 | 3d下期预测最精准的一注号码 | 3d开奖必中 | 3d专家预测推荐号码 | 今晚3d结果开奖号码 | 3d今晚专家推荐号 | 3d推荐最新最准专家预测 | 齐彩网3d专家预测 | 今天的3d太湖字谜图 | 于海滨精准杀码图 | 3d今日开机号和试机号及关注码 | 3d专家预测最准最新 | 3d今日太湖字谜图 | 3d基本走势图表新浪网 | 于海滨专家3d预测 | 3d和值尾振幅走势图200期 | 小胆神玩毒胆我3d | 三d独胆王独胆双胆 | 十拿九稳今天预测专家 | 3d试机号后专家预测推荐汇总 | 千禧p3试机号关注号金胆对应号 | 李明启3d今晚预测专栏 | 3d预测最准的专家预测 | 3d之家独胆,双胆 | 财神爷三天计划 | 3d北斗专家北斗预测今天079期3d | 3d精准定位专家预测 | 3d绝杀三码今天 | 最新3d预测专家预测 | 3d专家预测最准 | 3d正版藏机图天齐网汇总 | 3d最精准一注一注 | 3d最精准的专家预测精选 | 三d预测专家最新推荐 | 3d三胆 | 3d今天开机号和试机号是多少 | 3d最准确预测专家 | 3d于海滨预测预测牛彩网 | 3d推荐号今晚专家预测 | 3d今天专家预测号码最准确 | 3d开机号今天近10期 | 3d专家今日推荐号码 | 投资独胆三天计划论坛 | 3d独胆双胆 | 3d预测今天最准预测号 | 3d今晚精准一注推荐 | 3d专家最新最准专家预测 | 3d预测最准专家预测牛彩网 | 3d试机号后专家预测 | 3d单个冷号最大遗漏 | 3d独胆双胆专家预测网 | 3d预测专家推荐最新 | 3d专家预测最准确最新今天牛彩 | 3d开机号试机号码牛彩网 | 3d组选中一注多少钱 | 3d预测最准的专家 | 三d字谜图谜总汇牛彩网 | 3d预测专家最准确今天 | 太湖马后炮3d钓叟字谜 | 3d独胆双胆预测推荐 | 3d武当玉女掌门一句定三码字谜 | 3d专家推荐精选号码 | 3d跨度分位走势图图感觉 | 3d千禧试机号开机号对应码关注号 | 今于海滨点评专家一语定胆 | 今日3d太湖字谜更新 | 3d推荐号今晚专家预测最准确 | 3d太湖字谜三字诀 | 毒胆牛人三天计划必出 | 3d开机号和试机号近100期 | 3d今晚专家预测推荐 | 3d千禧金码试机号关注码开奖号 | 福彩3D独胆下期推荐最新 | 3d最精准独胆王 | 3d推荐最新最准专家预测 | 3d直选三注必中免费 | 千禧关注码试机号金码 | 3d独胆双胆专家预测网 | 3d之家,专家预测预测 | 3d今晚中奖号是多少 | 3d专家预测最准今天 | 3d今晚必中一注一注 | 飞向阳光龙头凤尾今天最新消息 | 3d十大专家预测汇总 | 3d最准专家预测号 | 3d专家今天推荐号码推荐 | 3d太湖老情人字谜图谜 | 今晚3d试机号开机号金码号 | 千禧3d试机号金码关注码牛彩网 | 小红孩3d独胆今天 | 今晚3d专家推荐重点号码 | 白姐3d今天预测号码 | 3d今晚最准专家预测号码 | 3d专家预测最新推荐 | 3d今天专家预测最准 | 3d詹天佑3d预测 | 3d北斗专家北斗预测今天079期3d | 3d和值基本走势图 | 3d专家预测汇总牛彩网收集汇总 | 3d和值和尾振幅走势图 | 3d精准定位专家预测 | 三d推荐号专家预测今天 | 三d预测最准十专家预测今晚 | 千禧3d试机号金码关注码对应码今晚 | 3d独胆一个 | 于海滨点评专家一注定胆保真版 | 千禧之年3d开机号试机号金码关注 | 于海滨精准杀码图 | 3d预测最准最新准专家预测 | 3d最精准的专家预测 | 3d推荐最新最准专家预测 | 3d字谜财神一语定一注 | 今晚3d开奖号试机号 | 3d之家独胆,双胆 | 3d开机号和试机号金码关注对应码 | 3d专家预测最准牛彩网 | 今晚3d专家推荐号码是多少 | 无敌胆王今日双胆 | 3d最精准的专家预测 | 3d今晚专家预测推荐 | 3d今晚上开奖号码 | 最准3d预测专家推荐号 | 3d专家预测最准确最新汇总 | 3d七码复式最准专家 | 3d今天专家推荐号码 | 3d专家预测最准确最新今晚预测 | 3d预测最准专家预测 | 3d今天专家预测最新最准 | 千禧之年3d开机号试机号金码关注 | 十大专家3d预测汇总 | 今晚3d专家推荐号码 | 3d今晚精准推荐一注 | 3d今天专家预测最准 | 3d今晚必出一注100%准确直选推荐 | 3d精准预测最准的专家 | 3d今晚专家预测最准确一注 | 《中国杀码王》3d | 3d牛彩网试机号后专家预测汇总 | 彩界毒胆大师一枚毒胆 | 3d和值牛彩网 | 北斗3d今日专家预测推荐 | 3d今晚试机号是多少 | 西施姐姐精心推算一独胆146 | 龙彩居士3d预测今天最新版 | 3d专家预测最准确今天3d | 3d詹天佑预测分析牛彩网 | 于海滨点评专家一注定胆保真版 | 十拿九稳十大专家预测汇总最新一期 | 排3太湖钓叟字谜三字诀 | 3d专家预测最准确最新今天牛彩 | 今日3d正版藏机图,藏机图汇总,天中网 | 3d推荐最新最准专家预测 | 3d买一个独胆中了得多少钱 | 于海滨最新3d预测推荐今天 | 今天3d开机号和试机号多少? | 3d詹天佑3d预测 | 今天3d专家推荐重点号 | 3d试机号今晚开机号 | 3d谜语今天字谜今天的3d字谜是什么? | 今天的3d开机号和试机号查询 | 3D独胆大神命中率最新 | 最准3d专家预测推荐 | 于海滨最新3d预测今天 | 3d今天开机号试机号金码关注号 | 3d詹天佑预测分析牛彩网 | 3d今晚最准最新专家推荐号 | 三地千禧试机号关注金码对应码 | 3d预测专家汇总预测 | 3d专家预测最准确最新新闻 | 3d今天专家推荐号码推荐 | 今晚3d的开奖结果 | 3d独胆双胆预测 | 3d直选综合走势图 | 太湖试机号后一句定三码3d字谜 | 3d旧版基本走势图表 | 3d预测是多少 | 3预测,3d专家预测,最准确今天彩网 | 今日三地开奖码 | 3d彩宝网开机号和试机号 | 3d开机号和试机号金码关注 | 今天的3d推荐号码是多少 | 今晚3d专家预测精选一注 | 三天计划3d独胆必出论坛 | 3d千禧开机号试机号关注金码 | 3d真实的谎言字谜总汇正版 | 3d字谜太湖最新 | 3d带连线专业版走势图表 | 于海滨海3d预测牛彩网 | 福彩3D独胆实时走势 | 3d开机号试机号关注号金码对应码 | 3d太湖钓叟字谜三字诀论坛 | 3d最新专家预测推荐 | 李明启3d预测最新号码 | 解太湖3d字谜太湖 | 今日排三太湖钓叟字谜三字诀 | 今天晚上3d推荐号码 | 3d于海滨预测预测牛彩网 | 3d最新专家预测汇总大全 | 3d开奖号走势图表 | 今天p3藏机图正版藏机图 | 3d单双走势图表(专业版) | 3d小鱼图今日背面字谜 | 3d试机号后专家预测推荐汇总 | 3d之家预测专家预测 | 3d最准专家预测号今晚3d试机号 | 今天3d詹天佑预测分析 | 3d今晚预测直选一注 | 3d今天专家预测推荐号码 | 3d和值基本走势图表 | 3d预测专家最准确的专家预测今晚 | 彩界女王双胆独胆 | 今晚3d开奖直选结果 | 3d专家预测推荐最新 | 福彩3D独胆下一期必中 | 3d预测号码最准最新推荐 | 今晚3d的开奖号码结果 | 于海滨专家3d今天预测 | 3d专家预测推荐 | 3d北斗专家北斗预测今天079期3d | 3d千禧今晚试机号码 | 3d百个位和值尾走势图 | 今晚3d结果 | 千禧关注码试机号金码 | 3d小差振幅走势图表图 | 大师诸葛亮今晚一个独胆 | 3d今天专家预测最准 | 3d白娘子跨度字谜汇总今天牛彩网 | 3d今晚专家预测推荐号 | 3d今晚专家预测推荐号 | 3d今日太湖字谜 | 3d今日开机号和试机号及关注码 | 中国福彩3D独胆实时必中最新 | 3d预测专家汇总预测 | 今晚最准的一注3d | 天齐网3d杀码大全 | 3d预测最准的专家预测 | 3d带专业连线走势图 | 排五预测最准专家 | 3d预测今晚推荐号 | 3d今天预测最准确专家 | 福彩3D独胆下期推荐最新 | 3d今天开机号和试机号码300 | 3d独胆公式正确率在99%以上 | 于海滨专家3d今天预测 | 廊坊鸿运3d推荐今天 | 詹天佑3d预测号 | 福彩3D独胆最新走势最新 | 3d今晚专家预测最准确一注 | 3d预测最准确的专家预测软件 | 西施姐姐精心推算一独胆146 | 3d正版藏机图总汇全图 | 3d精准预测| 今日3d专家预测号码 | 一代女王p3杀两胆独胆 | 3d最准确预测专家 | 3d跨度分位走势图图感觉 | 3d千禧试机号关注金码30期 | 今晚3d一注50倍 | 三d专家杀码 | 3d开机号试机号今天的 | 3d开机号今天试机号30期 | 3d专家预测最准最新今天 | 3d今晚预测直选四注 | 3d预测专家推荐最准确 | 于海滨杀码图今天最新 | 3d正版藏机图总汇全图 | 3d百十和尾振幅走势图走势 | 今晚3d专家预测汇总 | 三d字谜总汇大全 | 3d十位走势图带连线图表专业版 | 今天3d太湖钓叟三字诀字谜 | 3d今晚最准最新专家推荐号 | 今于海滨3d预测今天牛彩网 | 马后炮解3d太湖字谜 | 近30期3d开机号和试机号 | 于海滨专家预测 | 于海滨杀码今天最新版 | 今天牛兄双胆 | 今日3d专家预测号码推荐 | 3d最准一注(单挑王) | 千禧3d试机号关注码金码试机号 | 六鬼神算图3d谜图 | 3d预测最准确专家预测 | 3d预测推荐汇总牛彩网采摘收集 | 今天3d藏机图正版藏机图藏机图太湖横屏 | 今晚3d专家预测精选一注 | 3d最新专家预测推荐 | 3d专家预测汇总牛彩网 | 今于海滨3d预测彩吧图 | 3d今天专家推荐号码是多少 | 3d爱心角落试后一注 | 3预测,3d专家预测,最准确今天彩网 | 三地杀码高手 | 3d玩胆先生双胆独胆 | 正版真精华布衣天下今天推荐号码 | 3d预测专家最准确今天 | 今天晚上的3d开奖结果 | 今天3d马后炮解太湖字谜汇总 | 3d今日预测最准专家预测 | 3d试机号后专家预测推荐汇总 | 3d至尊独胆 | 3d开机号和试机号今天全部 | 3d双胆独胆推荐 | 3d开奖号走势图表 | 中国福彩3D独胆下期最新必中最新 | 3d开机号和试机号今天千禧 | 3d专家预测号码推荐今天 | 3d财神爷今晚独胆 | 3d开心毒胆独胆王 | 3d最新专家预测汇总大全 | 排三平均值振幅走势图3d之家 | 3d今晚最准确一注 | 3d字谜太湖字 | 3d今天专家预测号码最准确 | 3d和值尾振幅走势图专业版 | 福彩3D独胆最新必中最新 | 一代女王p3杀两胆独胆 | 于海滨3d专家预测今天 | 3d陈华今晚就赌一胆o11预测 | 3d最准确预测专家 | 解太湖3d字谜太湖 | 今晚3d开奖号多少 | 三地百位振幅3d之家走势图 | 今晚3d开奖结果是多少 | 今日三地开奖码 | 3d双飞大师双胆组合 | 3d千禧开机号试机号关注金码对应码 | 今日3d开机号和试机号列表三十期 | 十拿九稳今天预测 | 3d盐都三胆家彩网 | 3d开机号和试机号金码和关注码 | 3d今晚最准三注 | 小财神三天计划独胆 | 詹天佑今日3d预测 | 张克永专家3d预测 | 无敌胆王今日双胆 | 3d最准确专家预测 | 福彩3D独胆最新必中最新 | 3d今晚最准专家预测号码 | 3d最小差值振幅走势图 | 3d推荐号今晚专家预测 | 3d预测专家推荐 | 3d双胆最准100% | 排三平均值振幅走势图3d之家 | 3d今晚专家推荐预测重点号码 | 于海滨最新3d预测推荐今天 | 3d今天专家推荐号码是多少 | 3d徐文轩今晚推荐号码 | 3d今晚出什么号? | 于海滨专家预测 | 3d北斗专家北斗预测今天079期3d | 3d专家预测最准最新 | 3d今天推荐号码是多少 | 今日3d马后炮解太湖字谜 | 3d独胆10中10 | 龙彩居士3d预测今天最新版 | 3d今晚专家推荐预测重点号码 | 钱王点评+钱王老头预测 | 3d今晚预测精准 | 排三平均值振幅走势图3d之家 | 3d今晚字谜太湖字谜是什么 | 3d千禧开号试机号关注金码对 | 3d开机号和试机号今天多少 | 3d和值尾振幅走势图近100期 | 试机号千禧关注金码 | 于海滨3d每日杀一码 | 3D独胆独家杀号 | 小龙一语定三胆3d今日字谜 | 宇海宾杀码图 | 3d彩宝网开机号和试机号 | 今天最新3d开机号试机号关注码 | 3d上下五千年专家预测 | 十拿九稳预测专家分析 | 3d牛彩网采摘收集预测汇总 | 3d最准确最新专家预测 | 3d预测号码最准最新推荐 | 今日精准预测推荐3d号码 | 今晚3d预测推荐一注 | 3d十大专家预测汇总 | 3d专家预测更准确今天 | 北斗3d今日专家预测推荐 | 今日3d字谜太湖钓叟字谜 | 3d专家预测号码最准确 | 【独胆真准】3d | 3d预测一注号推荐一3d预测一注今天 | 3d今天专家预测推荐号码 | 3d预测分析 | 3d字谜汇总大全总汇牛彩网开机号 | 3d买4个号直选多少钱 | 3d最新专家预测汇总 | 今晚3d开奖号是多少 | 3d直选一注今天 | 于海滨杀码图牛彩 | 今晚3d出的什么号 | 3d预测总汇手机牛彩网 | 今于海滨3d预测今天单线联系 | 3d藏机图正版藏机图 | 3d今天开机号试机号是几 | 3d专家今天推荐号 | 福彩3D独胆最新走势最新 | 3d预测专家| 今天3d开机号和试机号查询结果彩吧 | 3d铁人包星定胆天齐网 | 3D独胆今晚命中率最新 | 3d专家预测最准确最新今天牛彩 | 3d专家预测推荐号码 | 3d今晚专家预测最准确一注 | 于海滨海3d专家预测 | 3d走势图的基本走势图 | 3d专家预测最准确今天3d | 牛彩网杀码 | 3d和值走势图表综合版 | 今天3d专家预测号码 推荐 | 3d百位个位和值走势图 | 3d近30期试机号和开奖结果 | 3d独胆专家预测 | 3d预测最准确专家 | 3d今天专家推荐号码推荐 | 今日3d藏机图正版藏机图134 | 3d和值尾走势图(专业版) | 3d彩界元宝就看一个独胆 | 专家3d专家推荐 | 十大杀码专家3d | 3d开机号和试机号近100期列表 | 3d预测最准确的专家 | 3d试机号今天晚上是多少 | 今晚3d推荐号码 | 3D独胆今晚命中率最新 | 3d今晚专家预测推荐 | 3d预测最准的专家预测 | 小龙一语定三胆3d今日字谜 | 3d最准预测 | 3d最新最准专家预测号码 | 3d最准确预测100%一注 | 3d通杀一码准确率100% | 排三杀码专家 | 3d天地杀码图 | 于海滨3d预测牛彩网 | 万能四码找下期奖号 | 3d开机试机号金码号关注号 | 3d今天专家预测最新最准 | 千禧3试机号金码关注码金码 | 今日3d专家预测号码 | 3d今天预测最准确专家 | 今天专家推荐号码3d | 今天3d于海滨预测 | 今天3d双双独胆字谜 | 3d预测专家最准确的专家预测今晚 | 3d农村小伙子最新预测 | 中国彩吧更一懂彩民最新版本更新时 | 今天3d的开机号和试机号是多少号 | 三d预测专家最新推荐 | 3d太湖解字谜 | 3d专家预测最新最准推荐 | 西施姐姐就赌一个独胆 | 3d杀码十大专家天齐网 | 3d专家预测最准确最新今天 | 3d专家最新最准专家预测汇总 | 3d开机号试机号30期列表走势图 | 3d和值尾振幅近100期走势图 | 3d预测最准专家预测 | 3d走势图专家推荐号码 | 3d计算公式 | 于海滨专家一语定胆十每日 | 3d试机号今天开机号查询结果 | 3d今天开机号和试机号开奖结果 | 于海滨三地杀码 | 3d预测今晚最准专家预测号码 | 天府袍哥3d预测 | 3d预测最新最准3d之家 | 3d预测专家最准确的专家预测 | 3d预测专家推荐号码推荐 | 3d预测最新最准专家推荐号码 | 今晚3d专家推荐号码是多少 | 3d最准确预测专家 | 3d徐文轩今晚推荐号码 | 3d预测最准确的专家预测软件 | 3d解太湖字谜汇总精选 | 3d专家最新最准今天预测 | 3d北斗专家北斗预测今天079期3d | 3d于海滨专家预测 | 今日3d字谜太湖钓叟字谜 | 3d之家双胆独胆预测 | 詹天佑3d | 詹天佑3d预测今天推荐号码 | 十拿九稳预测专家分析 | 于海滨海3d专家杀码 | 于海滨最新3d预测今天 | 3d今晚最准专家预测号码145 | 3d最精准专家预测汇总今天 | 于海滨3d预测牛彩网 | 3d最准预测 | 3d试机号后专家推荐汇总 | 3d今晚预测最新最准确号码牛彩网 | 3d今天中了多少注直选 | 3d最准一个独胆方法 | 3D独胆老师命中率 | 3d最新专家预测汇总 | 于海滨3d预测免费每日精选 | 【开心毒胆】今天 | 排三十拿九稳今天预测 | 3d今晚精准一注推荐 | 3d专家最新最准专家预测汇总 | 3d于海滨上的今天预测保真 | 3d牛彩网| 3d军长独胆定位 | 今晚3d预测推荐一注 | 近300期3d和值走势图 | 3d专家推荐最新预测 | 福彩3D独胆今日走势最新 | 福彩3D独胆下一期走势最新 | 3d最准一注(单挑王) | 今天彩报中心 3d图库 | 今天3d牛彩网专家预测 | 毒胆牛人3天计划 | 排3太湖钓叟字谜三字诀 | 3d牛彩网.| 3d独胆陈华今晚就赌一个胆 | 3d机选一注 | 3d预测 下一期 3d预测专家 3d预测 | 3d最新最准专家预预测 | 陈华3d今晚赌独一胆天齐网 | 詹天佑3d今日预测 | 于海滨专家预测 | 3d天中杀码图专区 | 福彩3D独胆下期最新分析 | 3d至尊计划独胆 | 3d紫云涧专家预测推荐 | 3d真实的谎言字谜总汇正版 | 3d专家推荐号最准确的推号 | 今天龙头凤尾预测 | 福家杀码王p3 | 3d今晚专家预测推荐 | 3d独胆双胆专家预测网 | 排三今晚十拿九稳最新预测 | 3d藏机图正版藏机图汇总今天最新图片 | 3d今天开机号和试机号322 | 3d今天开机号和试机号是多少 | 唐龙3d预测今日出号点评 | 3d和走势图 和值尾连线 | 3d开奖号今天结果 今晚 | 千禧试机号金码今天的 | 3d最新专家预测精选一注 | 3d最准的预测专家 | 龙彩居士3d预测今天最新版 | 财神爷三天计划必下更新 | 3d十大专家推荐号码汇总 | 3d专家预测最准确最新新闻 | 3d专家今天推荐号 | 3D独胆下期最新精准预测 | 3d专家预测最准确今天牛彩网 | 白姐3d今天预测号码 | 于海滨专家一语定胆十好心人 | 3d专家预测最准确今天南方双彩网 | 3d今晚试机号是多少 | 3d预测专家最准确 | 3d最准杀码| 今天3d马后炮解太湖字谜汇总 | 3d最晚间字谜汇总大全 | 千禧3d试机号关注码金码列表 | 3d今晚最准专家预测号码 | 3d字谜太湖解 | 3d藏机图正版藏机图汇总今天最新图片 | 3d独胆专家推荐独胆 | 3d杀码图汇总 | 于海滨海3d预测今天 | 今晚3d预测开奖号码推荐 | 3d专家推荐号最准确的推号 | 福彩3D独胆下一期走势最新 | 牛彩网近30期3d开机号试机号 | 3d今晚必中一注一 | 今天3d专家预测号码 推荐 | 3d直选走势图(专业版) | 3d 今日太湖字谜 | 藏机图3d正版总汇 | 3d专家预测最准 | 万能三码的使用方法 | 三d走势图基本走势图彩宝网 | 3d专家今天预测一注 | 千禧3d试机号金码关注码今天 | 3d预测专家精准推荐号 | 双胆王看双胆3d | 铁人真胆一句定三码3d字谜彩搜网 | 詹天佑3d点评预测 | 今晚快乐八专家预测推荐号 | 今日3d一句定三码和值谜食物全部 | 3b预测汇总牛彩网 | 3d真实的谎言字谜总汇正版 | 三d预测牛彩网汇总 | 3d乾坤独胆王独胆 | 3d今晚专家预测最准确一注 | 3d今天开机号和试机号322 | 3d北斗专家北斗预测今天079期3d | 张克永3d预测今天 | 今日3d一句定三码最准和值谜 | 3d和值尾走势图(专业版) | 牛彩网杀码 | 3d和值尾振幅走势图3d走势3d之家 | 3d预测最准的专家 | 3d和值10有哪些号码 | 今于海滨3d预测今天单线联系 | 今天3d开机号试机号牛彩网 | 三d独胆王独胆双胆 | 3d今晚上预测号码 | 3d专家预测最准确最新汇总 | 3d今晚精准推荐一注 | 3d跨度金木水火土五行走势图 | 天齐杀码图汇总 | 三d独胆| 3d今晚专家预测最准确一注 | 3d铁人包星定胆天齐网 | 3d预测专家推荐最准确 | 3d最新专家预测汇总大全 | 3d单挑今天晚一注500倍 | 3d独胆双胆专家预测网 | 福彩3D独胆老师走势最新 | 3d试机号开机号今天金码关注 | 3d藏机图正版藏机图诗汇总 | 3d于海滨上的今天预测保真 | 中国杀码王绝杀 | 3d开机号和试机号近100期 | 3d跨度分位走势图图感觉 | 3d最准专家预测号今晚3d试机号 | 3d孔方来萃解太湖字谜 | 3d最准预测专家预测大 | 3d开机号和试机号今天金码关注号 | 3d今晚最准专家推荐号 | 3d预测专家推荐最新 | 3d小差振幅走势图表图 | 3d今天开机号,试机号 | 3d今晚最准专家推荐号 | 陈华3d今晚就赌一个胆 | 3d中间最小两码差值振幅走势图 | 3d专家预测最新 | 于海滨3d预测牛彩网 | 了3d开奖结果 今天晚上 | 牛彩网3d预测汇总 | 3d最新预测专家推荐 | 3d最准一个独胆方法 | 3d试机号开机号今天查询排五 | 3d精准预测专家预测 | 齐彩网3d专家预测 | 三d便民字谜图谜总汇 | 3d和值振幅走势图彩宝贝 | 3d字谜太湖钓叟三字诀今天 | 3d今天专家预测号码 | 3d双胆中中中 | 3d于海滨专家预测 | 唐龙3d预测号 | 3d今日预测最准专家预测 | 铁人铁胆3d定位包星 | 3d千禧试机号和金码关注 | 3d走势图基本走势图 | 3d千禧试机号金码关注码对应码 | 陈华3d独胆推荐 | 3d百个位和值尾走势图 | 3d和值遗漏值尾走势图 | 3d专家预测推荐号码 | 福彩3D独胆下期分析 | 3d之家独胆,双胆 | 于海滨3d预测牛彩网 | 3d独胆双胆专家预测网 | 今天的3d开机号和试机号查询 | 3d今晚专家预测推荐号 | 彩界女王双胆独胆 | 3d下期预测最精准的一注号码 | 牛彩网3d预测分析汇总大全 | 3d预测最准最新准专家预测 | 今晚3d试机号千禧试机号金码关注 | 3d开机号和试机号金码今天的 | 3d专家预测最准最新 | 周星星3d预测手机牛彩网 | 最新3d预测专家预测 | 3d直选走势图(专业版) | 福彩3D独胆下一期预测最新 | 3d今晚上预测号码 | 3d今天开机号和试机号开奖结果 | 十拿九稳预测分析 | 3d开奖号历史上的今天 | 3d今晚专家预测推荐号 | 3d陈华今晚独胆推荐 | 3d今晚出啥号 | 三d今日预测 | 3d老炮子直选三注 | 3d今晚上必出号 | 于海滨3d预测牛彩网 | 3d今天专家预测最准确 | 3d紫云涧专家预测推荐 | 3d专家最新最准今天预测 | 今天3d试机号和开机号 | 开心笨小孩3d独胆 | 3d双胆预测| 3d开奖杀码定胆 | 3d今天最新最准专家预测最 | 3d走势图的基本走势图 | 3d今晚开奖结果走势图 | 于海滨点评专家一注定胆保真版 | 今天3d专家推荐号 | 3d的最新走势图表 | 3d预测专家推荐最准确 | 3D独胆独家推荐最新 | 3d最准确预测专家 | 3d于海滨预测预测牛彩网 | 3d今天最新最准专家预测最 | 小德3d今天双胆定位 | 3d最新专家预测精选一注 | 三地千禧试机号关注金码对应码 | 小红人的三天计划今天是什么 | 3d专家预测汇总 | 3d今天专家预测最新最准 | 3d最准确最新专家预测 | 3d选5个号多少钱 | 今天专家推荐号码3d | 3D独胆高手走势最新 | 牛彩网3d预测汇总 | 千禧3d试机号金码今天关注码对应码 | 千禧3d试机号金码关注码对应码今晚 | 三d推荐号专家预测今天 | 3d开机号和试机号9.30分 | 詹天佑最新预测3d | 3d和值尾振幅走势图3d之家 | 3d最准确最新专家预测 | 3d开机号和试机号码牛彩网 | 3d最大值振幅走势图彩经 | 3d太湖钓叟字谜三字诀汇总 | 今日3d直选一注 | 3d专家推荐最精准的号码 | 今天晚上3d推荐号码 | 3d推荐号今日预测 | 3d今晚一注| 3d就打一个胆中了多少钱 | 3d专家预测最准确今天 | 3d预测今天更准 | 3d今天开机号和试机号322 | 3d开奖结果近10期 | 詹天佑3d最新消息今天 | 十拿九稳专家最新预测 | 3d于海滨预测预测牛彩网 | 福彩3D独胆独家命中率最新 | 3d预测最准确专家预测 | 于海滨最新3d预测推荐今天 | 3d今晚开奖号码走势图 | 3d牛彩网专家预测 | 3d预测专家最准确 | 今晚3d直选一注 | 3d詹天佑最新预测今天 | 3d图谜字谜总汇 | 3d今晚的独胆 | 3d布衣独胆双胆必下一 | 唐龙3d预测今日出号点评 | 3d开机号试机号30期列表彩宝网 | 今于海滨3d预测今天牛彩网 | 万能四码找下期奖号 | 3d藏机图完整版今天 | 3d今晚试机号是多少查询 | 太湖钓叟三字诀字谜解释总汇 | 3d和值尾走势图(专业版) | 今日3d十大专家双胆总汇 | 3d直选综合走势图 | 3d跨度公式98准确率 | 六鬼神算图3d谜图 | 3d专家预测最准确最新今晚预测 | 3d詹天佑预测分析牛彩网 | 今日正版3d藏机图全部汇总 | 钱王点评+钱王老头预测 | 于海滨3d专家预测 | 3d詹天佑推荐号码 | 3d号码预测牛彩网 | 3d条件预测专家专区 | 3d今天预测最准确专家 | 3d预测今晚推荐号 | 3d今天开机号和试机号多少 | 千禧三地试机号对应码金码 | 3d最近100期历史记录 | 3d最准专家预测号 | 投资计划独胆三天计划 | 3d开机号试机号今天最新50期 | 3d专家预测最准确最新今天 | 3d专家最新最准预测 | 3d今晚预测开奖号码 | 3d试机号后专家预测汇总手机网 | 3d于海滨一语定胆《保真》 | 3d牛哄哄解太湖字谜今天 | 3d今日预测最准专家预测 | 3d免费专家预测推荐 | 福彩3D独胆最新推荐最新 | 牛彩网3d专家预测汇总 | 3d今晚上必出号推荐组 | 3d今天专家推荐号码推荐 | 3d徐文轩今晚推荐号码 | 3d就打一个胆中了多少钱 | 3d于海滨预测预测牛彩网 | 3d十大专家推荐号码汇总 | 3d最精准的专家预测 | 3d专家最新最准专家预测汇总 | 3d专家预测汇总牛彩网 | 中国福彩3D独胆最新走势 | 3d开机号试机号近100期开奖号码 | 3d专家预测最准确最新今天 | 3d双胆独胆非常非常 | 3d手机预测牛彩网 | 3d号码预测 | 3d杀码图汇总 | 3d计算公式精准100%计算 | 李明启3d预测最新号码 | 3d精选号码推荐今天最新 | 3d开机号试机号近100期开奖号码 | 李明启3d预测最新号码 | 3d试后太湖一语定胆字谜 | 3d八哥图库总汇d字谜图谜总汇大全 | 3d双胆独胆| 今晚3d专家预测最准确 | 解3d字谜太湖钓叟汇总 | 3d千禧试机号关注号金码号开机号 | 专家预测3d号码准确 | 3d家彩预测 | 3d最小值振幅走势图3之家 | 太湖三字诀字谜三 | 牛彩网p3专家预测汇总 | 福彩3D独胆最新预测 | 3d今晚精选一注 | 3d之家预测专家预测 | 3d盐都三胆家彩网 | 3d精选号码推荐今天最新 | 3d最准专家预测号 | 3d最新准专家预测 | 今天3d数字定位三 | 3d专家预测最准今天 | 3d的开机号试机号奖号表 | 3D独胆专家分析 | 3d研究生双胆王 | 3d今晚专家推荐 | 中国福彩3D独胆团队命中率最新 | 詹天佑3d今日推荐 | 成功路上3d双胆独胆 | 3d今天晚上的开奖号码 | 今晚的3d试机号是多少 | 3d牛彩网专家预测 | 3d今晚专家推荐号 | 中国杀码王绝杀 | 3D独胆下期最新预测 | 3d专家预测今天最新准确号 | 3d跨度振幅走势图3d专家 | 今晚3d出的什么号 | 3d八哥图库总汇d字谜图谜总汇大全 | 3d买一个独胆中了得多少钱 | 3d近100期的开奖号码和试机号 | 三d牛彩网开机号试机号是多少 | 3d最全晚间字谜汇总大全 | 唐龙点评3d预测今天 | 3d专家预测最准 | 3d今晚试机号牛彩网 | 3d天中杀码图专区 | 3d最新最准预测号码今天 | 3d双胆独胆必下一 | 祖师爷独胆三天计划 | 3d独胆专家推荐独胆 | 今于海滨3d预测 | 3d专家今天预测汇总 | 3d预测一注号推荐今晚 | 3d今天中了多少注直选 | 3d最精准专家预测汇总今天 | 今于海滨3d杀码 | 今日精准预测推荐3d号码 | 3d今天预测最准确专家 | 千禧3d试机号关注码金码试机号 | 3d今晚专家预测推荐 | 彩宝3d专业走势图 | 3d小龙一句定三码今日字谜天中图 | 3d专家预测最准确最新今天牛彩 | 于海滨海3d专家预测 | 3d今晚预测最新最准确号码牛彩网 | 3d今天预测最准确专家 | 3d专家预测汇总牛彩网彩摘收集 | 小财神三天计划独胆必下 | 于海滨杀码今天最新版 | 高手看3d经典独胆组合 | 3d真实的谎言字谜总汇正版 | 3d今天最新最准专家预测最 | 3d金银胆神双胆 | 3d今晚专家预测最准确号码 | 3d今日专家推荐 | 福彩3D独胆最新走势最新 | 解太湖3d字谜太湖 | 3d直选一注预测 | 3d今天开机号试机号对应码关注码 | 3d和值基本走势图 | 3d专家预测最准确今天上一期 | 3d专家推荐最精准的号码 | 3d预测号最新最准牛彩网 | 3d和值牛彩网 | 3d上下五千年专家预测 | 55125预测汇总3d | 3d今天预测最准确专家 | 天才计划三天计划独胆 | 3d预测最准专家预测 | 3d通辽独胆王今天 | 3d今天开机号和试机号多少 | 福彩3D独胆下一期必中 | 解今日太湖3d字谜 | 3d今天推荐号码是多少 | 乾坤三天计划独胆预测 | 拼搏在线3d开机号和试机号列表 | 3d独胆双胆专家预测网 | 今天3d詹天佑预测分析 | 3d詹天佑最新预测 | 福家老三3d推荐号 | 中国福彩3D独胆独家必中最新 | 廊坊鸿运3d | 唐龙点评每日一胆龙 | 看彩大亨看独胆双胆预测 | 3d专家预测最准确最新今晚预测 | 于海滨专家预测 | 3d近30期开机号试机号牛彩网 | 3d小龙一句定三码今日字谜天中图 | 3d预测最准专家预测牛彩网 | 于海滨点评专家一语定胆保真版 | 3d今日预测最准专家预测 | 陈华3d预测今天推荐 | 3d专家最新最准预测 | 今日3d专家预测号最准确 | 千禧3d今晚的试机号码 | 3d最准确预测100%一注 | 3d预测号码最准确专家预测 | 于海滨最新3d预测今天 | 3d和值25点有哪几注 | 中国福彩3D独胆专家精准预测 | 3d千禧开机号试机号 | 3d试机号今晚牛彩网 | 天才计划三天计划独胆 | 3d最新专家预测汇总大全 | 3d预测最准确的专家 | 3d今天开机号 试机号查询 | 排五开机号试机号今天查询 | 3d专家预测最准确最新今天 | 3d太湖钓叟字谜三字诀论坛 | 3d预测最精准预测 | 今晚3d开机号试机号金码关注码 | 3d专家预测推荐号码 | 3d专家预测最准最新今天 | 3d阴阳走势图表图 | 3d独胆预测必下一胆 | 今天晚上3d推荐号码 | 今日正版藏机图全部汇总 | 千禧试机号关注号金码是什么 | 3d故事小王双胆 | 3d双胆| 3d独胆王精准100% | 3d今晚出的什么号 | 今晚3d预测推荐一注 | 于海滨的今日预测 | 太湖钓叟三字诀字谜解释总汇 | 专家精准预测3d号 | 3d推荐最新最准专家预测 | 中国杀码王绝杀 | 3d专家预测最准确今天南方双彩网 | 今晚3d直选推荐 | 3d基本走势图结果 | 3d一句定三码最准字谜 | 近100期3d开机号和试机号 | 3d精准预测最准的专家直选 | 3d专家预测最新 | 近30期3d开机号 | 小红人的三天计划今天是什么 | 今晚3d号码开奖结果多少 | 孟庆会老师3d分析预测 | 3d开奖号码结果 今晚 | 3d太湖专家预测今晚 | 今晚上3d出奖结果 | 3d试机号今天开机号查询结果 | 3d陈华今晚就赌一胆天齐网 | 3d经典小胆王 | 福彩3D独胆老师精准预测最新 | 3d詹天佑最新预测 | 3d十大专家双胆预测汇总 | 3d毒毒毒胆胆胆中中中 | 3d推荐最新最准专家预测 | 3d百个位和值尾走势图 | 3d彩皇网 | 千禧开机号和试机号对应金码 | 于海滨专家预测3d | 3d预测专家最准确的专家预测今晚 | 3d今晚最准最新专家推荐号 | 3d最新专家预测汇总大全 | 北斗3d今日专家预测推荐 | 太湖3d字谜今天的 | 3d牛哄哄解太湖字谜今天 | 于海滨3d预测免费 | 千禧3d试机号关注码金码列表 | 3d专家预测最准最新 | 3d孙大财就赌一个胆 |